Детекторный радиоприёмник "П-2" выпускался Ленинградским телефонно-телеграфным заводом им. товарища Кулакова с 1926 года.
Этим приемником можно принимать как работу искровых радиостанций, так и радиотелефонных и концертных, передающих разговорную речь, пение и всевозможного рода музыку волнами, находящимися в пределах от 300 до 1500 метров, что соответствует волнам существующих и вновь строющихся русских широковещательных станций.
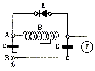
Принципиальная схема приемника

И конструктивно и по схеме приемник напоминает приемник "Пролетарий". На схеме А и З - зажимы для присоединения антенны и заземления; В - переменная катушка самоиндукции; С - постоянный конденсатор колебательного контура; С1 - блокировочный конденсатор; Т - телефон и Д - детектор.
Размеры приемника 168х132х86 мм.
Комментарии