Детекторный приемник "ЛДВ-5"

Детекторный приемник ЛДВ-5Производство детекторного приемника ЛДВ-5 (Любительский Детекторный Вещательный 5 вариант) велось Ленинградским телефонно-телеграфным заводом им.Кулакова, ЭТЗСТ с осени 1924 года

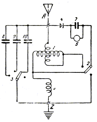
Детекторный радиоприёмник "ЛДВ-5" рассчитан на приём вещательных радиотелефонных станций в диапазоне 200...1500 метров.

 Радиоприёмник содержит вариометр, коммутатор связи, удлинительную катушку, конденсаторы, детектор и головной телефон. Настройка на частоту осуществляется скачкообразным изменением ёмкости контура и плавным изменением его резонансной частоты с помощью вариометра. На антенну типа "длинный провод" приёмник позволяет с нормальной громкостью принимать передачи радиостанций удалённые на 100 и более км.

Приёмник представляет собой небольшой деревянный ящик, полированный под красное дерево (Размеры: 245х122х132 мм.). На верхней крышке приемника помещены три ручки: Одна вариометра, другая коммутатора связи и ручка коммутатора волн. Справа размещены две пары гнезд, одна - для кристаллического детектора, другая - для телефона. Слева - зажимы для присоединения приемника к воздушной сети и заземлению: А - (Антенна) и Z - (Заземление).

 

Детекторный приемник ЛДВ-5

 

В комплект входят головные телефоны.

Масса приемника - 1 кг.

Литература:
1. Описание и электрическая схема приёмника "ЛДВ-5" в журнале "Радиолюбитель №8, 1925 год"  

 

Комментарии