Мы продолжаем публиковать материалы из книги "Справочник радиолюбителя" под редакцией инж. И. Кляцкина и инж. А. Шнейдермана, 1931 год.
ГЛАВА VI. СХЕМЫ ПРИЕМНИКОВ И УСИЛИТЕЛЕЙ.
А. Классификация схем.
Назначение любого радиоприемника - воспринять с помощью антенного устройства из окружающего его пространства энергию той именно частоты, с какой работает принимаемая радиостанция и с помощью этой энергии заставить звучать телефон.
Все радиоприемные схемы разделяются на два основных класса: схемы детекторные и схемы ламповые, (к последним относятся также приемники комбинированные, в которых одновременно с лампой работает и детектор.
1. Детекторные схемы.
Детекторными схемами приемников называют такие, в которых энергия высокой частоты, попадающая от передающей станции в приемный контур, частично превращается кристаллическим детектором в энергию звуковой частоты, которой и питается телефон. Основной отличительный признак детекторной схемы - использование принимаемой энергии для работы теле фона, т.е. отсутствие местного источника энергии.
2. Ламповые схемы.
В ламповых схемах обязательно наличие местного источника энергии (батарей, аккумуляторов, электрической сети).
Принимаемая от передающей станции энергия служит исключительно для управления с помощью электронных ламп питания телефона от местного источника. Вся необходимая для работы телефона энергия доставляется от местного источника (анодной батареи). Превращение колебаний высокой частоты в колебания (низкой) звуковой частоты совершается электронной лампой, работающей в качестве детектора. Слабые колебания высокой и звуковой частоты усиливаются также лампами, работающими в качестве усилителей высокой или звуковой частоты.
В зависимости от числа применяемых в приемной схеме ламп, приемники называются: одноламповыми, двухламповыми, трехламповыми и так далее.
В ламповых схемах одна лампа обязательно должна работать в качестве детектора, к которой могут быть добавлены, в зависимости от необходимости, лампы для усиления высокой частоты и звуковой (низкой) частоты. Другими словами, всякая ламповая схема состоит обязательно из части (элемента) детекторной, к которой могут быть добавлены элементы усилительные.
Обозначение. В радиотехнической литературе приняты обозначения ламповых схем, состоящие из трех знаков: двух цифр и буквы V между ними, например: 0-V-0, 1-V-2. Буква V - обозначает наличие в схеме лампы, работающей в качестве детектора (детекторного элемента). Стоящая впереди V цифра показывает, сколько ламп в схеме усиливают высокую частоту, а последняя цифра - сколько ламп усиливают звуковую частоту.
Так, например: 0-V-0 значит - одноламповый приемник; 1-V-2 - четырехламповый приемник, в котором одна лампа является усилителем высокой частоты, одна - детектором и две - усилителями звуковой частоты.
3. Комбинированные схемы.
Комбинированные схемы относятся в сущности, к ламповым схемам т.к. имеют местные источники энергии, но отличаются от них применением кристаллического детектора, вместо лампового. К таким схемам относится детекторные приемники, с усилением высокой или звуковой частоты, или той и другой частоты вместе, а также рефлексные схемы.
Обозначение. В отличие от ламповых схем, комбинированные схемы обозначаются следующим образом: 0-Д-1, 1-Д-2 и т.п., где цифры обозначают число ламп, усиливающих высокую и звуковую частоту, а Д - кристаллический детектор.
4. Простые и сложные схемы.
Как детекторные, так и ламповые приемники могут быть построены по простой или сложной схеме.
Приемники по простой схеме (рис. 1) имеют один колебательный контур, состоящий из антенны н элементов настройки (конденсатор, катушка) приемника.

Рис.1
Приемники по сложной схеме (рис. 2) имеют минимум два колебательных контура.

Рис.2
5. Принцип работы детекторного приемника.
В виду того что в детекторных схемах мощность для приведения в действие телефона берется от энергии, принимаемой от передающей радиостанции, для детекторной катушки L, входящей также в детекторный контур (см. рис. 3), или путем изменения расстояния между катушками L и Lg (см. рис. 4) при индуктивной связи.

Рис.3

Рис.4
При сложной схеме, даже при самых благоприятных условиях, используется полезно значительно меньше мощности из приемной антенны, чем при простой схеме. Однако, все же приемники по сложной схеме пользуются большой популярностью и широко распространены, т.к. дают более острую настройку, т.е. увеличивают избирательность приемника и ослабляют атмосферные помехи.
При наличии переменной детекторной связи также возможно немного увеличить избирательность приемника, но за счет понижения слышимости, т.к. путем сильного ослабления связи между антенным и детекторным контурами нарушается условие отсасывания наибольшей мощности.
При приеме иа схему "короткие волны" (конденсатор и катушка включены последовательно) избирательность приемника увеличивается по сравнению с приемом по схеме "дл. волны". Дальнейшего увеличения избирательности можно добиться включением последовательно в антенну конденсатора емкостью 200-ЗО0 пФ.
Комментарии
Благодаря такому включению
Благодаря такому включению общая емкость антенного контура уменьшается, а самоиндукция при той же длине волны увеличивается, а это приводит к уменьшению затухания, т.е. к увеличению избирательности.
Приемники по сложной схеме (рис. 5), при значительных потерях мощности в промежуточном контуре L1C1 обладают очень большой избирательностью. Кроме избирательности приема, сложная схема дает ослабление различных других помех. Поэтому она применима в городах, где имеются несколько передающих станций и много источников помех -трамваи, медицинские аппараты и т п.
6. Приемные фильтры. В тех случаях, когда ни наличие хорошей приемной антенны, ни переменной детекторной связи, ни применение сложной схемы не позволяет отстроиться от мешающей станции, применяются приемные фильтры, состоящие из включенных параллельно или последовательно самоиндукции и емкости.
Основное назначение приемного фильтра - тем или иным способом не допускать в приемник ( к детектору или лампе) колебания мешающей станции.
По своей работе фильтры делятся на три группы: отсеивающие, преграждающие и поглощающие:
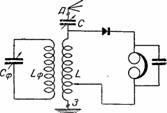
а) Фильтры отсеивающие состоят нз последовательно включенных емкости Сф и самоиндукции Lф (см. рис. 204), приключаемых параллельно к клеммам приемника А и 3.
Рис.204
Фильтр CфLф, будучи настроен на мешающие колебания, представляет для них ничтожное сопротивление и поэтому их легко пропускает через себя в землю помимо приемника. Для колебаний других частот фильтр представляет уже значительное сопротивление.
б) Фильтры преграждающие состоят из параллельно включенных емкости Сф и самоиндукций Lф, т.е. колебательного контура, включаемого последовательно в антенну (рис. 205) или детекторный контур (рис. 206). Будучи настроены на волну мешающей станции, они представляют для колебаний этой частоты очень большое сопротивление и поэтому не пропускают их через себя. Настройка фильтра, включенного по схеме колебательные контуры LфСф, индуктивно связываемые с антенным контуром (рис. 205), и влияет на настройку антенного контура, включенного же по схеме 206, на настройку антенного контура не влияет.
Рис. 205
Рис. 206
в) Фильтры поглощающие представляют собою замкнутые колебательные контуры, настраиваемые на волну мешающей станции (рис. 207). В момент резонанса они отсасывают от антенного контура максимум энергии мешающих колебаний.
Рис. 207
г) Выбор фильтра.
г) Выбор фильтра. Теоретически все три типа фильтров равноценны, все они влияют на настройку антенного контура. Фильтр поглощающий, в зависимости от величины связи его с антенным контуром, вносит в него значительные потери, поэтому связь фильтра с контуром должна быть изменяющаяся.
Все типы фильтров легко приспосабливаются к любому готовому приемнику без каких-либо переделок последнего.
Б. Принцип-работы основных ламповых схем.
7. Аудион.
Аудион - немецкое название приемника, в котором лампа работает в качестве детектора. Ламповые приемники, в которых электронная лампа работает исключительно как детектор, являются простейшими ламповыми приемниками и по схеме (рис. 208) ничем не отличаются от схем детекторных приемников. Если в любой из схем детекторного приемника в цепь детектора вместо детектора и телефона включить лампу (сравни рис. 208 и 201) с соответствующими источниками питания и телефоном в анодной цепи, получается - аудион. (В схеме Rc и Сс - сопротивление и емкость утечки (гридлик) и R - реостат накала).
Рис.208
Но по сути дела, некоторое и притом довольно большое отличие аудиона от детекторного приемника имеется. В то время, как детекторный приемник использует для работы телефона значительную часть мощности из приемной антенны, аудион, как и все ламповые приемники почти никакой энергии из антенны не берет. Колебания в антенне используются исключительно для изменения напряжения на сетке, что вызывает колебания тока в анодной цепи, питаемой от анодной батареи.
8. Регенераторы.
Регенеративный приемник или, иначе, приемник с обратной связью является в смысле чувствительности и избирательиости приема одним из лучший ламповых приемников, поэтому он получил весьма широкое распространение среди радиолюбителей. Сущность работы регенератора заключается в том, что он тем или иным способом возмещает контуру вредные потери принятой мощности.
Все существующие разновидности регенераторов, по способу осуществления обратной связи могут быть разделены на 3 основных категории: регенераторы с индуктивной, с индуктивно-емкостной и емкостной обратной связью.
а) Регенератор с индуктивной обратной связью. На рис. 209 и 210 представлены схемы регенераторов с индуктивной обратной связью, (на рис. 209 - регенератор по простой схеме, на рис. 210 - по сложной схеме). Отличие регенератора от аудиона (рис. 208) состоит в том, что о цепи анода последовательно с телефоном и батареей включена катушка самоиндукции L2, называемая катушкой обратной связи. Эта катушка L2, связанная индуктивно с самоиндукдией L1 колебательного контура, является самой важной частью регенератора.
Рис. 209
Рис. 210
Сила тока I в приемном контуре при резонансе последнего с принимаемыми колебаниями, будет зависеть от ваттного сопротивления контура R:
I = Е / R
Увеличение колебаний (тока) возможно либо путем увеличения Е, либо уменьшения R (т.е. уменьшения затухания).
Благодаря наличию в цепи анода катушки обратной связи L2, связанной индуктивно с колебательным контуром, цепи сетки, в этом последнем индуктируется некоторая дополнительная эдс Е1, вызываемая током высокой частоты в катушке L2, т.к. при детектировании, в цепи анода детекторной лампы имеются колебания звуковой и высокой частоты, получающиеся в результате разложения выпрямленных (пульсирующих) колебаний на составляющие.
Завершив подбор бумажных
Завершив подбор бумажных конденсаторов, аналогичным образом поступают и со слюдяными, после чего их можно установить в схему. Чтобы более не возвращаться к данному вопросу, отмечу, что из пленочных конденсаторов наиболее пригодными для звукового тракта считаются фторопластовые типов ФТ-...; К72-..., чуть хуже полистирольные ПМ-...; ПО; К70-...; К71-...; полипропиленовые К78-.... Не следует использовать в аудиотракте полиэтилентерефталатные (лавсановые) конденсаторы типа К73-..., которые портят звук самым серьезным образом. В подтверждение данных слов приведу пример из личной практики. Для эксперимента в одном из каналов стереоусилителя бумаго-слюдяной "бутерброд" был заменен лавсановым конденсатором типа К73-17 с такой же емкостью. В первые секунды мне показалось, что в переделанном канале появилось больше "высоких", но более детальное прослушивание показало наличие сильных искажений, вносимых лавсановым разделительным конденсатором своим "скрипом и скрежетом", напоминающим интермодуляционные искажения транзисторного усилителя невысокого качества. Замена К73-17 на К73П-3, К73-11, К73-15/16 к получению желаемого эффекта не привела, из чего последовал тривиальный вывод. Рассмотрев особенности выбора С4, переходим к оконечному каскаду.
Выходной каскад выполнен на лампе VL2 типа 6П7С по схеме с автоматическим смещением на управлящей сетке. Цепь первой сетки содержит антипаразитный резистор R11 и сопротивление утечки R10. Что отличает его от стандартного, так это возможность работы выходной лампы VL2 в тетродном, ультралинейном и триодном включении. Такая возможность позволяет выбрать наиболее премлемый характер звучания аппарата при прослушивании музыкальных программ различных жанров и направлений. Так, например, для жесткой рок-музыки в исполнении таких групп, как AC\DC т.п. на мой взгляд наиболее подходит тетродное включение. Этим жанрам некоторое ухудшение разрешающей способности и прозрачности не очень вредит, тем более что оно вполне компенсируется дополнительными "драйвом" и агрессивностью звучания. Ультралинейный режим более пригоден для шансона, в т.ч. "русского", некоторых направлений регги и джаза, поп-музыки. Вообще же, данное включение является своего рода разумным компромиссом, повзоляющим получить вполне приемлемые результаты как для не очень агрессивного рока, так и целого ряда произведений классики. И, наконец, триодное включение в наибольшей степени раскрывает свои возможности при прослушивании классической и некоторых разновидностей т.н. "акустической" музыки. Впрочем, данные рассуждения и наблюдения не следует воспринимать как догму, ведь кому как не вам знать, что вам лучше. (НК: описанные субъективные взаимоотношения музыки и конкретных ламп - сугубо на совести В. Симулкина. По нашим ушам - так это из области шаманства!:)
Коммутация режимов осуществляется переключателями SA1.1 и SA1.2. Лучше всего выбрать сдвоенный галетный, причем двухплатный, по-другому двух-галетный. Связано это с тем, что между галетами необходимо поместить электростатический экран. Невыполнение этого требования может привести к возникновению самовозбуждения. В стереофоническом варианте аппарата SA1 можно выполнить в виде пары раздельных для каждого канала двухплатных переключателей, либо воспользоваться одним четырехгалетным. Устанавливать SA1 необходимо как можно ближе к оконечному каскаду и подсоединять его к соответствующим цепям проводиками минимально возможной длины. Лучше всего, если это будут непосредственно выводы резисторов R12-R15. Качеству контактных групп переключателя SA1 следует уделять самое пристальное внимание, поскольку они могут стать источником сильнейших искажений. Данный вопрос уже неоднократно рассматривался на страницах журналов, например в ["Ответы на часто задаваемые вопросы по пассивным компонентам, применяемым в аудиотехнике". "Радиохобби" N2/2000, с.48], поэтому кратко остановлюсь на важнейшем. Недопустимо использовать изделия с контактными группами, изготовленными из меди, латуни, посеребренных металлов и фосфористой бронзы. Первые три не подходят в связи с их низкой механической прочностью и склонностью к окислению, а в атмосфере крупных промышленных городов еще и образованию различных химических, в первую очередь сернистых соединений, которые являются полупроводниками; четвертый материал имеет высокое переходное сопротивление. Для первых экспериментов можно взять компоненты, у которых контактные группы выполнены из бериллиевой бронзы или имеют покрытие из сплава серебра с 40% никеля. Все эти материалы хорошо противостоят истиранию, обладают неплохими электрическими характеристиками и сравнительно дешевы. Более дорогой вариант - применение переключателей с позолоченными контактами. К "элитным" изделиям принадлежат компоненты, имеющие контактные группы с покрытием из платино-иридиооого сплава либо родия (применяемый материал указывается в спецификации предприятия-изготовителя). И, наконец, даже "самый лучший" материал окажется совершенно бесполезным, если конструкция изделия не обеспечивает надежного механического контакта, о чем тоже нельзя забывать. В принципе, SA1 можно собрать на основе реле с герметичными контактами, для чего придется организовать систему логического управления. Ее схемное решение для опытного радиолюбителя трудностей не представляет.
Кратко о цепях, связанных с SA1. Первая галета переключателя SA1.1 связана с цепью экранной сетки оконечной лампы VL2. С ее помощью выбирается желаемая схема построения выходного каскада. Неподвижные контакты, закрепленные непосредственно на галете, подключены к соответствующим выводам первичной обмотки трансформатора Тр.1 и источнику анодного напряжения, а подвижный контакт, установленный на вращающемся роторе переключателя, через резистор R15 связан со второй сеткой лампы VL2. В тетродном включении R15 служит токоограничивающим элементом, который предотвращает опасность электрической перегрузки сетки лампы. При работе в ультралинейном режиме с помощью R15 в некоторой степени уравниваются напряжения на экранной сетке и аноде VL2, а также создается местная ООС умеренной глубины, что повышает линейность каскада. В триодном включении основная функция данного элемента - антипаразитная. Впрочем, эту роль резистор R15 выполняет и в первых двух случаях.
Вторая секция переключателя SA1.2 связана с цепью катода той же лампы. К неподвижным контактам подключены катодные резисторы автоматического смещения R12-R14. В процессе наладки схемы их сопротивление подбирается таким образом, чтобы анодный ток покоя выходной лампы во всех трех включениях лежал в пределах 72-75 мА. На принципиальной схеме указаны ориентировочные значения R12-R14. Более точно подбирать их лучше лишь после того, как новые оконечные лампы будут "прожарены" на холостом ходу в течение хотя бы 20...30 часов.
Вторая секция переключателя
Вторая секция переключателя SA1.2 связана с цепью катода той же лампы. К неподвижным контактам подключены катодные резисторы автоматического смещения R12-R14. В процессе наладки схемы их сопротивление подбирается таким образом, чтобы анодный ток покоя выходной лампы во всех трех включениях лежал в пределах 72-75 мА. На принципиальной схеме указаны ориентировочные значения R12-R14. Более точно подбирать их лучше лишь после того, как новые оконечные лампы будут "прожарены" на холостом ходу в течение хотя бы 20...30 часов.
Подвижный контакт SA1.2 подключен к катоду оконечной лампы. В эту же точку подсоединен и Положительный вывод электролитического конденсатора С5. Данный элемент схемы исключает возникновение местной ООС по переменному току за счет падения напряжения на катодных резисторах. Первоначально емкость конденсатора С5 можно взять равной 1000 мкФ. Более точное во значение зависит от целого ряда факторов и не в последнюю очередь от характеристик ваших акустических систем. Разумеется, что заранее учесть их влияние в комплексе - задача весьма сложная, поэтому приходится доводить "до ума" аппарат по результатам контрольных прослушиваний.
Приведу пример из личной практики. Общепринятой упрощенной формулой для расчета емкости кинденсатора, шунтирующего катодный резистор автоматического смещения, считается следующая: Ск > 1...2х106/(FнРк), где Fн -низшая частота заданного рабочего диапазона в Гц; Rк - сопротивление резистора автоматического смещения в Ом. Подставив Fн = 10 Гц и Rк = 200 Ом, получаем Ск=500...1000 мкФ. После увеличения емкости С5 с 500 мкф до 1000 мкФ бас стал более глубоким и объемным, что в принципе можно было предсказать и заранее. Но вот наращивание ее до 2000 мкФ дало резко отрицательный эффект. В области нижнего баса появились гул и характерное "бубнение", а мидбас стал "зернистым". В придачу ко всему в среднечастотном регистре начали прослушиваться крайне неприятные посторонние призвуки. Требования к качеству данного элемента уже рассматривались при описании предварительного усилителя, но в данном случае имеется ряд нюансов. Здесь специфика связана с большой мощностью звукового сигнала, которую развивает оконечный каскад. Опять сошлюсь на собственный опыт. Были опробованы малогабаритные, толщиной не более мизинца электролитические конденсаторы Nippon, Вес и Rubycon емкостью 1000 мкФ с рабочим напряжением 63 В, которые звучали, во-первых, по-разному, что не удивительно, а во-вторых - как-то "плоско". Замена их на К50-29 с теми же номиналами, но имеющими в несколько раз больший геометрический объем, привело к положительному результату. Сразу же появились столь желанные глубина, динамика, а сам бас стал более собранным, упругим и насыщенным. Объяснение данному эффекту вижу в следующем. В оконечных каскадах к катодному конденсатору прикладывается звуковой сигнал значительной мощности. Поэтому начинает сказываться не только такая характеристика как максимально допустимое напряжение пульсации (ее необходимо учитывать и при построении каскадов предварительного усиления) но и допустимая реактивная мощность, т.е. значительное влияние оказывают тепловые процессы компонента. В заключение отмечу, что рассмотренные выше аспекты выбора комплектующих актуальны не только для данной конструкции.
Все каскады данного усилителя питаются от одного источника анодного напряжения. Междукаскадные развязки выполнены в виде RC-цепочек. Они включают в себя резисторы R7 и R16, а также электролитические конденсаторы С1.С3. По сравнению с цепями, в которых действует звуковой сигнал, требования к качеству фильтрующих элементов проще. Здесь вполне возможно испольэоввть конденсаторы типов К50-20, К50-26, К50-27, К50-31, К50-32, К50-35. Подойдут компоненты и более ранних разработок К50-3, К50-6, К50-7, К50-12. На первый взгляд, не имеет никакого значения, куда именно устанавливать в цепи питания более качественный компонент, ведь он вроде бы не взаимодействует на прямую со звуковым сигналом. Но это далеко не так. Изучим влияние оконечного каскада на предыдущие, причем, для более простого понимания происходящего будем считать, что междукаскадная развязка отсутствует. В процессе усиления сигнала полный анодный ток лампы делится на две составляющие: постоянную и переменную. Генератором последней служит сама лампа. Если бы источник анодного питания имел нулевое внутреннее сопротивление, то переменная составляющая анодного тока выходной лампы пошла бы через тот источник совершенно "прозрачно", никакого влияния на работу предыдущих ступеней не оказывая. Однако на практике любой источник питания имеет определенное, пусть даже небольшое внутреннее сопротивление. Поэтому часть переменной составляющей анодного тока оконечной лампы ответвляется в анодные цепи предыдущих каскадов, собранных на триодах VL1.1 и VL1.2. При этом данная часть тока проходит через гасящие резисторы R16 и R7 (они устанавливаются, поскольку напряжение питания предварительных каскадов обычно ниже, чем выходных), анодные нагрузочные сопротивления R8 и R5, разделительные элементы R6 и С4, а также резистор утечки R10.