В сокращении. Полный текст статьи в приерепленном файле
В статье приведен краткий анализ параметров триодного однотактного каскада с выходным трансформатором типа ТВЗ и определены его реально достижимые параметры. Предложен способ переделки трансформаторов типа ТВЗ, не связанный с его перемоткой, позволяющий улучшить его параметры. Приведена схема лампового усилителя, предназначенного для работы с переделанным трансформатором, и приведены результаты его испытаний.
Эта статья носит прикладной характер и предназначена для достаточно опытных радиолюбителей. Я не буду вдаваться в подробности выбора элементов – рекомендаций, хоть пруд пруди - и подробности монтажа, а ограничусь только сведениями, дающими возможность повторить усилитель всем желающим.
Множество разговоров про чудо лампового звука, естественно, вызывает желание это чудо услышать; и первое, с чем столкнутся желающие – проблема выходного трансформатора. Проблема решается тремя путями.
Первый путь – изготовление трансформатора самостоятельно, это вполне возможно, но совсем не просто.
Второй путь – купить хороший выходной трансформатор, это просто, но совсем не дешево.
Третий путь – использовать то, что наиболее доступно, как в физическом, так и в финансовом плане.
Так как большинство людей идет третьим путем, я решил его изучить более подробно и проследовал на радиорынок. Зрелище, как говаривал ослик Иа, было душераздирающим. Фактически, оказались доступными только выходные трансформаторы от старых телевизоров. Зато можно было выбрать разные типы, и цена могла согреть даже душу скряги: она колебалась от 0.3 до 0.6 доллара, в зависимости от количества алкоголя, выпитого продавцом. Чаще всего встречались трансформаторы типа ТВЗ-1-9, их я и приобрел для экспериментов. Купил я и трансформаторы других типов для сравнения. Как оказалось, лучшими по параметрам оказались трансформаторы ТВЗ-1-1 и ТВ-2А-Ш наиболее почтенного возраста, но ТВЗ-1-9 было больше, именно с ними я решил бороться дальше.
Задача была поставлена следующим образом – попытаться улучшить параметры трансформатора его переделкой, но не перемоткой, а потом спроектировать выходной каскад так, чтобы максимально скомпенсировать его недостатки.
Переделка трансформатора.
Переделка трансформатора заключается в изменении способа сборки сердечника. Исходно сердечник собран с зазором (реально, и Вы это увидите, прокладки в сердечнике нет, используется конструктивный зазор). Давайте удалим зазор сборкой сердечника вперекрышку и посмотрим, что получится.
Для переделки трансформатор надо вынуть из металлической обоймы, предварительно разогнув крепежные лапки. Далее, изъяв из катушки магнитопровод, аккуратно отделите пластины друг от друга и соберите сердечник вперекрышку. Сборку сердечника делайте тщательно, для уменьшения конструктивного зазора, и обязательно используйте все имеющиеся в наличии пластины. Скорее всего, замыкающих пластин не хватит, поэтому желательно иметь еще один трансформатор с аналогичным сердечником. Если Вы переделываете два трансформатора, число пластин в обоих должно быть одинаковым. Вид переделанного трансформатора без обоймы показан на рисунке 5.

После сборки трансформатор желательно вставить в обойму. Легче всего это проделать, используя большие слесарные тиски, но особенно не усердствуйте – большие механические напряжения ухудшают магнитные свойства стали.
Я проделал все вышеуказанные операции и измерил параметры трансформатора.
Получилось следующее:
Индуктивность первичной обмотки 12.3 H;
Индуктивность рассеяния 57 mH;
Емкость 0.3 µF.
Коэффициент трансформации и сопротивления обмоток, естественно, не изменились.
Как Вы видите, параметры трансформатора существенно улучшились – индуктивность первичной обмотки выросла почти в два раза, а паразитные параметры не изменились. Вы можете справедливо отметить: в трансформаторе нет зазора, следовательно, нет его линеаризующего воздействия – согласен, но заметьте, отсутствие подмагничивания дало нам уменьшение амплитуды магнитной индукции в сердечнике на 0.3 Т при одинаковой выходной мощности. В итоге, коэффициент искажений, вносимый трансформатором, уменьшился. Совершенно очевидно, что возросшая индуктивность первичной обмотки позволяет расширить полосу воспроизводимых частот.
Теперь, конечно, трансформатор не может работать с подмагничиванием, и для его возбуждения необходимо использовать другой тип выходного каскада.
Выходной каскад
Наиболее очевидный путь - использовать дроссельный выходной каскад [2] и отделить трансформатор от цепи анода лампы емкостью (рисунок 6).

Это решает основную задачу - исключить подмагничивание выходного трансформатора, но требует использования дросселя в анодной цепи. Требования к дросселю предъявляются не менее жесткие, чем к выходному трансформатору (по величине индуктивности, амплитуде индукции и паразитным параметрам). Поэтому, этот вариант для нас неприемлем. Хочу сразу предупредить читателей, что использование дросселей фильтров в этой схеме абсолютно недопустимо.
Наиболее подходящей для наших целей является схема с источником тока в цепи анода [3] (рисунок 7).

Такая схема имеет ряд преимуществ по сравнению с дроссельным каскадом. Высокое выходное сопротивление источника тока позволяет получить от лампы максимальное усиление, каскад имеет более широкую полосу воспроизводимых частот, снижаются требования к источнику питания, вся конструкции имеет гораздо меньшие габариты.
Хочу более подробно коснуться вопроса полосы воспроизводимых частот и качества источника питания. Если в дроссельном каскаде принять индуктивность дросселя, равной бесконечности, а паразитные параметры равными нулю, то каскады будут иметь одинаковые параметры по коэффициенту усиления и полосе воспроизводимых частот. Но реализовать такой дроссель невозможно с реальным дросселем, так как конечная индуктивность ограничит полосу частот снизу, а паразитные параметры сверху. А вот источник тока с параметрами, близкими к идеальным, реализовать вполне возможно. Большим плюсом каскада с источником тока является отсутствие жестких требований к элементам источника питания, через него не протекает переменная составляющая тока нагрузки, а замыкается в контуре, образованном лампой, разделительной емкостью и первичной обмоткой трансформатора. Это дает возможность использовать в источнике любые типы емкостей и, в общем, не особенно важна амплитуда пульсаций.
Существуют и минусы.
Самым неприятным является то, что требуемое напряжение питания гораздо выше (как минимум в полтора раза по сравнению с дроссельным каскадом). Эффективность каскада, соответственно, меньше. И схема каскада гораздо сложнее.
Источник тока можно выполнить по любой схеме, как на лампе, так и на транзисторах. Я склонился к варианту на транзисторах по следующим причинам. Транзисторная схема позволяет получить более высокое качество стабилизации тока, минимальное рабочее напряжение гораздо ниже (итак, требуется весьма высокое анодное напряжение), не требуется дополнительная накальная обмотка для верхней лампы.
Предметом Вашей особой заботы должна стать разделительная емкость Cc. Ее качество будет влиять на выходной сигнал, так как через нее протекает выходной ток лампы. Про электролитические конденсаторы сразу следует забыть, можно использовать бумажные и пленочные емкости. Эта проблема не так страшна, как кажется, так как емкость относительно не велика и вполне может быть набрана даже из емкостей типа К73-17, 1.0х400V.
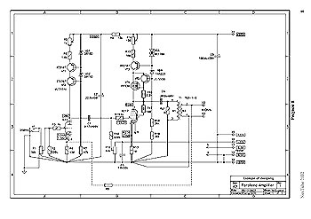
Схема усилителя
Полная принципиальная схема усилителя приведена на рисунке 8, там же указаны режимы ламп по постоянному току. Выбор активных компонентов схемы, в основном, определился возможностью их приобретения широким кругом радиолюбителей.

Усилитель двухкаскадный: первый каскад выполнен на триодной части лампы VL1, выходной каскад на пентодной части, которая включена триодом. В обоих каскадах в анодной цепи используются источники тока. Преимущества использования источника в выходном каскаде мы обсудили выше, использование источника тока в каскаде предварительного усиления также вполне обосновано.
Во-первых, это дает возможность получить от лампы максимальное усиление. Во-вторых, работа лампы при фиксированном токе позволяет снизить коэффициент гармоник каскада в два - два с половиной раза. Хорошая частотная характеристика обеспечивается выбором достаточно большой величины тока покоя лампы. В каскаде используется автоматическое смещение, образующееся на резисторе R4, также через него вводится не глубокая местная отрицательная обратная связь. При желании, усилитель можно охватить общей обратной связью, подав в цепь катода триода часть сигнала с выхода усилителя, через резистор R8.
В выходном каскаде используется фиксированное смещение, величина которого регулируется резистором R12. Основное назначение резистора R13 - обеспечить удобное измерение тока покоя выходного каскада, здесь желательно использовать однопроцентный резистор.
Для защиты компонентов выходного каскада от перенапряжений используется варистор RU1 с квалификационным напряжением 180V (SIOV-S05K180). Малые паразитные параметры варистора практически не оказывают влияния на выходной сигнал. В место варистора можно использовать газовые разрядники легкой серии или телекоммуникационные супрессоры с малой емкостью на подходящее напряжение.
Применение сложных каскодных источников тока обусловлено большим размахом переменного напряжения на анодах ламп [4] (особенно в выходном каскаде). Использование простых схем на одном транзисторе (это относится и к варианту источника тока на полевом транзисторе с резистором в цепи истока), рекомендуемых некоторыми авторами, не позволяет обеспечить приемлемый уровень стабилизации тока в широком диапазоне частот. В выходном каскаде даже использование каскодной схемы не решает всех проблем. На частотах, превышающих 25.30 kHz, начинает становиться заметным спад усиления за счет влияния емкостей транзистора VT4. Несколько расширить полосу частот каскада можно, заменив пару транзисторов VT4, VT5 на один высокочастотный, высоковольтный PNP транзистор подходящей мощности (например, типа 2SB1011). Однако такие транзисторы не являются широко доступными, поэтому приведена схема на более доступных компонентах.
Я хочу коснуться еще одного вопроса, связанного с применением источников тока и их влиянием на качество звука. Идеальный источник тока, естественно, не окажет никакого влияния, но реальные схемы могут оказывать. Прежде, чем рекомендовать эту схему, я ее достаточно подробно исследовал, и существенного ухудшения спектра выходного сигнала в диапазоне звуковых частот не обнаружил. Для исследований использовался спектроанализатор с динамическим диапазоном 120db и селективный вольтметр с еще более впечатляющими параметрами – 140db. Конечно, отличия от резистивного каскада существуют, но на уровне -80.-90 db. Во многих случаях, это уже ниже собственных шумов каскада. Действительно на что надо обратить внимание, это уровень шумов каскада с источником тока. Применение активных элементов в цепи анода приводит к некоторому возрастанию шумов, это в равной мере относится и к источникам, выполненным на лампах, но для каскадов, работающих с уровнями входных сигналов в сотни милливольт, принципиального значения не имеет. Во входных каскадах высокочувствительных усилителей это надо иметь в виду.
Я не сторонник подхода борьбы “за чистоту рядов” ради самой борьбы и отрицания реальных преимуществ гибридных схем. Результатом такого подхода, на мой взгляд, будет топтание вокруг решений 50-х годов прошлого века и рассуждения о необходимом составе используемого припоя. Самым пикантным в нашем случае является то, что сигнал усиливается именно лампами (через источник тока переменная составляющая практически не протекает).
Налаживание усилителя
При использовании заведомо исправных деталей и правильном монтаже проблем с налаживанием не возникает. Для налаживания усилителя, как минимум, необходим тестер, очень желательно наличие генератора и осциллографа. Перед включением усилителя установите движки переменных резисторов R5, R14 в верхнее по схеме положение (соответствует минимальному току), R12 - в нижнее положение. Это не ошибка, лампу надо полностью отпереть. Вход усилителя должен быть закорочен. Сначала установите ток покоя первого каскада (R5), потом выходного (R14). Нужное напряжение на аноде VL1:2 (R12) устанавливается в последнюю очередь. Точную подстройку напряжения смещения VL1:2 выполняют, подав на вход усилителя сигнал (выход, естественно, должен быть нагружен на эквивалент нагрузки). Необходимо добиться максимального размаха напряжения на аноде выходной лампы при минимальных искажениях.
Следует заметить, что ограничение верхней полуволны выходного напряжения происходит довольно резко. Это связано с выходом источника тока из режима стабилизации. При использовании лампового источника тока этот эффект менее заметен.
В схеме выходного каскада существует интересная возможность. Разделительная емкость C4 совместно с индуктивностью первичной обмотки образуют низкодобротный, последовательный резонансный контур. Резонансная частота контура с номиналами элементов, указанных на схеме, приблизительно равна 10 Hz и существенного влияния на выходной сигнал не оказывает.
Уменьшая значение емкости C4, можно сдвинуть резонансную частоту контура в область более высоких частот, что приведет к подъему (расширению) частотной характеристики в низкочастотной области. Это теоретические предпосылки, реальные процессы, происходящие в этом контуре, гораздо сложнее, и результат не всегда однозначен. Я не берусь давать Вам по этому поводу рекомендаций (это надо слушать), и проведение такого эксперимента оставляю на Ваше усмотрение.
Компоненты
Конкретные типы компонентов я перечислять не буду, но хочу обратить Ваше внимание на некоторые моменты.
Подстроечные резисторы, очень желательно, применить многооборотные. Вполне подойдут типы – СП3-37, СП3-39, СП5-2, СП5-3, СП5-14
В качестве разделительной емкости C4 желательно использовать металлобумажные типы емкостей (МБГЧ, МБГО, МБГТ) с рабочим напряжением не менее 400 V.
Транзистор VT4 необходимо установить на радиатор, способный рассеять 5.6 W мощности (необходимая площадь радиатора - 120.150 см2).
Заключение
Получившийся усилитель – это не “Ongaku”, но и не говорящая консервная банка китайского производства за 20 долларов. У него чистый певучий звук. Конечно, маленькая выходная мощность накладывает определенные ограничения на его использование. Для озвучивания комнаты среднего размера эта мощность явно маловата, но как телефонный усилитель он будет совсем не плох.
Я бы сравнил этот усилитель с флакончиком пробных духов, Вы сможете сами оценить особенности лампового звука и решить, насколько он Вам нравится, а не полагаться на мнение других людей.
Усилитель можно совершенствовать дальше. Весьма перспективным направлением является использование более линейных ламп. Результаты моделирования показали, что использование на выходе триодов средней мощности позволяет уменьшить коэффициент гармоник на полной мощности еще в полтора - два раза. Но это неизбежно приводит к увеличению числа ламп (которые еще и дефицитны) и усложнению схемы.
Не сошелся свет клином и на трансформаторах ТВЗ. Опытные радиолюбители на основе описанного подхода, используя более качественные трансформаторы, могут реализовать свои конструкции с гораздо лучшими параметрами. Потенциальные возможности выходного каскада с источником тока довольно велики.
В заключение, я хочу заметить, что использование трансформаторов типа ТВЗ - это большой компромисс между качеством и стоимостью. Для реализации высококачественного лампового усилителя необходимо использование хорошего выходного трансформатора.
Литература
- Г.С. Цыкин, Трансформаторы низкой частоты, Связьиздат, 1955
- Г.В. Войшвилло, Усилители низкой частоты, Связьиздат, 1939.
- А.П. Ложников, Е.К. Сонин, Каскодные усилители, Энергия, 1964.
- П. Хоровиц, У. Хилл, Искусство схемотехники, Мир, 1983.
(с) Евгений Карпов, 2002; (с) Энциклопедия ламповой радиоаппаратуры, 2002
Комментарии