Интерфейс предназначен для работы цифровыми видами связи. USB-порт для работы "в цифре" выбран потому, что современные ноутбуки, как правило вообще не имеют COM-портов.
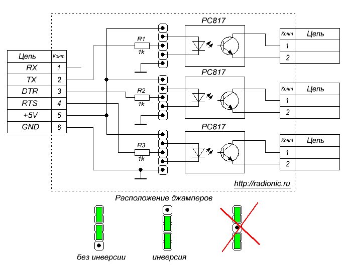
Интерфейс позволяет управлять трансивером по САТ порту и CW. Состоит из двух плат-модулей, платы USB-UART, которую можно собрать самостоятельно (см. http://e-kit.su/main/192 ) или приобрести готовую на сайте http://e-kit.su и платы опторазвязки. Модуль USB-UART создает нам виртуальный COM-порт, а опторазвяза нужна для формирования "правильного сигнала" и для гальванической развязки трансивера и компьютера. Схема очень проста:

Устройство состит из трех оптопар. Причем, для работы цифровыми видами - достаточно одной, для переключения трансивера в режим передачи, обычно для этих целей программами используется сигнал DTR или RTS, для работы CW - достаточно двух (DTR, RTS). Но у меня есть планы по использованию линии TX, поэтому сделал "с запасом". Устройство может быть непосредственно подключено к трансиверу, либо можно на выходы оптопар поставить реле.
Печатная плата в формате LAY: cwptt.zip
По аудио трансивер и компьютер можно связать аудиоинтерфейсом, например вот этим: Простой интерфейс TRX-PC
Ну и конечно же пример, как это может быть использовано.
Для примера я просто подвесил два светодиода на выходы оптопар (RTS и DTR).

В качестве программы управления использовалась программа UR5EQF.
После подключения устройства к компьютеру, необходимо установить драйвера, в результате у нас в системе появится COM-порт. Далее, в програме UR5EQF , в настройках (Установки -> Настройка программы -> Настройка PTT) неоходимо выбрать появившийся COM-порт и назначить какой сигнал будет PTT, а какой CW. например, так:

На этом собственно все, можно приступать к работе в эфире.
Ну и наконец видео, как это все работает:
Комментарии
Плата оптронов. Вариант
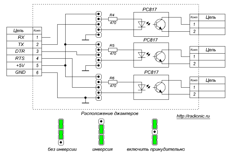
Плата оптронов. Вариант 2.
Немного изменил схему, теперь вместо "запрещенного" положения джамперов - принудительное включение, для тестирования.
Печатная плата в формате LAY: