
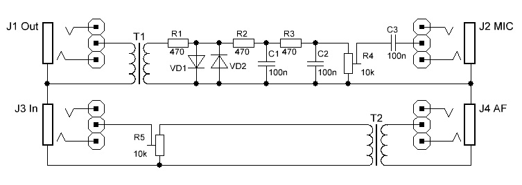
Итерфейс предназначен для гальванической развязки компьютера и трансивера (приемника). Принципиальная схема интерфейса:

Гальваническая развязка обеспечивается трансформаторами Т1 и Т2, подстроечные резисторы обеспечивают возможность регулировки уровня сигнала. Кроме того, сигнал прежде чем попасть на микрофонный вход радиостанции еще и дополнительно ограничивается диодами VD1-VD2 и проходит через простой RC-фильтр нижних частот, с частотой среза в районе 2,5-3 кГц, убирая все лишнее из полученного от компьютера сигнала. Джампера предназначены для возможности переключения левого и правого канала.
Трансформаторы Т1 и Т2 можно применить из серии ТОТ, или любые подходящие по параметрам. Можно изготовить самостоятельно, используя трансформаторы от старых транзисторных приемников, в этом случае нужно намотать любым подходящим по диаметру проводом (0,06-0,08 мм) не менее 500 витков на каждую обмотку (если место позволяет то количество витков можно увеличить до 1000). Сопротивление обмоток должно быть в пределах 200-1200 Ом, коэффициент трансформации от 1:1 до 1:5. Важно обеспечить хорошую изоляцию между обмотками. Также в качестве трансформаторов можно использовать обмотки реле, например РПС-34Б.
Конструктивно интерфейс выполнен на печатной плате из одностороннего стеклотекстолита:

Расположение деталей на плате прекрасно видно на фото:

Файлы: trxpc.zip - принципиальная схема в формате SPL и топология печатной платы в формате LAY
Комментарии