Микротрансивер «Микро-80»: старое и новое

Микротрансивер «Микро-80» 

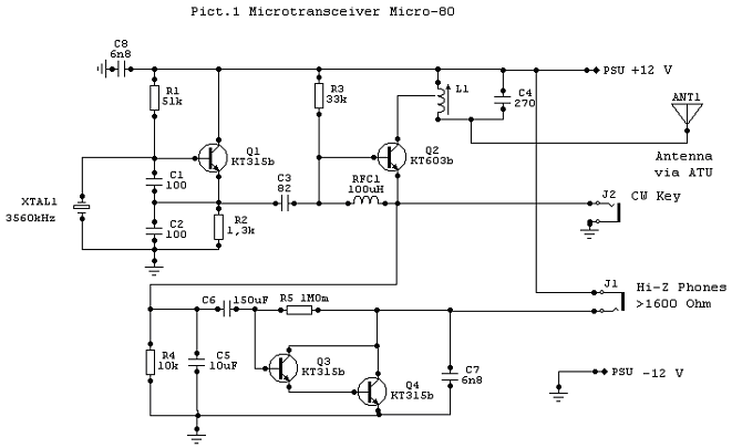
Я до сих пор получаю много писем с вопросами относительно «Микро-80» и постараюсь здесь осветить некоторые из них. Впервые схема «Микро-80» была опубликована в журнале “SPRAT” G-QRP Клуба больше, чем 10 лет назад, (рис.1) и неоднократно перепечатывалась в различных радиолюбительских изданиях. Это был прототип хорошо известных радионаборов микротрансиверов “PIXIE-2” и “Tiny Tornado”. "Основа" этого микротрансивера - ВЧ транзистор средней мощности Q2, используемый как PA при передаче или смесителя для режима приема. Обычный xtal генератор на одном транзисторе и простой усилитель звуковой частоты по схеме составного транзистора - дали мне шанс изготовить самый маленький по размерам, но действительно работающий CW микротрансивер. Печатная плата имеет размеры 35x50 мм, и это был рекорд миниатюризации в течение нескольких лет. Сравнив схему микротрансивера “PIXIE-2”, Вы увидите тот же самый “Микро-80”, но два транзистора в усилителе НЧ заменены интегральной микросхемой LM386, только и всего.

Прежде всего, надо заметить, что “Микро-80” разработан в основном для диапазона 80 м. Многие эксперименты показали, что наилучшие результаты получаются именно на 80 м. Хотя некоторые экземпляры трансивера могут работать достаточно неплохо на 40, 30 и 20 м диапазонах. Но выходная мощность и чувствительность в режиме приема в диапазоне 20 м слишком низки. Мои испытания с вариантом на 20 м дали приблизительно 25 uV чувствительность и 70 - 80 mW выходной мощности. Те же самые испытания с вариантом на 80 м дают больше, чем 300 mW на выходе и лучше, чем 5 uV чувствительности приемника. Качество CW-сигнала оставалось хорошим для любого варианта.

Относительно выходного/входного фильтра. Мне часто задают вопросы относительно используемого обычного параллельного фильтра. Почему не фильтр нижних частот? В ответе на этот вопрос теория отсутствует, одна только практика. Я пробовал разные типы фильтров, но лучшие результаты мне дал обычный параллельный фильтр с отводом от части индуктивности. При этом получалась самая высокая выходная мощность без ухудшения параметров при приеме. Пробуйте сами разные варианты фильтров, пожалуйста, и вы в этом убедитесь!

Много вопросов относительно возможности перестройки по частоте. Жаль, что самая простая схема генератора исключает возможность сохранения высокой стабильности при перестройке по частоте с помощью переменной индуктивности или емкости. Нестабильность частоты может быть столь значительной, что связь станет невозможной. Во-вторых, вы будете иметь большой частотный "сдвиг" между RX и TX, я пробовал - приблизительно 20- 30 кГц! Хороший единственный способ – это использовать кварцевый генератор с “уводом” частоты с помощью переменного конденсатора или переменной индуктивности (рис.2).

  

Впрочем, желающие могут поэкспериментировать с перестраиваемым генератором, подключенным через хорошую «развязку». Такой «развязкой» может быть истоковый повторитель на полевом транзисторе типа КП303 или КП302. Мои эксперименты с эмиттерным повторителем на транзисторе КТ315 положительных результатов не дали, и я отказался от дальнейших усложнений схемы, поскольку главной целью было создать простейший работающий микротрансивер.

Где-то на страницах SPRAT мне попадался материал, где описывался вариант «увода» частоты кварца вверх и вниз с помощью одновременно последовательно включенных катушки индуктивности и КПЕ. К сожалению, все мои старания с подбором необходимой для этого индуктивности ни к чему не привели. Конденсатор последовательно с xtal может дать Вам частотный сдвиг приблизительно 2-3 кГц вверх от основной частоты кварца, а индуктивность - 1,5- 2 кГц вниз. Обычно, я использую переменный конденсатор от 5 до 50 pF и могу сдвигать 14060 кГц xtal к 14070 кГц без проблем. Между прочим, этот метод дает мне, возможность использовать 20 м версию “Микро-80” для приема станций PSK31 на 14070 кГц. Вы можете пробовать это также, и я уверен, что вы будете иметь большое удовольствие!

Следующий вопрос касается источника питания. «Микро-80», подобно другим приемникам прямого преобразования, имеет высокое усиление по звуковым частотам. И в связи с этим - очень высокую чувствительность для малейшего фона переменного тока от источника промышленной частоты. Я сомневаюсь, что Вы сможете формировать источник питания самого высокого качества с импульсами тока меньше чем 5 uV! С любым сетевым блоком питания вы будете слышать фон переменного тока частотой 50-100 Гц в ваших наушниках. По схеме видно, что телефоны соединяются с «плюсом» источника питания непосредственно. Так что рекомендую использовать батарею от 9 до 12 вт емкостью 1 A/час. Я имел хорошие результаты, используя NiMn аккумулятор от переносного кассового аппарата. Такой аккумулятор мог работать на протяжении дня без подзарядки. Для работы в автономных условиях я также использовал солнечные батареи совместно с аккумулятором (рис.3).

ЫSolap panel  

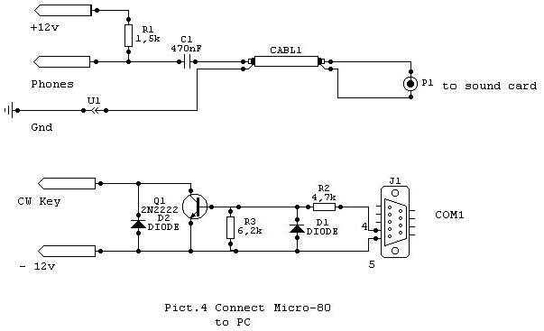
Многие радиолюбители используют компьютер совместно с трансивером. Вариант простого подключения «Микро-80» к компьютеру показан на рис. 4.

Connect Micro-80  

УНЧ микротрансивера соединяется со звуковой платой компьютера через конденсатор. При этом вместо наушников подключается резистивный эквивалент нагрузки. Также любой COM-порт компьютера подключается через транзисторный ключ к гнезду “CWKey” микротрансивера. Имеется много программного обеспечения для приема и передачи Кода Морзе. Я лично нашел очень удобным для этой цели программное обеспечение CW-GET и CW-TYPE UA9OSV. Это свободно распространяемые программы и их можно найти на www.qrz.ru в файловом архиве. Кстати, для приема PSK31 на «Микро-80» в диапазоне 20 м (14070 кГц) я использовал программу DigiPan. К сожалению, невозможно использовать «Микро-80» для режима передачи PSK31!

Попробуйте столь простой микротрансивер в работе на QRPp, и вы получите массу удовольствия, я уверен.

Надеюсь, встретить Вас на QRP частотах!

73! de RV3GM/QRP Oleg V. Borodin 

«CQ-QRP», №1

Комментарии

Печатная плата трансивера в формате LAY: micro80.zip

Фото  собранного микротрансивера:

 Микротрансивер «Микро-80»Микротрансивер «Микро-80» 

Микротрансивер «Микро-80» 

 В трансивере применен кварц на 3,579 МГц.

 L - диам. 8мм с подстроечниым сердечником от ПЧ телевизора (часть каракаса катушки отрезается и приклеивается на плату, для уменьшения габаритов катушки), всего 24 витка проводом ПЭЛ-0,4 с отводом от 6-го витка сверху (для 80-метрового любительского диапазона). Настраивается по максимальной чувствительности при приеме, или по максимальным показаниям индикатора поля при передаче.

Комплект из двух трансиверов уверенно работал в пределах квартиры (в качестве антенн - куски провода длиной в пару метров). Конечно, основные испытания (с полноценной антенной диапазона 80 метров) еще впереди, так что продолжение следует...

PS. Если решите повторить конструкцию, но есть проблема с изготовлением печатной платы - обращайтесь в личку, есть несколько печаток, готов поделиться - членам клуба естественно бесплатно, включая пересылку. Для остальных - пишите, договоримся.

 

 

Микротрансивер «Микро-80»Микротрансивер «Микро-80»

Сначала была мысль засунуть эту игрушку в корпус, но ничего походящего не нашлось, а изготавливать корпус специально слишком хлопотно, поэтому решил поступить проще - добавить к основной плате две платы с установленными на ней необходимыми разъемами и все это разместить на кусочке листового материала (в данном случае пластика).

Микротрансивер «Микро-80» 

Файлы:

micro80a.zip - топологии печатных плат в формате LAY