Перейти к основному содержанию

Primary links

  • Клуб онлайн
    • Главная
    • О клубе
    • Новости клуба
    • Помощь клубу
    • Ламповые души
  • Радиотехника ХХ века
    • Радиоаппаратура СССР
    • - по названию
    • - по году выпуска
    • Радиозаводы СССР
  • Навигатор
    • Рассылка
    • "Радиолюбитель"
    • Форум
  • Полезности
    • Справочник
    • Памятные даты

Anonumous menu

  • Войти

Audio Note M7

Строка навигации

  1. Главная
  2. Форумы
  3. Радиотехника ХХ века
  4. Каталог
  5. Ламповые усилители
4 сентября 2012
Постоянный адрес статьи: https://radionic2.pro/node/842

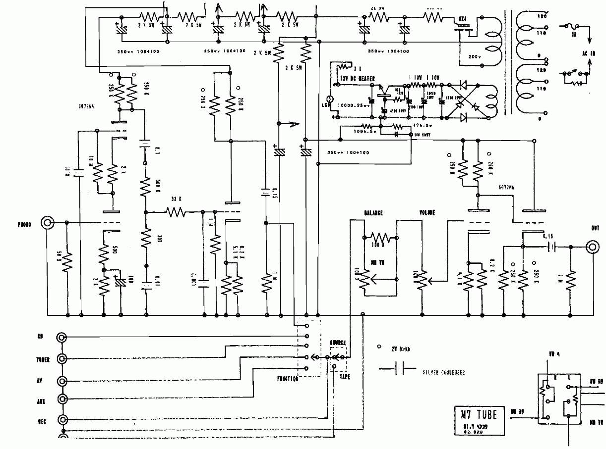
Audio Note M7 

Принципиальная схема усилителя в формате DjVu: m7tube.djvu

  • Войдите или зарегистрируйтесь, чтобы оставлять комментарии

Комментарии

Новости
  • 19.04.2023Региональный этап чемпионата по профессиональному мастерству "Профессионалы" Челябинской области. (Челябинск) далее>>>

  • 18.04.2023С Днём радиолюбителя! далее>>>

  • 14.04.2023Нагревательный столик для пайки SMD далее>>>

  • 23.03.2023Примерная программа кружка юных радиооператоров далее>>>

Новые публикации
  • хелат железа для растений
  • подсветка натяжных потолков в прихожей
  • Получение второго гражданства или ВНЖ в странах СНГ и Евросоюзе
  • ПАРКС 008
  • Устройство зарядное для аккумуляторных батарей типа "7Д-0,115"
  • Зарядное устройство "Ника"
  • Зарядное устройство "ЗУ"
  • Зарядное устройство "ЗУ-1"
  • Зарядное устройство "ЗУ-3М"
  • Зарядное устройство "ЗУ 3Д-01"
подробнее
Последние комментарии
  • - Электрофон "Волна-307-стерео"
    09.01.2025 - 22:00 от john
  • - Листая старые страницы...
    30.11.2024 - 15:48 от john
  • - Листая старые страницы...
    21.11.2024 - 11:49 от john
  • - Листая старые страницы...
    10.11.2024 - 17:02 от john
  • - Листая старые страницы...
    10.11.2024 - 16:59 от john
  • - Листая старые страницы...
    03.11.2024 - 18:47 от john
  • - Листая старые страницы...
    26.10.2024 - 08:08 от john
  • - Листая старые страницы...
    20.10.2024 - 21:00 от john
  • - Листая старые страницы...
    12.10.2024 - 21:11 от john
  • - Листая старые страницы...
    29.09.2024 - 16:38 от john
Copyright © 2009-2026 EVM, © 2022-2026 ZhV