МС СССР Е.Кургин (UG6AD)
Схема этого ключа была опубликована в журнале "Радио" №2, 1981 г. (стр. 17-19), после чего она была повторена многими радиолюбителями, не смотря на то, что схема довольно громоздкая (15 корпусов!). Отзывы о работе ключа непременно положительные. Конечно сегодня все это, и даже более, можно реализовать всего-лишь на одном микроконтроллере...
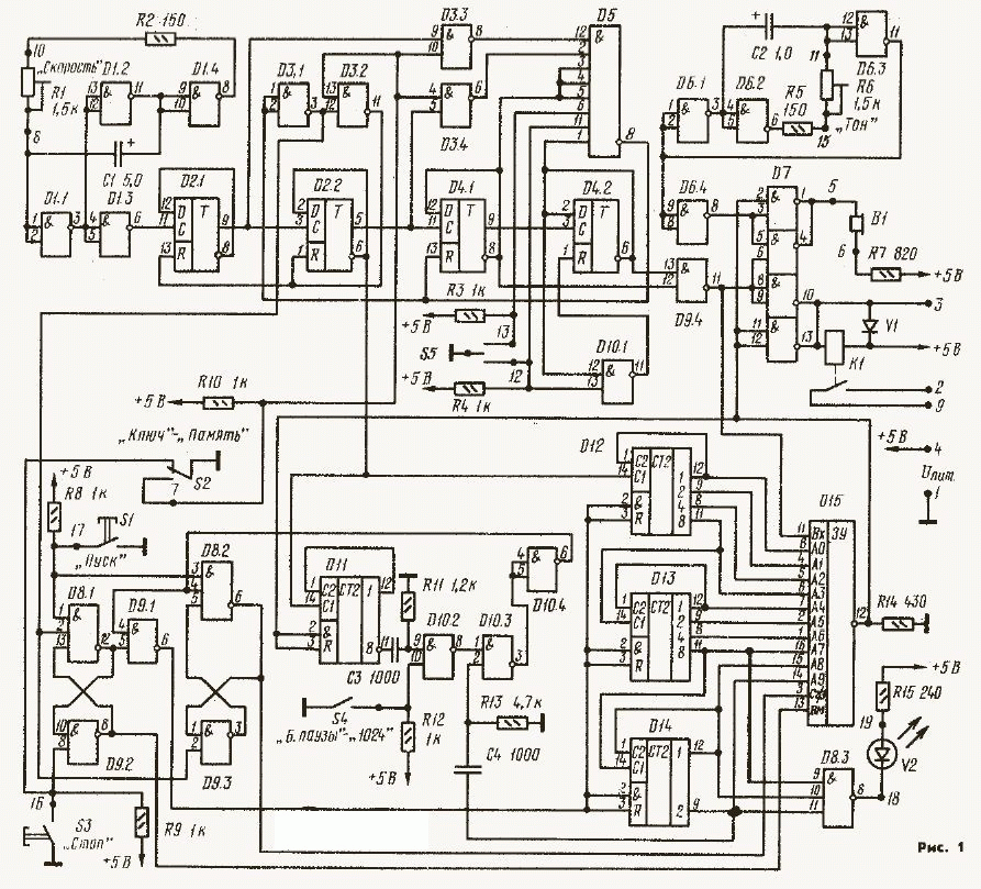
Принципиальная схема ключа приведена на рисунке 1.
Печатная плата двухсторонняя, размерами 100 х 100, на ней размещаеются практически все детали, за исключением индикации и органов управления (рис.2, 3):

Литература:
Комментарии
А вот такой экземпляр ключа
А вот такой экземпляр ключа совсем недавно попал в мою коллекцию: http://oldradio.su/main.php?g2_itemId=39703
Ключ собран на микросхемах 133 серии.