Радиола "Минск-58"

Радиола "Минск-58" 

Сетевая ламповая радиола "Минск-58" выпускалась на Минском радиозаводе с 1958 года. 

Радиола "Минск-58" состоит из шестилампового приемника и универсального проигрывателя для воспроизведения записи как с обычных, так и с долгоиграющих грампластинок. В радиоле имеются внутренняя магнитная антенна для приема на длинных и средних волнах и внутренний диполь для приема на УКВ.

Акустическая система объемного звучания состоит из трех громкоговорителей.

Переключатель рода работ - клавишный.

Габариты радиолы: 590х330х426 мм; вес 19 кг.

Приемник имеет следующие каскады:

  1. УВЧ и преобразователь частоты для УКВ диапазона на лампе 6Н3П.
  2. Первый УПЧ для УКВ диапазона и преобразователь частоты для остальных диапазонов на лампе 6И1П.
  3. Комбинированный УПЧ для всех диапазонов на лампе 6К4П.
  4. Второй каскад УПЧ и предварительный УНЧ на лампе 6Н2П.
  5. Оконечный усилитель на лампе 6П14П.
  6. Оптический индикатор настройки на, лампе 6Е5С.

Для детектирования AM сигналов служит полупроводниковый диод типа Д2В, а для детектирования ЧМ сигналов применен частотный детектор на двух диодах типа Д2В. Кроме того, еще один диод Д2В использован в динамическом ограничителе амплитуды перед частотным детектором.

В выпрямителе применен селеновый столбик типа АВС-120-270.

Диапазон принимаемых частот:

  • Длинные волны - ДВ: 150-410 кГц (2000 - 723 м);
  • Средние волны - СВ: 520 - 1600 кГц (577 - 187,5 м);
  • Короткие волны - КВ-1: 9,0 - 12,1 МГц (33,4 - 24,8 м);
  • Короткие волны - КВ-2: 5,56 - 7,7 МГц (54,0 - 39,0 м);
  • Короткие волны - КВ-3: 3,95 - 5,56 МГц (76 - 54,0 м).
  • УКВ: 64,5 - 73 МГц (4,65-4,11 м).

Промежуточная частота для УКВ диапазона 8,4 МГц я для остальных диапазонов 465 кГц.

Основные технические данные

Чувствительность для AM тракта 60 мкВ и для УКВ диапазона 15 мкВ.

Чувствительность с гнезд звукоснимателя 0,25 В.

Избирательность. Ослабление чувствительности при расстройке на +-10 кГц не менее 30 дБ и при расстройке на +-250 кГц (на УКВ) не менее 26 дБ. Ослабление сигнала по зеркальному каналу более 34 дБ иа длинных, более 26 дБ на средних и более 14 дБ на коротких волнах и более 20 дБ на УКВ.

Частотная характеристика. Полоса воспроизводимых звуковых частот в УКВ диапазоне лежит в пределах 100-10000 Гц.

Выходная мощность 2 вт.

Питание

Питается радиола от сети переменного тока напряжением 110, 220 и 127 В. Потребляемая мощность 70 Вт.

Особенности схемы

1. УКВ тракт построен по типовой схеме, имеет отдельный детектор с предварительным ограничением амплитуды.

2. Усилитель промежуточной частоты AM тракта - двухкаскадный. Первый каскад работает на лампе 6К4П, второй - на одном из триодов лампы 6Н2П; всего в УПЧ шесть настроенных контуров, причем в два первых фильтра введена переменная связь между контурами, используемая для регулирования полосы пропускания и механически объединенная с регулятором тембра в области верхних звуковых частот. В УПЧ ЧМ тракта семь настроенных контуров.

3. Детектирование AM сигналов производится по обычной простейшей схеме с помощью диода Д2В; продетектированное этим диодом напряжение используется также и для АРУ.

4. Частотный детектор в отличие от большинства других приемников выполнен не по схеме детектора отношений, а по схеме частотного дискриминатора. При такой схеме детектирования кратковременные изменения амплитуды сигнала оказывают воздействие на выходное напряжение. Поэтому для ослабления влияния помех перед детектором введен отдельный ограничитель амплитуды, состоящий из диода Д2В (A1), и фильтра R19С61, которые шунтирует первичный контур последнего ФПЧ.

АРУ действует также и при приеме ЧМ сигналов: напряжение АРУ в этом случае снимается с сопротивления R24.

5. Предварительный УНЧ работает на втором триоде лампы 6Н2П. Для уменьшения искажений в УНЧ в цепь катода этой лампы вводится напряжение отрицательной обратной связи, снимаемое со вторичной обмотки выходного трансформатора.

6. Регулирование тембра в области, верхних звуковых частот ступенчатое и осуществляется за счет изменения данных цепи отрицательной обратной связи. Регулирование тембра в области нижних звуковых частот также ступенчатое и производится переключением находящихся в цепи управляющей сетки оконечной лампы элементов частотно-зависимой отрицательной обратной связи.

7. Для выпрямления переменного тока использована двухполупериодная мостовая схема. Часть первичной обмотки выходного трансформатора включена так, что она компенсирует фон выпрямленного тока.

Детали

Силовой трансформатор. Сетевая обмотка состоит из 2х(465+65) витков провода ПЭЛ 0,35. Повышающая обмотка содержит 1020 витков ПЭЛ 0,25. Обмотка накала лампы 6Н2П имеет 25 витков ПЭЛ 0,41, а обмотка накала остальных ламп - 27 витков ПЭЛ 1,0. Экранная обмотка - один слой провода ПЭЛ 0,25.

Выходной трансформатор. Первичная обмотка состоит из 2400+145 витков провода ПЭЛ 0,12, вторичная - 57+12 витков ПЭЛ 0,86 и обмотка для дополнительного громкоговорителя - из 750 витков ПЭЛ 0,12.

Громкоговорители: один - типа 5ГД-14 (звуковая катушка имеет 62 витка провода ПЭЛ 0,18, сопротивление постоянному току 3,4 Ом) и два - типа ВГД-1 (сопротивление звуковой катушки постоянному току 5,5 Ом). 

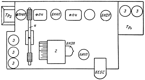
Расположение ламп и деталей на шасси радиолы "Минск-58" 

 Расположение ламп и деталей на шасси радиолы "Минск-58" 

 1 - конденсатор переменной емкости; 2 - блок УКВ; 3 - электролитические конденсаторы.

 

Литература:

  1. Принципиальная схема радиолы "Минск-58" 
  2. Инструкция по эксплуатации радиолы "Минск-58"
  3. Фото и описание модели в справочнике по новым товарам ИРПА.
  4. Описание и электрические схемы в справочнике Е.А.Левитина. 

Комментарии