

Это пока только макет устройства, некий концепт, который возможно во что-то и разовьется. Идея, в общем-то проста, и возникла в процессе работы по восстановлению ламповой аппаратуры (радиоприемников, радиол и т.п.). В процессе работы по восстановлению, часто возникала потребность иметь под рукой небольшое устройство, объединяющее в себе источник различных НЧ-сигналов, модуляторы FM и AM, усилитель, контрольный приемник, частотомер или ГСС.
На фото макет устройства (упрощенный вариант), созданный лишь для того, чтобы проверить на сколько удобно иметь такой прибор под рукой и определить, а что еще в него необходимо добавить. Прибор был проверен на практике, например, при работе по восстановлению радиолы "Рекорд-353", что оказалось весьма удобно, и, собственно, таким образом более-менее вырисовалась концепция будущего прибора.
Сам макет был собран из готовых модулей и того, что оказалось под рукой, а именно:
- Внутренности от автомобильного mp3 плеера/ФМ-модулятора.
- Модулятор АМ
- УКВ-приемник на 174ХА34
- УНЧ (на фото не показан)
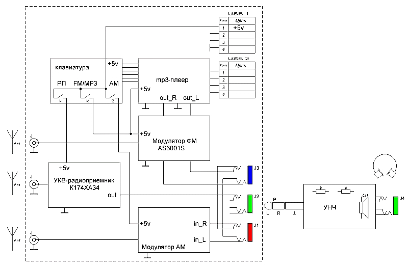
Блок-схема макета:

Сердцем устройства является мп3-плеер. Записав на карту определенный набор файлов, он превращается в генератор НЧ, либо может использоваться по прямому назначению - воспроизводить аудиофайлы. Выход мп3-плеера подключается к усилителю низкой частоты, либо на вход модулятора АМ, либо на вход модулятора FM. Используя сигнал с выхода мп3-плеера - очень удобно для проверки НЧ цепей ремонтируемого приемника. Модулятор АМ использован самый простой, но его вполне хватает для проверки работоспособности приемника, подключая различные кварцы, можно проверить работу ремонтируемого приемника на всех низкочастотных диапазонах. Кроме того, его можно использовать для демонстрации работы приемника, так как Россия сейчас не вещает на длинных и средних волнах. ФМ-модулятор также от сломанного автомобильного модулятора. Он собран на микросхеме AS6001S, довольно качественный модулятор, кстати. Плюсом является то, что модулятор имеет экран, на котором можно выставить желаемую частоту передачи, а меняя частоту - можно проверить или откалибровать шкалу ремонтируемого УКВ-приемника. Собранный на микросхеме К174ХА34 УКВ-приемник служит во-первых, контрольным приемником, во-вторых, его можно использовать совместно с модуляторм АМ, для ретрансляции УКВ станций на НЧ-диапазоны в АМ (актуально, для приемников не имеющих УКВ-диапазона). Ну и, наконец, все это можно использовать и по прямому назначению - прослушивание мп3-файлов или УКВ-станций.
Ну и закономерный вопрос, что дальше. А дальше вот блок-схема устройства, которое, используя современную элементную базу, можно сделать очень компактным и многофункциональным: 
Ну и как это все можно реализовать. Вариантов два, либо разработать все "с нуля", либо использовать в качестве основы какую-либо автомобильную радиолу. использование готовой авторадиолы мне кажется более предпочтительным, во-первых, там уже есть синтезатор, мп3-плеер, и радиоприемники. Цена недорогой радиолы сегодня - на порядок дешевле, чем покупать детали для самоделки. Плюсом то, что радиола уже имеет какой-никакой корпус, и в современных недорогих авторадиолах он практически пустой. В итоге, в авторадиолу достаточно добавить два модулятора - ФМ и АМ, соответвующим образом переделав схему, так чтобы для модуляторов использовать уже имеющийся в радиоле синтезатор.
Вот такая тема предлагается к обсуждению.
Комментарии