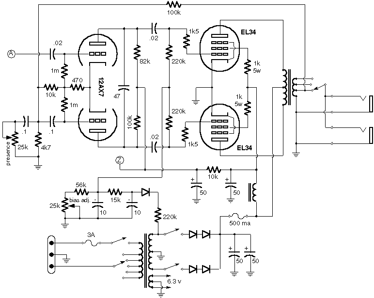
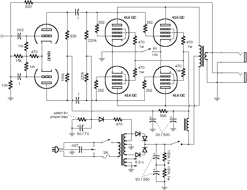
Marshall JCM800 2204 (50 Watt Power Amp) Строка навигации Главная Форумы Радиотехника ХХ века Каталог Ламповые усилители 26 июня 2012 Постоянный адрес статьи: https://radionic2.pro/node/728 Принципиальная схема: Оконечник 50watt: Оконечник 100W Войдите или зарегистрируйтесь, чтобы оставлять комментарии Теги ламповые сетевые стационарные специальные усилители Комментарии
Комментарии