
Радиоконструктор "Электроника ЦШ-02" - Входной делитель частоты, выпускался Ульяновским радиоламповым заводом с 1990 года.
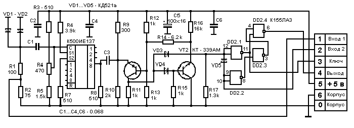
Рис. 1. Принципиальная схема ЦШ - 02.
Радиоконструктор предназначен для изготовления уз ла делителя частоты входного высокочастотного сиг нала в цифровых шкалах, частотомерах, других радио любительских устройствах. Рекомендуется использовать конструктор для расширения возможностей цифровой шкалы - частотомера ''Электроника ЦШ-01''. Радиоконструктор обеспечивает следующие параметры:
- коэффициент деления частоты — 10
- диапазон входных частот: 0,1-180 МГц
- амплитуда входного сигнала: 1.0 - 5.0 В
- амплитуда выходного сигнала: не менее 1.2 В
- напряжение питания: 5,15 В
- потребляемый ток, не более 0.15 А

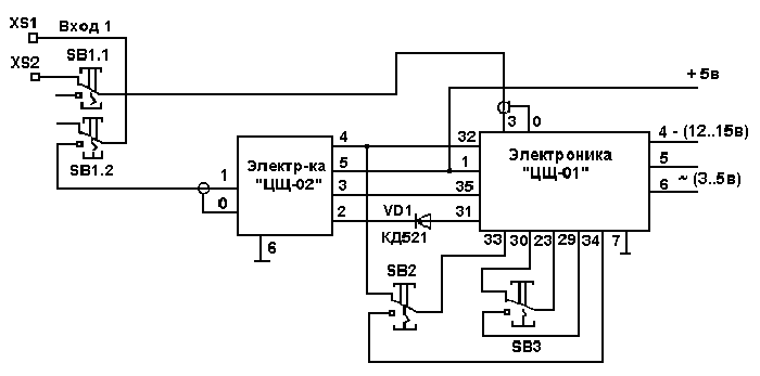
Рис.2. Схема соединений блоков.
Принцип работы радиоконструктора основан на делении частоты входного сигнала на 10 с помощью быстродействующего счетчика-делителя типа эмиттерно-связанной логики (ЭСЛ) и формировании из выходного сигнала счетчика-делителя выходного сигнала радноконструктора в уровнях ТТЛ. Принципиальная схема радиоконструктора приведена на рис.1. расположение элементов на печатной плате рис.3.

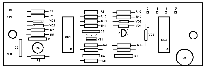
Рис. 3. Расположение деталей наплате "ЦШ-02"
При использовании радиоконструктора совместно с цифровой шкалой-частотомером “Электроника ЦШ-01 необходима доработка последнего:

Рис.4. Доработка электрической схемы "Электроника ЦШ-01"
На рис 4. приведена схема соединений радиоконструкторов “ЦШ-02” и “ЦШ-01”, представляющая из себя усовершенствованный вариант радиолюбительского частотомера. Переключатель SB1 коммутирует входа частотомера, а SВ2 и SВЗ устанавливает дискретность отсчета частоты (см. табл.).
Литература:
- Инструкция по эксплуатации.
Комментарии