
Сетевой ламповый радиоприёмник "Весна" выпускался Московским радиозаводом с 1949 года.
На Московском радиозаводе, в лаборатории В.Г.Гусева в конце 1948 года был разработан радиоприёмник ''Москвич-В''. С 1949 года начался его массовый выпуск. Спрос на приёмник превышал предложение, поэтому было решено передать паралельное производство модели ещё на Воронежский и Александровский радиозаводы. После модернизации, приёмник 2-го варианта на обоих заводах остался с наименованием ''Москвич-В'', а на Московском радиозаводе был переименован в радиоприёмник ''Весна''. Дополнительно производство радиоприёмника ''Весна'' было передано ещё на завод-дублёр в городе Саратове, и на Московский радиозавод Красный Октябрь где после его непродолжительного выпуска и очередной второй модернизации радиоприёмника ''Москвич-В'' (3 вариант) все модели, на всех заводах стали именоваться ''Москвич-В''.
Основные технические характеристики:
- Диапазоны волн ДВ 150...415 кгц, СВ 520...1600 кгц.
- ПЧ 465 кгц.
- Номинальная выходная мощность на громкоговорителе 0,5ГД-2 не менее 0,5 Вт.
- Потребляемая от сети мощность - 35 Вт.
- Габариты радиоприёмника - 290х185х140 мм.
- Масса 4,3 кг.
Розничная цена 172 рубля (1949 г).
Литература:
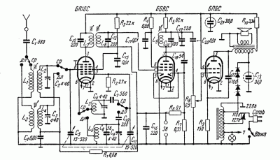
- Электрическая схема радиоприёмника.
Комментарии