Телевизор "Радуга"

Телевизор "Радуга" 

Цветной телевизор "Радуга" выпускался Ленинградским заводом им. Козицкого с 1954 года.

Цветной телевизор, с механической разверткой цвета, "Радуга" был рассчитан на прием передач Московской опытной станции цветного телевидения (МОСЦТ), которая работала в третьем телевизионном канале (76,0 - 88,0 МГц). 

Параметры канала звукового сопровождения телевизора соответствовали требованиям ГОСТ на радиовещательные приемники второго класса, а по некоторым показателям (нелинейные искажения, неравномерность частотной характеристики) соответствовали параметрам приемников первого класса.

Телевизор "Радуга" содержит 23 лампы и электронно-лучевую трубку 18ЛК6В. Все лампы, за исключением ламп выходных каскадов усилителя сигналов изображения, разверток и выпрямителя, пальчиковой серии.

В телевизоре предусмотрена возможность восстановления постоянной составляющей сигнала изображения, подано повышенное напряжение на анод приемной электроннолучевой трубки (18ЛК6Б), чтобы увеличить яркость свечения экрана для компенсации потерь световой энергии в светофильтрах, а также приняты меры по борьбе с влиянием магнитных полей рассеяния силового трансформатора и электродвигателя, вращающего диск.

Поля рассеяния и пульсация напряжения источника питания анодных цепей телевизора не вызывают заметных на глаз расслоений цветов и паразитной окраски цветного изображения.

 Конструкция

 Телевизор "Радуга" 

Телевизор выполнен в виде трех отдельных блоков (см. рисунок), скрепленных с помощью двух угольников и составляющих единое целое.

На рисунке видно расположение блоков: справа размещен радиоблок, в центре - блок разверток и слева - блок питания.

Ящик выполнен с выдвижной линзой, меняя расстояние от которой до экрана трубки можно получить изображение различного размера (при выдвижении линзы на 100 мм от экрана размер изображения равен 135х180 мм).

При механической системе смены цветов требуется тщательная балансировка вращающегося диска и амортизация электродвигателя.

В рассматриваемом телевизоре для вращения диска со светофильтрами применен специально разработанный синхронный электродвигатель конденсаторного типа, обеспечивающий синхронное вращение, диска со скоростью 1500 об/мин. Следует отметить, что диск должен быть достаточно прочным, чтобы выдерживать большую нагрузку, создаваемую центробежной силой, так как линейная скорость наиболее удаленной от центра точки будет составлять около 30 м/сек.

Для установки правильного воспроизведения цветов в приемнике выведена наружу ручка "Установка цвета", с помощью которой можно менять положение статора электродвигателя в пределах от 0 до 180 град. Ручка дает возможность установить светофильтр в начале передачи соответственно положению светофильтра на передающей станции.

В приемнике применен диск диаметром 390 мм и весом 250-300 г, изготовленный из прозрачного органического стекла толщиной 1-1,5 мм. На диск специальным клеем наклеены шесть светофильтров: две группы по три первичных цвета в каждой (красный, синий, зеленый). Светофильтры представляют собой тонкую цветную пленку и имеют сложную конфигурацию, определяющуюся сложением двух движений: вращательного (диск) и поступательного (движение строк сверху вниз в процессе развертки).

Необходимо, чтобы диск был хорошо сбалансирован во избежание вибраций, нарушающих нормальную работу приемника (дополнительный шум, расслоение цветов). Диск не должен создавать при вращении дополнительного шума (свиста), вызываемого неровностями на его поверхности.

Выпускаемое промышленностью органическое стекло имеет большие допуски на толщину, вследствие чего требуется большая и кропотливая работа по балансировке диска. Эта работа усложняется еще и тем, что оптические свойства органического стекла не должны нарушаться по всей его поверхности. Трение о воздух и наличие сильных электрических полей вызывает электризацию диска, следствием чего является притяжение пыли из окружающего воздуха. Это загрязняет диск и экран приемной трубки. Для устранения такого нежелательного явления, а также для уменьшения шума, вызываемого трением диска о воздух, и для защиты его от механических повреждений диск помещают в специальный кожух.

Приемник имеет следующие размеры: высота (с выступающей частью) 470 мм, глубина (с выступающей частью - хвостом трубки) 420 мм и ширина 650 мм. 

Каскады

В телевизоре применены лампы 6Ж3П (9 шт), 6П9 (2 шт), 6Н1П (3 шт), 6П1П (2 шт), 1Ц1С (2 шт), 6Ц4П (1 шт), ГУ-50 (1 шт), 5Ц3С (1 шт), 5Ц4С (1 шт) и кинескоп 18ЛК6Б.

Основные технические данные

  • Чувствительность порядка 350 мкВ по каналу изображения и 200 мкВ по каналу звукового сопровождения.
  • Полоса пропускаемых частот по каналу изображения не менее 8,3 МГц.
  • Выходная мощность канала звукового сопровождения равна 1 Вт.
  • Телевизор принимает амплитудно-модулированные сигналы изображения и частотно-модулированные сигналы звукового сопровождения, передаваемые в третьем телевизионном канале (76,6 - 88,0 МГц).
  • Телевизор имеет частоты следования импульсов генераторов разверток, соответствующие разложению изображения на 525 строк и 150 полей, при чересстрочной развертке.

Питание

От питающей сети телевизор потребляет около 300 Вт.

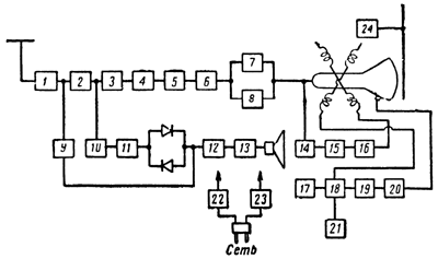
Электрическая схема 

 Структурная схема телевизора "Радуга".Структурная схема телевизора "Радуга".

Каналы усиления сигналов изображения и звукового сопровождения

Приемники сигналов изображения и звукового сопровождения выполнены по супергетеродинной схеме. Разделение каналов осуществляется по промежуточной частоте после смесителя. Входной контур телевизора, образованный катушкой L1 и входной емкостью лампы A1, настроен на среднюю частоту (82 МГц) третьего телевизионного канала. Связь с антенной автотрансформаторная.

Каскад усиления ВЧ выполнен на лампе 6Ж3П. В ее анодную цепь включен двухконтурный полосовой фильтр с сильной индуктивной связью между контурами. Частотная характеристика такого фильтра представляет собой двугорбую кривую с провалом на средней частоте диапазона, достигающим 50%. Провал этот компенсируется входным контуром, который на средней частоте полосы пропускания имеет наибольший коэффициент передачи напряжения.

Смеситель собран по схеме односеточного преобразования на лампе 6ЖЗП (Л1). В анодную цепь смесительной лампы включен одиночный контур L4C9, настроенный на среднюю частоту (27,75 МГц) полосы пропускания усилителя ПЧ. В смесительном каскаде осуществляется регулировка усиления, общая для каналов изображения и звукового сопровождения. Она производится потенциометром R8, с помощью которого изменяется смещение на управляющей сетке лампы Л2. Достоинство такого способа регулировки состоит в том, что при нем не изменяется форма частотной характеристики канала изображения. Объясняется это тем, что динамическая емкость смесительной лампы при регулировке изменяется весьма незначительно (лампа работает при большом напряжении смещения). Кроме того, в отличие от регулировки усиления во входной цепи приемника при регулировке в смесительном каскаде не ухудшается отношение сигнал/шум, что весьма существенно для хорошего приема телевидения.

Гетеродин выполнен по трехточечной схеме с емкостной обратной связью на левом (по схеме) триоде лампы 6Н1П (Л3). В качестве емкостного делителя в цепи обратной связи и емкости колебательного контура использованы междуэлектродные емкости ламп.

Гетеродин работает на частоте, равной 109,75 МГц. Начальная частота устанавливается изменением индуктивности катушки контура гетеродина L17 дюралюминиевым сердечником. В дальнейшем гетеродин подстраивается управляющим напряжением, получаемым в нулевой точке частотного детектора. Управляющее напряжение через двухзвенный фильтр R4бС49 и R43C40 подается на сетку правой половины лампы Л4, являющейся реактивной лампой в системе автоматической подстройки частоты. В зависимости от того, в какую сторону уходит частота гетеродина, изменяется знак напряжения поправки, а следовательно, и смещение на сетке реактивной лампы. Это приводит к изменению входной динамической емкости лампы, присоединенной параллельно контуру гетеродина. Таким образом, изменяется емкость контура гетеродина, а следовательно, и частота генерируемых колебаний.

Блокировочный дроссель Др1 и конденсатор С32 образуют фильтр, заграждающий путь токам высокой частоты в цепи питания. Дроссель Др1 выполнен на сопротивлении ВС-0,5; по всей длине этого сопротивления виток к витку намотан провод ПЭЛШО 0,3. Для предотвращения проникновения токов высокой частоты с сетки реактивной лампы в частотный детектор применен однозвенный фильтр R40С37.

Промежуточная частота канала изображения равна 31,75 МГц. Для ослабления помех от сигналов звукового сопровождения в усилителе ПЧ канала изображения применено три отсасывающих контура (L5, емкости монтажа и входная емкость лампы Л10) L9C20, L10aС24, настроенных на частоту 22 МГц.

Усилитель промежуточной частоты канала изображения выполнен на трех лампах 6ЖЗП (Л3, Л4, Л5). В его первом и третьем каскадах применены двухконтурные полосовые фильтры с индуктивно-емкостной связью, а во втором каскаде - одноконтурный фильтр. Вследствие этого канал сигналов изображения обладает хорошей избирательностью и достаточно высоким коэффициентом усиления. Мешающее действие соседнего качала ЧМ (f=73 МГц) ослабляется более чем в сто раз по напряжению, что вполне достаточно для подавления помех.

Задающий каскад строчной развертки собран по трансформаторной схеме на лампе 6П1П, которая включена как триод. Кадровая развертка имеет регулировку частоты, размера и линейности.

Выходной каскад строчной развертки выполнен по автотрансформаторной схеме на лампе ГУ-50. В выходном автотрансформаторе в качестве магнитопровода применен сердечник из оксифера. Автотрансформатор имеет дополнительную повышающую обмотку для питания высоковольтного выпрямителя. Демпфирование осуществляется с помощью кенотрона 6Ц4П, через который одновременно осуществляется обратная связь по питанию лампы ГУ-50. Высоковольтный выпрямитель выпрямляет импульсы обратного хода строчной развертки, снимаемые с повышающей обмотки автотрансформатора. Этот выпрямитель собран по схеме удвоения напряжения на двух кенотронах 1Ц1С и дает напряжение около 15 кВ при токе до 100 мкА.

Питание телевизора производится от двух выпрямителей, выполненных с одним силовым трансформатором и дающих разное выпрямленное напряжение. Для этого повышающая обмотка силового трансформатора имеет отводы, которые подключаются к анодам двух кенотронов 5Ц4С и 5ЦЗС.

Выпрямитель на лампе 5Ц4С с однозвенным П-образным фильтром дает напряжение 220 В для питания ламп приемников и анодных цепей ламп, служащих для выделения синхронизирующих импульсов. Выпрямитель, в котором применен кенотрон 5ЦЗС, имеет двухзвенный П-образный фильтр и питает лампы разверток и усилителя сигналов изображения.

В приемнике цветного телевидения должна быть очень хорошей фильтрация выпрямленного напряжения. Пульсации выпрямленного напряжения могут привести к нарушению чересстрочной развертки, расслоению цветов по строкам и кадрам и к появлению цветного фона. Пульсация напряжения, питающего блок строчной развертки, вызывает смещение строк различных цветных полей друг относительно друга, что приводит к цветной окантовке и расслоению цветов изображения вдоль строк. Пульсация напряжения, питающего усилитель сигналов изображения, может вызвать совершенно недопустимое искажение цветного изображения.

Влияние полей рассеяния трансформатора устраняется выбором его места расположения на шасси, применением короткозамкнутого кольца, плотно облегающего трансформатор поверх обмоток и магнитного ярма, а в случае необходимости дополнительной экранировкой. Для защиты от паразитных полей рассеяния, создаваемых электродвигателем, применяется пермаллоевый экран.

 Система смены цветов

Для вращения диска применен синхронно неуправляемый электродвигатель типа "СТ-2". В телевизоре применен диск диаметром 390 мм, вырезанный из органического стекла толщиной 1,5 мм. На диск наклеены красный, синий и зеленый светофильтры, выполненные из специально разработанной пленки.

 Конструкция диска со светофильтрамиКонструкция диска со светофильтрами: а - общий вид диска; б - втулка диска в увеличенном виде.

Сетевая обмотка электродвигателя подключена к отводу 127 В первичной обмотки силового трансформатора, пусковая обмотка - через конденсатор С59 (два конденсатора по 4 мкФ, включенных параллельно) присоединена к сетевой. В первый момент на сетевую обмотку для разгона двигателя подается полное напряжение 127 В. Примерно через 20 сек. реле "РСМ-2" (Р1) переключает сетевую обмотку на напряжение 80 В. Этим достигается снижение мощности, потребляемой двигателем, и уменьшается его нагрев. Выдержка времени осуществляется за счет прогрева ламп телевизора. Для этого обмотка реле включена последовательно в цепь питания ламп усилителя НЧ (Л12Л13).

Применение синхронного неуправляемого двигателя для вращения диска со светофильтрами возможно только при условии работы приемника от того же энергетического кольца, от которого работает телецентр. В противном случае потребуется управление скоростью вращения электродвигателя. Начальная установка цвета (один раз в начале передачи, если за время ее ни передающее, на приемное устройства не выключаются) производится ручкой "Установка цвета", выведенной на лицевую панель приемника. С помощью этой ручки поворачивается статор двигателя. Применение синхронных электродвигателей с поляризованным ротором позволит избавиться от этой ручки или вывести ее под шлиц.

Особенности эксплуатации телевизора

В отличие от телевизоров, предназначенных для приема черно-белого изображения, описываемый телевизор имеет вращающуюся механическую систему. Поэтому работающий телевизор во избежание поломки диска нельзя переносить, поворачивать и передвигать. Необходимо периодически производить смазку подшипников электродвигателя.

При настройке телевизора, манипулируя ручками "Яркость", "Контрастность" и "Фокусировка", устанавливают желаемую контрастность, яркость и насыщенность цветов. Для облегчения настройки в начале передачи будет передаваться специальная цветная испытательная таблица. Чтобы цвета воспроизводились правильно. необходимо, вращая ручку "Установка цвета". подобрать такое ее положение, при котором пятиконечная звезда на испытательной таблице получается окрашенной в красный цвет. В случае выключения приемника перед повторным включением следует выждать не менее двух минут.

Cтатья из журнала "Советский Союз" № 6 за 1954 год. 

 Миллионы советских людей смотрят телевизионные передачи. Телевизионное вещание приобретает в СССР все более широкое распространение. Наряду с пос тройкой новых телецентров, ведутся работы по созданию трансляционных телевизионных узлов и аппаратуры для обмена телевизионными программами между городами. В прошлом, 1953 году поступили в продажу телевизоры новых образцов: ''Темп'', ''Авангард'', ''Север'', ''Зенит'', ''Звезда''. А недавно выпущен телевизор ''Экран''. Разрабатывается проекционный приёмник с экраном площадью около одного квадратного метра. Создано телевизионное оборудование с экраном 3х4 метра, благодаря чему передачу смогут смотреть одновременно сотни зрителей. Советские конструкторы непрестанно совершенствуют образцы отечественных телевизоров и передающую аппаратуру. Повышается чувствительность приёмников, во всех телевизорах вводится переключатель на пять телевизионных каналов, добавляется ультракоротковолновый диапазон В 1954 году предприятия отечественной радиотехнической промышленности изготовили опытное оборудование для передач цветного телевидения. Инженеры-конструкторы Н.С.Беляев, П.И.Коршунов, В.Г.Семёнов создали передающую и приёмную аппаратуру для цветного изображения, а также новый, пока экспериментальный телевизор ''Радуга''. Первые передачи дали хорошие результаты. Сейчас регулярно, уже два раза в неделю проводятся пробные передачи спектаклей, концертов и кинофильмов в натуральных цветах. Одновременно советские инженеры работают над обеспечением совместимости цветного и чёрно-белого изображений. Для приёма любого из них уже конструируется универсальный, по системе совмещения телевизор.

Литература:

  1. Принципиальная схема телевизора "Радуга" 
  2. Описание опытного цветного телевизора "Радуга" в журнале Радио № 11 за 1954 год 

Комментарии