Игорь Губин, более двадцати лет занимается вопросами профессионального звуковоспроизведения. Предлагаемый усилитель не содержит дефицитных и дорогих деталей (это один из основных принципов Губина), а его сборка не вызовет трудностей у радиолюбителей, знакомых с монтажом и налаживанием ламповых усилителей.

Выходная мощность описываемого усилителя невелика, но учитывая, что в последнее время появились АС с повышенной чувствительностью, он вполне может озвучить небольшое жилое помещение. В конце концов, радиолы, под которые отплясывали в конце 60-х, имели примерно такую же мощность.
Конструкция получила высокую оценку музыкантов, звукорежиссеров и специалистов из зарубежных High-End фирм. Мы надеемся, что эта публикация поможет вам собрать свой первый усилитель, который сможет дать полное представление о красоте лампового звука, почувствовать разницу между транзисторным и ламповым звучанием.
Схема усилителя является результатом длительных исследований в области прикладной психоакустики и была отшлифована методом проб и ошибок. При оценке экспериментальных образцов первостепенное внимание уделялось субъективным тестам на музыкальность, которые проводились квалифицированными экспертами. Простота схемы хорошо согласуется с основным принципом High-End: предельная краткость звукового тракта, как можно меньше реактивных элементов на пути звука. Поэтому проходные конденсаторы отсутствуют как на входе усилителя, так и между его каскадами. По сути здесь до выходного трансформатора реализована схема УПТ (усилителя постоянного тока - прим. ред.) с малыми фазовыми и интермодуляционными искажениями. Но гальваническая связь между каскадами требует тщательного выбора рабочей точки первого триода, поскольку напряжение на ее аноде задает режим работы выходной лампы. Поэтому напряжения на электродах Л1 не должны отличаться от указанных на схеме более, чем на 2 - 3% Из-за большого разброса характеристик при замене входной лампы усилитель придется настраивать заново. Первый каскад, усилитель напряжения, собран на очень музыкальном двойном триоде 6Н23П-ЕВ, причем в каждом канале работает по одному триоду. Ток анода 5 мА выбран исходя из компромисса между допустимой мощностью, рассеиваемой на аноде (в данном случае 2 Вт) и полосой пропускания каскада, необходимой для хорошей музыкальности усилителя в целом. Как известно, чем меньше анодная нагрузка (и больше ток анода), тем меньше потери высших частот из-за межэлектродных и прочих паразитных емкостей. Как показали эксперименты, первый каскад должен пропускать полосу, на порядок шире слышимого человеческим ухом частотного диапазона, вплоть до 160 кГц. Напряжение на аноде +75В при смещении на сетке 1,5 В обеспечивает работу лампы на наиболее линейном участке рабочей характеристики. Для стабильности режима первого каскада в цепи анодов установлены двухваттные резисторы, и изменение их сопротивления вследствие нагрева незначительно. В усилителе установлены два отдельных регулятора громкости - хотя это и не очень удобно, но при прослушивании отмечалось, что регулятор баланса приводит к изменению тонального баланса. Потенциометры должны быть как можно более надежными: при их обрыве усилитель может выйти из строя. В принципе, можно обойтись и без регулятора громкости, если он есть в предварительном усилителе. В этом случае R1 и R1' заменяются на постоянные сопротивления номиналом 470 кОм. Немного подробнее стоит остановиться на способе снижения фона переменного тока. Как видно из схемы, оба вывода накала заземлены через сопротивления 470 Ом. Таким образом устраняется проникновение на катод тока с частотой 50 Гц, который, в свою очередь, создает на катодном сопротивлении напряжение фона. Такое решение позволяет питать цепи накала переменным током, при этом напряжение фона на выходе усилителя не превышает нескольких десятков микровольт. Выходной каскад выполнен на широко распространенном пентоде средней мощности 6П14П. Как уже говорилось, его режим задается напряжением на управляющей сетке и стабилизируется катодным сопротивлением R10. Такое комбинированное смещение позволило жестко "закрепить" рабочую точку - даже при использовании ламп с большим технологическим разбросом ток анода составлял 54 мА +- 1-2 мА. При фиксированном смещении (подача отрицательного напряжения от отдельного источника на сетку - прим. ред.) рабочую точку пришлось бы подбирать для каждого экземпляра лампы индивидуально. К сожалению, за простоту пришлось заплатить - падение напряжения на катодном резисторе местную создает ООС, которую не удалось полностью нейтрализовать шунтирующими конденсаторами С5 и С5'. Кроме того, для данной схемы большое значение имеет стабильность напряжения питающей сети: оно должно быть 220+-5В. Небольшая общая (3-4 дБ) обратная связь создается подачей выходного напряжения в катод первого каскада через делитель RЗ/R5. В данном случае она необходима для уменьшения выходного сопротивления и снижения уровня нелинейных искажений, который в однотактных усилителях без ООС может достигать 8 - 10%. Без обратной связи могут работать усилители на триодах с малым внутренним сопротивлением, но это сложные схемы, требующие от радиолюбителя более высокой квалификации. В данном случае без ООС возникают интермодуляционные искажения, к которым человеческое ухо гораздо более чувствительно, чем к нелинейным. Особенностью выходного каскада является возможность работы как в пентодном, так и триодном режиме, что позволит вам на практике сравнить две концепции звукоусиления и найти наиболее подходящее звучание. Выбор осуществляется с помощью сдвоенного переключателя П1.
Конструкция
Усилитель смонтирован на шасси из дюралюминия толщиной 1,5 - 2 мм. Сверху на шасси установлены лампы, входные и выходные клеммы, электролитические конденсаторы, а также входной и силовой трансформаторы. Все остальные детали - в подвале шасси. На передней панели размещены регуляторы громкости, выключатели питания и переключатель режимов "пентод - триод".
В качестве опорных точек для монтажа используются ламповые панельки и монтажные планки. Необходимо помнить, что все соединительные проводники должны быть минимальной длины, а провода, идущие от регуляторов громкости к сеткам Л1, следует свить с шагом не менее 1 витка на сантиметр. Для снижения уровня помех все элементы необходимо соединять в точках, показанных на принципиальной схеме. Корпуса (отрицательные выводы) конденсаторов фильтра должны быть изолированы от шасси, а точка их соединения с земляной шиной находится экспериментально по минимуму фона. Так же определяется и место подключения земляной шины к шасси (как правило, около входных гнезд - прим. ред.).
Детали
Усилитель можно собрать из широко распространенных и даже уцененных деталей, и при этом получить хорошие результаты. Но если вы хотите создать действительно качественный аппарат, детали придется подбирать. Прежде всего это касается регуляторов громкости - от их качества зависит надежность всего усилителя. Желательно применять потенциометры фирм ALPS или NOBLE. Не стоит экономить также на входных и выходных гнездах - нужно учитывать, что деградация сигнала происходит именно в точках механического контакта. Многое зависит и от качества монтажного провода и марки припоя. Желательно использовать проводники из бескислородной меди и пользоваться припоем с повышенным содержанием серебра. Эксперименты показали, что лучше всего звучат полипропиленовые и полимерные конденсаторы, а также сопротивления с углеродистым и металлопленочным проводящим слоем.
Сердцем усилителя является выходной трансформатор, который наматывается на сердечнике ШЛ 22 х 32 с зазором 0,2 мм. Первичная обмотка содержит 3000 витков провода ПЭВ-1 0.2, вторичная - 90 витков провода ПЭВ-1 0.47. Намотку нужно производить послойно в следующем порядке: 90 - 1500 - 90 - 1500 - 90. Секции первичной обмотки соединяются последовательно, вторичной - параллельно. После намотки трансформатор следует проверить, включив первичную обмотку в сеть 220 В. Если все сделано правильно, то напряжения на выводах вторичной обмотки должны быть одинаковы (около 6,6 В).
Сетевой трансформатор - стандартный, габаритной мощностью 90 - 120 ВА с повышающей обмоткой 310 В при токе 0.2 - 0.25 А и накальной 6.3 В при 2 А.
Усилитель:
- R1, R1 от 47 кОм до 100 кОм переменные, кривая В
- R2, R2' 47 *кOм 2Вт
- RЗ, RЗ' 360 Ом
- R4, R4' 470 Ом
- R5, R5' 6,2* кОм
- R6 10*кОм 2Вт
- R7 10 Ом 2Вт
- R8, R8' 1 кОм
- R9, R9' 100 Oм
- R10, R10' 1,5*кОм 5Вт
- R11 220 Ом 2 Вт
- С1, С4 0,47мкФх630В
- С2 47 мкФ х 450 В
- СЗ 220 мкФ х 450 В
- С5, С5' 220 мкФх160В
- Л1 6Н23П-ЕВ (ЕСС85)
- Л2, Л2' 6П14П (ЕL84)
- П1, П1' МТЗ, ПТ8-7
- Тр1, Тр1' трансформатор выходной 4 кОм/4 Ом
- Номиналы, отмеченные * подбираются при налаживании
Источник питания:
- R1 220 Oм 5 Вт
- C1,C2 220 мкФ х 450 В
- Д1-Д4 КД226А 4 шт.
- Тр1 трансформатор силовой 220 В/310,6.3 В
- Пр1 предохранитель 0,315 А
- П1,П2 ТП1
Налаживание
Перед налаживанием необходимо еще раз проверить правильность монтажа, после чего усилитель можно включить в сеть. К выходу необходимо подключить эквивалент нагрузки или громкоговоритель. Если усилитель возбуждается, концы вторичной обмотки трансформатора следует поменять местами. При исправных деталях и безошибочном монтаже режимы ламп устанавливаются автоматически. Если напряжения на электродах ламп отличаются от указанных на схеме более чем на 10%, их придется подобрать более тщательно. Напряжения на анодах Л1 зависят от величины сопротивлений R2 и R2', а напряжение на катодах Л2 и ЛЗ - от R10 и R10' соответственно.
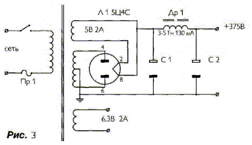
ОТ РЕДАКЦИИ. Собранная за полтора часа схема усилителя заработала сразу, без всякого налаживания. Качество звучания было весьма высоким даже при использовании выходного трансформатора от лампового телевизора. Кстати, звучание можно существенно улучшить, заменив в источнике питания полупроводниковые диоды кенотроном 5Ц4С или аналогичным, на допустимый выпрямленный ток не менее 120 мА (см рис). При этом, правда, усложнится конструкция сетевого трансформатора. Повышающая обмотка должна состоять из двух секций по 350 В, и придется добавить еще одну накальную для кенотрона. Такая переделка позволит обойтись без отдельного выключателя анода: при включении усилителя напряжение в схеме будет появляться постепенно, по мере прогревания катодов кенотрона.
Литература:
Комментарии