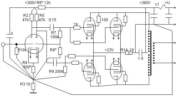
Схема УНЧ на EL34

Макет усилителя на 4х EL34 и выходных трансформаторах от Прибоя.

Силовой трансформатор - на основе ТСА-270

Конденсаторы по питанию - Сименс 475,0х385В

Дроссель по питанию - от лампы дневного света (это было ошибкой, т.к., его индуктивность мала)

Макет усилителя на 4х EL34 и выходных трансформаторах от Прибоя. 

Лампа во входном каскаде - 6Н8С

Скорей всего, ошибки в выборе компонентов не позволили раскрыть потенциал "елок".

Конечно, макет мощнее "Суперприбоя", но в других аспектах он проиграл, поэтому и остался прототипом.

Возможно, у кого-то получится удачнее.

Источник:  http://aka-dostoevsky.narod.ru/audio/proto/proto.htm

Комментарии