Р-311 - Переносной радиоприемник

Переносной радиоприемник Р-311 

 Переносной военный радиоприемник "Р-311" был принят на вооружение советской армии в 1956 году. Приемник предназначен для приема телеграфных и телефонных передач в составе портативных, мобильных или стационарных радиостанций, в диапазоне частот от 1,00 до 15,00 Мгц (300 - 20 м).

Альбом фотогалереи

Подробнее... 

Комментарии

Сергей Кадымов (RA9CUA),  Асбест,

Александр Калугин (RX9CDR), Екатеринбург. 

Переделка приемника Р-311 до современного уровня. 

Принцип работы радиоприемника

Приемник выполнен по супергетеродинной схеме на транзисторах и микросхемах. Схема приемника включает в себя входную цепь, одну ступень усиления высокой частоты, смеситель, фильтр, первый гетеродин, усилитель напряжения промежуточной частоты, второй гетеродин, второй смеситель, детектор, усилитель напряжения низкой частоты (см. функциональную схему радиоприемника).

Принцип работы радиоприемника

Особенностями схемы радиоприемника являются:

Гетеродин с одинаковым перекрытием по частоте на всех поддиапазонах;

Наличие кварцевой стабилизации второго гетеродина и электромеханического фильтра в тракте усиления напряжения промежуточной частоты.

Входная цепь приемника состоит из конденсатора связи с антенной и входного контура. Конденсатор связи используется для подстройки входа приемника при использовании различных антенн. Переключение диапазонов производится при помощи переключателя поддиапазонов, выполненного в виде вращающегося барабана.

Усилитель напряжения высокой частоты собран на полевом транзисторе с изолированными затворами и охвачен АРУ.

Смеситель частоты выполнен на микросхемах и работает в ключевом режиме. Такая схема обеспечивает достаточно высокий динамический диапазон и высокую чувствительность приемника. Первый гетеродин выполнен по схеме индуктивной трехточки на полевом транзисторе. С целью получения лучшей прямочастотности шкал всех поддиапазонов перекрытие по частоте в контуре гетеродина сделано одинаковым. При этом на всех поддиапазонах одинаковы и емкости контура гетеродина.

Примененная в приемнике схема гетеродина в сочетании с высоким качеством деталей и температурной компенсацией обеспечивает высокую стабильность частоты.

Усилитель напряжения промежуточной частоты собран на зарубежной микросхеме, имеющей достаточно высокое усиление и низкий уровень шумов. Усилитель напряжения промежуточной частоты охвачен АРУ, напряжение которой снимается с амплитудного детектора и усилителя напряжения АРУ.

Усилитель напряжения низкой частоты собран на микросхеме по стандартной схеме и особенностей не имеет. Источник питания может быть как сетевым так и батарейным, в зависимости от желания радиослушателя.

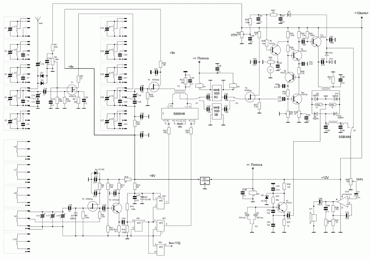
 Первый вариант переделки приемника Р-311

 Первый вариант переделки приемника Р-311

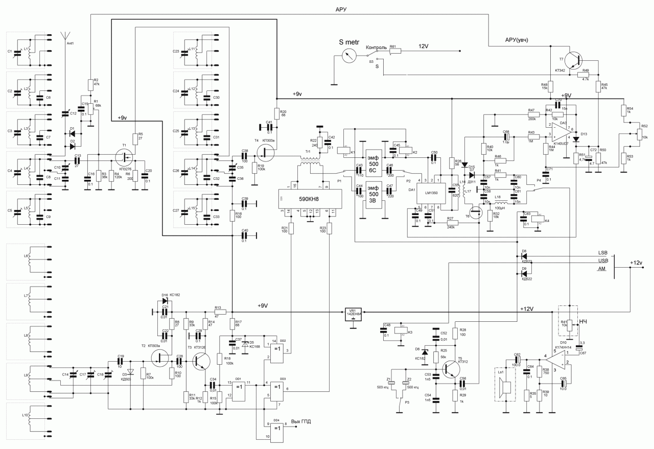
Проект схемы второго варианта переделки приемника Р-311

Проект схемы второго варианта переделки приемника Р-311

Настройка приемника особенностей не имеет и подвластна практически любому радиолюбителю, хоть раз собиравшему супергетеродинный приемник.

Переделка приемника Р-311 до современного уровняПеределка приемника Р-311 до современного уровня

Переделка приемника Р-311 до современного уровняПеределка приемника Р-311 до современного уровня

Переделка приемника Р-311 до современного уровняПеределка приемника Р-311 до современного уровня