
Назначение
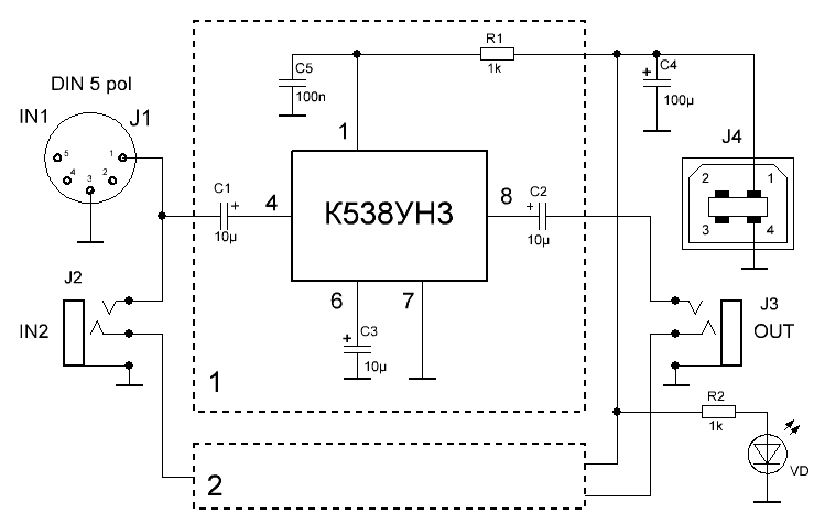
Усилитель предназначен для подключения к современной технике старых советских динамических микрофонов. Проблема в том, что сигнал на выходе этих микрофонов очень слабый, его нужно усилить. Для микрофонного усилителя решено было использовать сверхмалошумящий усилитель с оптимизированными шумовыми характеристиками К538УН3.
Существует четыре типовых варианта включения микросхемы К538УН3:
- линейный усилитель.
- усилитель с регулируемым коэффициентом усиления.
- усилитель с максимальной чувствительностью.
- усилитель с корректирующими цепями (для магнитофонов).
В данной устройстве использован первый вариант, но плата позволяет собрать любой из типовых вариантов.
На плате реализован стерео вариант, если стерео не нужно - собираем только один усилитель. На входе два разъема DIN-5 и "мини-джек" (разъемы соединены параллельно), это сделано для того, чтобы можно было подключить как обычный советский микрофон, так и современный динамический микрофон, оснащенный 3,5 "мини-джеком". Кроме того, "мини-джек" окажется весьма удобен при дальнейших экспериментах с этим усилителем. При использовании в режиме стерео двух одинаковых микрофонов - придется использовать переходник.
На выходе - 3,5 "мини-джек". В качестве разъема питания использован USB-разъем типа B.
Для индикации питания на плате установлен светодиод синего (понты) цвета, токоограничительный резистор подобран так, что светодиод при питании от 5В светится на треть, а при 12 вольтах процентов на 80 от максимальной яркости. Можно ставить от 1,5 до 3 кОм.

Испытания проводились с микрофоном МД-200 и МД-47, с питанием платы усилителя от USB-порта компьютера, лабораторного источника питания и батарей - "квадратной" на 4,5В и 9В "Кроны".
Усилитель действительно нормально работает при напряжениях от 3 до 12 вольт, но при подключению к компьютеру возникли определенные сложности. Дело в том, что компьютер сам по себе мощнейший источник помех, и по хорошему усилитель должен быть тщательно экранирован. Наибольший уровень помех конечно при питании усилителя от USB (кстати, как показала практика, ноут "фонит" не так сильно как обычный стационарный компьютер). Но при экранизации платы - шум не столь значительный, а при использовании внешнего источника питания или батарей - практически вовсе исчезает. Наилучшии результаты усилпоказал при питании от батареи "Крона" (9В) и подключении к музыкалбному центру, вдали от компа - звук просто идеальный, на сколько идеальным он вообще может быть от динамических микрофонов отечественного производства.
Файлы:
- 538un3.zip - топология платы (LayOut), схема, подробные фото с расположением деталей.
Литература:
- Булычев А.Л. и др. "Аналоговые интегральные схемы". Изд. "Беларусь", 1985
Комментарии
PS. Чтобы изготовить платы
PS. Чтобы изготовить платы приходится делать фотошаблон на котором размещается несколько плат, в результате платы обычно остаются. В данном случае, на момент написания этого поста, у меня осталось всего две печатные платы, если кому интересно повозиться с этой схемой - пишите в личку. Отправлю почтой, для членов клуба - и платы, и их пересылка - бесплатно, от вас только почтовый адрес, правда в наличии есть всего две печатные платы, поэтому отправляю только первым двум обратившимся...