Принцип действия вседиапазонного регенеративного КВ радиоприёмника MFJ-8100 основан на тех принципах и схемотехнике, которые появились ещё в 1920-х годах. Принцип регенерации был предложен Американским инженером Эдвином Армстронгом в 1914 году. На основе современной электронной базы применение этих старых принципов позволило создать довольно простую конструкцию регенеративного радиоприёмника с неплохими параметрами.
Этот коротковолновый радиоприёмник позволяет принимать как вещательные станции, так и сигналы радиолюбительских радиостанций, работающих как телеграфом (CW), так и однополосной модуляцией (SSB).
Достоинство регенеративных приемников в простой схемотехнике, которая привлекает к их конструированию как начинающих радиолюбителей, так и опытных экспериментаторов, из недостатков можно отметить нестабильность, чувствительность к рукам оператора, приводящая к изменению настройки, сложности при отстройке от рядом расположенных на частоте мощных радиостанций, излучение сигнала через антенну, создающее помехи другим радиоприёмникам.
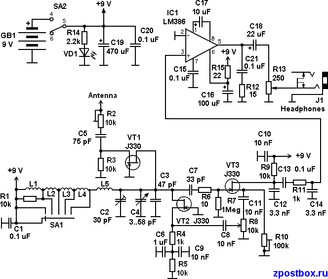
Принципиальная схема приемника:

L1 - 10 мкГн; L2 - 3.3 мкГн; L3 - 1 мкГн; L4 - 0.47 мкГн; L5 - 8 витков провода 0,7 мм, намотанного на тороидальном сердечнике T-52-2 или на оправке диаметром 12 мм;
Диапазоны частот - 3,5...4,3, 5,9...7,4, 9,5...12, 13,2...16,4 и 17,5...22 мГц;
Транзисторы VT1..VT3 - J310 можно заменить на КП303В или КП303Е.
Сам по себе детектор имеет низкую чувствительность, поэтому в детекторном режиме приёмник не используется. Но регенерация позволяет существенно повысить чувствительность детектора, превратив его в регенеративный детектор - это осуществляется подачей высокочастотного сигнала с выхода на вход, что позволяет получить усиление сигнала в тысячи раз. Процесс управляется переменным резистором R8, регулирующим силу обратной связи.
Рабочая частота приёмника зависит от того, какие катушки индуктивности подключены переключателем SA1, и в каком положении находится конденсатор переменной ёмкости C4. Если, например, настроить приёмник на частоту 7100 кГц, то сигнал именно этой частоты будет усилен и продетектирован регенеративным детектором, и на стоке транзистора VT3 появится аудиосигнал, который будет усилен до необходимого уровня усилителем звуковой частоты на микросхеме LM386.
Назначение высокочастотного усилителя на транзисторе VT1 следующее - во-первых, он усиливает ВЧ сигнал, поступающий от антенны, а во-вторых, препятствует излучению сигнала регенеративного детектора в антенну.
Антенна подключена напрямую (без использования LC контура) к истоку ВЧ усилителя на транзисторе VT1. Стоки транзисторов VT1 и VT2 соединены друг с другом, и к ним подключён LC контур, образованный катушками индуктивностей L1...L5 и конденсаторами C2..C4. По высокой частоте транзисторы VT2 и VT3 соединены таким образом, что бы обеспечить сдвиг фазы 360° (баланс фаз), что необходимо для возникновения генерации. Баланс амплитуд обеспечивается достаточным усилением обоих транзисторов, которое регулируется переменным резистором R8.
Резистор R4 понижает добротность катушки L1 для обеспечения плавного подхода к точке регенерации. Переключателем диапазонов SA1 выбирается необходимая комбинация катушек индуктивности. Например, при положении переключателя SA1 в крайнем левом положении в резонансном контуре будут работать все индуктивности L1...L5 суммарно. При положении переключателя SA1 в крайнем правом положении в резонансном контуре будет работать только одна индуктивность L5.
Конденсатор переменной ёмкости C4 имеет рабочий диапазон около 55 пФ, для управления им необходим верньер. Подстроечный конденсатор C2 предназначен для установки рабочей частоты диапазонов.
Подстроечным резистором R10 регулируется плавность подхода к точке возникновения генерации по всем диапазонам. Эта регулировка необходима из-за некоторого разброса параметров полевых транзисторов.
Конденсаторы C12, C13, C14 и резистор R11 образуют фильтр низкой частоты, блокирующий прохождение высокочастотных сигналов с выхода регенеративного детектора на вход усилителя звуковой частоты, а так же обрезающий верхние частоты низкочастотного аудиоспектра.
Регулятор громкости R13 включён на выходе УНЧ, что позволяет практически исключить низкочастотные наводки на входе усилителя.
Интегральная микросхема LM386 включена с максимально возможным коэффициентом усиления - 200. Это обеспечивается подключением конденсатора ёмкостью 10 мкФ между её выводами 1 и 8.
Для индикации включения используется светодиод VD1, ток которого ограничивается резистором R14. Величина этого резистора подобрана такой, что бы светодиод потреблял минимум тока, но при этом его свечение было бы достаточно ярким.
Управление приёмником
Назначение большинства органов управления очевидно. Но, тем не менее, важно понять, как правильно пользоваться регулировкой регенерации (переменный резистор R8) и как произвести настройку приёмника.
Переключатель выбора диапазона SA1. Это галетный переключатель, позволяющий выбрать один из диапазонов 3,5...4,3, 5,9...7,4, 9,5...12, 13,2...16,4 или 17,5...22 мГц.
Настройка (КПЕ С4). Конденсатор переменной ёмкости C4 с воздушным диэлектриком оснащён верньером с коэффициентом передачи 6:1 (за 6 оборотов ручки настройки ротор КПЕ делает только один оборот), что позволяет осуществлять плавную настройку на радиостанцию - это особенно важно при приёме сигналов однополосной модуляции (SSB).
Кнопка включения SA2 и индикаторный светодиод VD1. Назначение кнопки очевидно, а светодиод служит для напоминания о том, что приёмник включён (что бы батарея зря не разряжалась).
Регулятор регенерации R8. В двух словах - он обеспечивает регулировку чувствительности приёмника и переключение между принимаемыми видами модуляции АМ и SSB, CW. Далее будет более подробно рассмотрено как пользоваться регулятором регенерации.
Регулятор громкости R13. Этот переменный резистор включён на выходе усилителя низкой частоты LM386, что позволяет упростить монтаж и обойтись без экранированных проводов.
Регулятор усиления по ВЧ R2. Этот подстроечный резистор предназначен для ослабления высокочастотных сигналов, которые могут перегрузить приёмный тракт при использовании длинных антенн.
Регулятор для установки диапазона регенерации R10. Предназначен для настройки плавного подхода к точке регенерации на всех диапазонах.
Подстроечный конденсатор C2 . Предназначен для установки рабочего диапазона приёмника по всем диапазонам.
Разъём наушников J1. Сюда подключаются наушники - их левый и правый каналы соединяются последовательно.
Антенна. В качестве антенны можно использовать кусок провода длиной 3..6 метров.
Заземление. В принципе можно обойтись без заземления, но с заземлением можно принимать более слабые сигналы и снизить наводки от близ расположенных электроприборов. Заземлением может служить, например, труба отопления, проходящая под землёй или арматура дома.
Как пользоваться регулировкой регенерации
Регулятор регенерации позволяет изменяет степень обратной связи в регенеративном детекторе на транзисторах VT2, VT3. От того, насколько правильно настроена регенерация зависят параметры приёма. Каждый раз при перестройке приёмника по частоте регенерацию приходится регулировать заново.
Когда движок переменного резистора R8 находится в нижнем по схеме положении, то приёмник имеет минимальную чувствительность и практически ничего не принимает. При вращении переменного резистора R8, когда его движок достигнет определённого положения, возникает регенерация. Точное положение этой точки, в которой возникает регенерация, как уже было сказано выше, зависит от того, какой частотный диапазон выбран переключателем SA1, а так же от того, в каком положении находится ротор переменного конденсатора C4. Возникновение регенерации при подходе к некоторой точке проявляется в увеличении шумов приёмника, которое затем переходит в мягкое шипение, что можно слышать в наушниках. При дальнейшем вращении регулятора регенерации шипение или какой-либо сигнал заметно усилится. Продолжая вращать регулятор, регенеративный детектор перейдёт в режим генерации.
Важно отметить, что для лучшего приёма уровень регенерации должен быть установлен по возможности как можно более ниже.
Для приёма АМ сигналов радиовещательных станций уровень регенерации должен быть установлен чуть ниже точки возникновения генерации, так как при наличии генерации будут слышны биения, мешающие приёму, между несущим сигналом АМ радиостанции и сигналом регенеративного детектора.
Если на частоте находятся несколько мощных АМ вещательных радиостанций, то следует открутить регулятор регенерации чуть-чуть назад от точки генерации, можно будет перестраиваться между радиостанциями как на обычном приёмнике, не регулируя уровень регенерации.
Если регенерация настроена для приёма АМ сигналов, то телеграфные CW сигналы будут слышна как шипение, иногда сопровождаемое щелчками (это зависит от качества CW сигналов). Что бы телеграфные сигналы приобрели присущий им тон, следует увеличить регенерацию, переведя регенеративный детектор в режим генерации.
При регулировки регенерации происходит изменение частоты настройки приёмника, это отрицательное свойство может оказаться полезным, так как можно плавно подстраивать тон телеграфных биений и тон голоса при приёме однополосных речевых сигналов.
Настройка на однополосные SSB сигналы.
Настройка на однополосные сигналы (SSB) имеет некоторые особенности. Дело в том, что при неточной настройке тембр голоса меняется, а если неправильно настроится (например, сигнал имеет нижнюю полосу (LSB), а настройка осуществлена на верхнюю), то речь будет слышна, но разобрать слова станет невозможно.
В современных супергетеродинных связных приёмниках настройка на сигналы однополосных станций (SSB) очень проста - поскольку фильтр тракта ПЧ пропускает только одну полосу (3 кГц), то достаточно настроиться на какую-либо SSB станцию, переключатель выбора полосы (LSB или USB) установить в необходимое положение, и более точно подстроиться по частоте.
В регенеративном приёмнике настройку на SSB радиостанции производят несколько иначе. Дело в том, что однополосный сигнал принимается дважды - по прямому и по зеркальному каналу (оба канала расположены вплотную по частоте) - поэтому если неправильно выбрать канал, то речь станет невозможно разобрать. На низкочастотных радиолюбительских диапазонах (1,8...7 мГц) принято излучать нижнюю полосу (LSB), а на высокочастотных (14 мГц и выше) - верхнюю (USB). Например, если мы крутим ручку настройки и встречаем какую-нибудь SSB станцию, но при этом речь разобрать невозможно (звук похож на бульканье), то следует продолжать крутить ручку до тех пор, пока станция не появится снова, и теперь уже можно будет легко разобрать речь.
Для приёма SSB радиостанций лучше всего практиковаться на самом низкочастотном диапазоне 3,5 мГц. Этот диапазон растянут сильнее других по шкале настройки. Днём этот диапазон практически мёртв, не считая редких местных станций, и только с заходом солнца там появляются множество радиолюбителей. Следует учесть, что с наступлением магнитных бурь этот и другие диапазоны замирают.
SSB сигналы передаются не только радиолюбителями, но и различными правительственными учреждениями, посольствами, спецслужбами, пиратами и т.д. Сканируя эфир, можно услышать очень много интересных станций.
И в заключении следует отметить, что существует ситуация, когда приёмник может быть полностью не работоспособен - если на вход приёмника попадёт сигнал большой амплитуды (например, помехи от каких-либо рядом расположенных приборов, компьютера и т.д.), то этот сигнал перегрузит ВЧ усилитель или даже регенеративный детектор, а так же этот сигнал будет служить как бы локальным гетеродином, сделав приём невозможным. Если ВЧ цепи приёмника и в особенности катушки индуктивности не экранированы (в общем случае в этом нет особой необходимости), то сигнал может навестись и на них, минуя антенну. В этом случае весь приёмник следует заключить в металлический корпус, внешнюю антенну подключать через коаксиальный кабель. Если мощный сигнал наведён на антенну, то можно попытаться уменьшить его влияние с помощью подстроечного резистора R2, или на входе включить режекторный фильтр (фильтр-пробку).
Конструкция приемника
Приемник выполнен на односторонней печатной плате, которая размещается в дюралевом корпусе. На переднюю панель выведены: выключатель питания и индикатор питания, переключатель диапазонов, настройка, уровень регенерации и уровень громкости. На задней панели: Разъемы для подключения антенны, заземления и головных телефонов, а также регулятор усиления по ВЧ.









Литература:
- Принципиальная схема и печатная плата приемника MFJ-8100.
- http://zpostbox.ru
Комментарии