
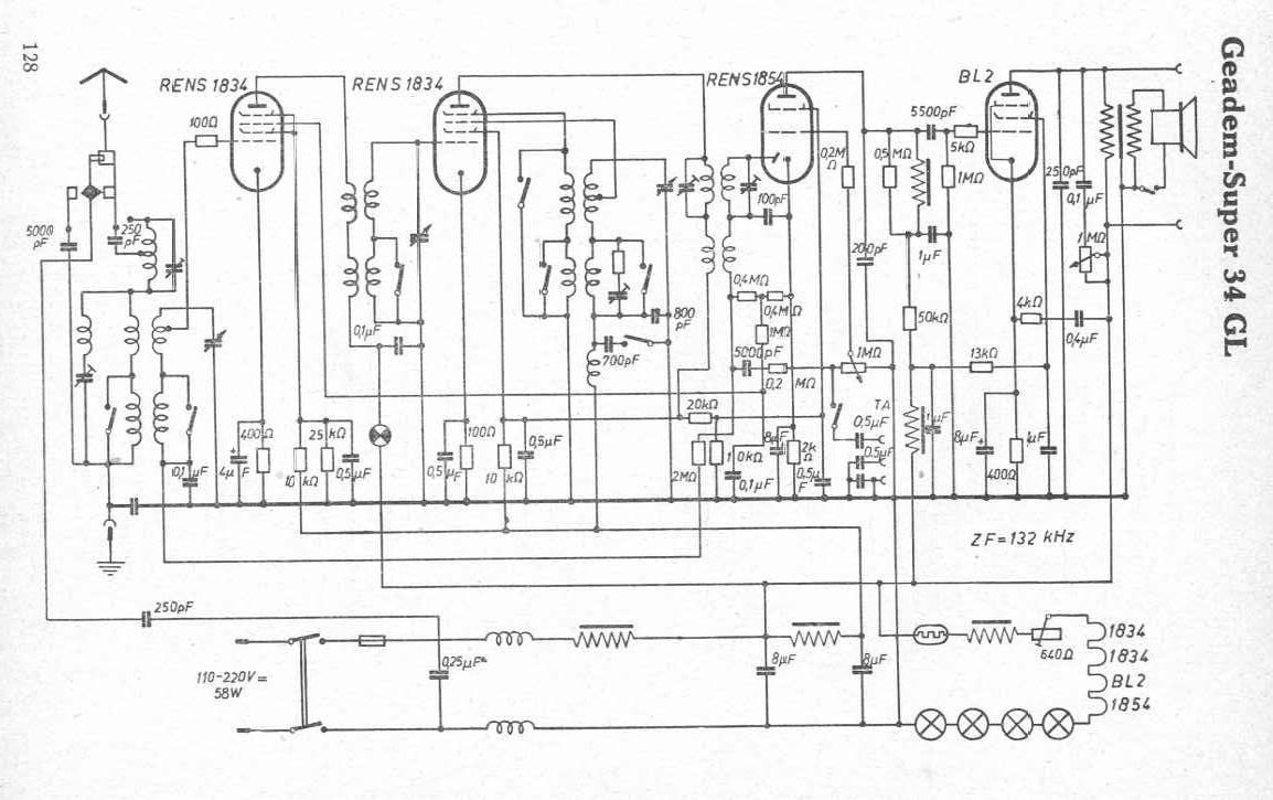
Четырехламповый супергетеродинный радиоприемник Super Geadem 34 GL выпускался фирмой AEG с 1933 года. Диапазон принимаемых волн: средние, длинные. Набор ламп: RENS1834, RENS1834, RENS1854, BL2. Конструктивно приемник выполнен в деревянном корпусе, на передней панели которого расположены ручка переключения диапазонов, ручка настройки и регулятор громкости. Шкала - барабанного типа. Промежуточная частота 132 кГц. Габаритные размеры 365х442х520 мм. Питание: сеть AC 110/220 В.
Принципиальная схема приемника:
Литература:
- http://historische-elektronik.piranho.de
- «Radiokatalog» (Erb)
Комментарии