Автор: Игорь Григоров RK3ZK
Расширенный вариант статьи, опубликованной в журнале Радиоаматор 12, 2001.
В 2001 году исполнилось 100 лет первой трансокеанской связи, установленной Маркони. В бывшей советской литературе это событие освещено очень слабо, более того, иногда даже подвергали сомнению, действительно ли такая связь была установлена. Но эта связь все же была проведена, при ее проведении присутствовал не только сам Маркони (25 апреля 1874- 20 июля 1937) но и другие наблюдатели, которых нельзя заподозрить в сговоре с Маркони. Хочу рассказать, как эта связь была установлена, и почему она удалась именно Маркони, а не другим изобретателям радио - Попову или Тесла.
После того, как Маркони в 1896 году официально запатентовал радио, он начал проводить широкие эксперименты по развитию радиосвязи. Наибольшей проблемой стоявшей перед ним в то время являлось повышение дальности радиосвязи. Для решения этой проблемы Маркони шел двумя путями. Во первых совершенствовал антенные системы, а во вторых совершенствовал приемо - передающую аппаратуру. Все мало- мальски полезные мелочи, хоть как то улучшающие аппаратуру связи, немедленно им внедрялись.
А чем же в то время занимались другие изобретатели радио - А. Попов и Н. Тесла?
Понятно, что для проведения широких экспериментов по радиосвязи требовались деньги, деньги и еще раз деньги:

Напомним, что Попов (16 марта 1859 - 13 января 1906) был преподавателем в Минном офицерском классе, расположенном в Кронштадте (аналогично современному военному училищу ). Попов читал лекции по "электричеству", математике, вел практические занятия по электротехнике. Вел другие заказные работы Министерства Флота. Сюда можно добавить обычные преподавательские заботы, на плечах Попова лежало оборудование физических кабинетов. Совершенствование радио в это время не было его основной работой. Несмотря на это в 1900 году под руководством Попова было построено две радиостанции, одна в Гогланде, другая в Котке. Эти радиостанции были построены для проведенияаварийных работ на броненосце "Генерал- адмирал Апраксин" севшего на мель. Как известно, эти радиостанции оказали неоценимую помощь при спасении 27 рыбаков на оторвавшейся льдине. Этот случай неоднократно был описан во многих источниках, так что останавливаться на нем особо не буду. Хочу только добавить один малоизвестный факт. 18 апреля 1901 году А. Попову и его помощнику П. Рыбкину (1874- 10 января 1948) за успешную организацию этих работ и за заслуги по развитию радио была вручена денежная премия. Попову в размере 30.000 рублей (при переводе на современные деньги, это не менее 1.000.000 американских долларов), Рыбкину в размере 1000 рублей [1]. В то время это были огромные деньги. На строительство двух радиостанций между Гогландом и Коткой было выделено только лишь 10.000 рублей...

Тесла (9 июля 1856 - 7 января 1943 ) в то время занимался опытами по передаче энергии без проводов. Нельзя сказать абсолютно точно, каких результатов он при этом достиг. В частности, описание опытов по передаче энергии по поверхности Земли без проводов описано в [2].

До настоящего времени большинство опытов Тесла по передаче энергии без проводов не повторены.

"Усилительный передатчик" Тесла, с помощью которого он проводил опыты по передаче энергии был им запатентован и описан в патенте (см. [3]). Но это описание не позволяет повторить практически это устройство. Многие публичные демонстрации проводимых Тесла экспериментов напоминали тщательно спланированные фокусы. И все таки можно предположить, что если бы Тесла потратил свои силы не на исследование передачи энергии без проводов, а на разработку устройств беспроводной связи, то он мог бы достигнуть на этом поле больших успехов. Тем более что в средствах Тесла в то время не испытывал недостатка. Но: История распорядилась по другому, первая трансокеанская связь была проведена не им, а Маркони. (Впрочем, сам Тесла утверждал, что в 1901 году им была установлена связь с : Марсом, что конечно более дальше чем между двумя континентами Земли :)

Маркони не был стеснен в средствах для проведения своих экспериментов. В то время мир нуждался в беспроводной связи с морскими судами, с различными удаленными районами Земли. В 1897 году Маркони основал акционерное общество с 1899 года называется "Marconi's Wireless Telegraphy", сумел привлечь огромные средства для проведения своих исследовательских работ по радиосвязи. Огромный организаторский талант и талант ученого - практика позволили сделать, то, что многим казалось в то время невозможным.

Уже в 1899 году Маркони была установлена радиосвязь через Ла - Манш. Было перекрыто расстояние в 31 милю (56 километров). В том же году была установлена радиосвязь между береговой радиостанцией и военным кораблем на расстояние 76 миль ( 136 километров ). С каждой новой милей, прибавленной к дальности проведенной Маркони, радиосвязи увеличивалась стоимость акций его компании ( в июле 2001 года акции этой компании стоили 37 пенсов на Лондонской бирже, против пика их стоимости 1250 пенсов менее чем два года назад:). Попов в 1899 году смог достигнуть дальности действия радиосвязи в 30 километров:
Но конечно, для доказательства возможности радиосвязи этого было мало. Были необходимы доказательства возможности осуществления мировой радиосвязи. Следует обратить внимание, что в то время многие, даже известные ученые не верили в возможность установления радиосвязи на расстояние свыше 200 километров. Считалось, что радиоволны распространяются подобно лучам света, прямолинейно. Хотя Хевисайд (Oliver Heaviside, 18 мая 1850- 3 февраля 1925) [4] уже в то время обосновал возможность наличия ионизированного проводящего слоя в верхней части ионосферы, от которого возможно отражение радиоволн, его теорию в то время успешно громили: Но все таки Хевисайд дожил до того времени, когда было практически доказано существование теоретически открытого им ионизированного слоя.

В 1923 году американские инженеры Г. Брейхт и М. Туве провели зондирование атмосферы. С помощью зенитных антенн был послан короткий зондирующий сигнал вертикально вверх. Затем был принят этот отраженный сигнал от слоя Хевисайда. Было открыто, что слой Хевисайда это не стабильный слой, находящийся на определенной высоте, как считали до этого. Оказалось, что в верхних слоях атмосферы находятся несколько слоев, способных отражать радиоволны. Эти слои нестабильны по проводимости, их высота может меняться. В зависимости от свойств этих слоев зависит прохождение радиоволн на планете Земля.
Другой показательный эксперимент провела группа английских радиоинженеров из Кембриджского университета в 1924 году. Были сконструированы антенны, имевшие острую направленность, и следовательно, позволявшие определить направление прихода сигналов. С помощью этих антенн принимали сигналы передатчика средних волн, находившегося на удалении около 400 километров от приемных антенн. Антенны ясно показывали направление прихода сигналов - он приходил сверху, от ионосферы. Так еще раз было подтверждено наличие проводящего слоя в верхних слоях атмосферы:
Но все это было еще впереди. А в 1901 году доказательств существования слоя Хевисайда еще не было. Поэтому надо было обладать известной смелостью Маркони, что бы начать опыты по проведению трансокеанской связи. На карту было поставлено слишком многое: Можно было бы пойти по другому, легкому пути, и постепенно, миля за милей наращивать дальность радиосвязи. Но для Маркони этот путь был неприемлем, он хотел сразу, доказать безграничные возможности радио. Подготовка к проведению этой грандиозной акции заняла немало времени. Маркони установил две приемо- передающие станции. Одна была расположена в США, в Wellfleet, Cape Cod, Massachusetts, другая в Poldhu , Cornwall, Nova Scotia.
На передающей станции расположенной в Poldhu использовалась грандиозная коническая антенна. Она состояла из 20 мачт, каждая из которых была 61 метр высотой, расположены они были кругом имеющем диаметр 61 метр. Эти мачты удерживали 400 (!) проводников которые составляли перевернутый конус. Проводники были изолированных друг от друга на вершинах мачт, и соединенных вместе в вершине конуса.

Но прошедшими ураганами антенны обеих этих станций были разрушены. Может быть кто другой и отступил бы но только не Маркони! Маркони принял решение не откладывать эксперименты по установлению трансатлантической радиосвязи. Приемную станцию из США Маркони перенес в Канаду, в St John's Newfounland. На передающей станции, расположенной в Новой Шотландии была восстановлена передающая антенна. Конечно, в этом случае возможна была только односторонняя радиосвязь. Но даже это могло бы доказать преимущества радиосвязи. При расположении приемной станции в Канаде расстояние между приемником и передатчиком уменьшилось, и это давало Маркони уверенность в возможности установления трансатлантической радиосвязи.
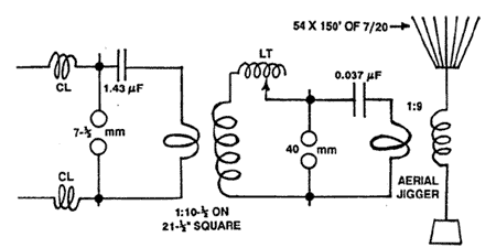
На этих станциях в Канаде и США использовалась самая современная для того времени аппаратура. На передающей станции использовался передатчик, в 100 раз выше мощности самого мощного ранее используемого Маркони передатчика. Для питания этого передатчика использовался альтернатор мощностью 75 киловатт. Для вращения альтернатора использовался паровой двигатель. Длина волны, используемая для первой трансокеанской радиосвязи, была предположительно равна 366 метров [5]. Иногда встречаются другие значения длина волны первой радиосвязи ( от 366 до 1100 метров ), но все же считается более верной эта величина. В то время еще не было точных волномеров, и длина волны передающей радиостанции измерялась косвенно. Схема передатчика, используемого для первой трансокеанской связи приведена на Рисунке ( взят из [5] ) .

Схема передатчика используемого для трансокеанской связи (передатчик Маркони)
В разных литературных источниках приводят несколько отличающиеся друг от друга сведения о конструкции передающей антенны, используемой Маркони для первой связи через Атлантический океан. Но очевидно это была так называемая Fan antenna, которая представляла собой 54 провода натянутых в форме треугольника и разделенных изоляторами через 1 метр. Мачты, удерживающие всю эту конструкцию были высотой 46 метров. Использовались мачты от старой поверженной антенны.

На приемной станции, которая располагалась в St John's, Newfounland был использован приемник с настраиваемой входной цепью по схеме Лоджа, с некоторыми усовершенствованиями предложенными и запатентованными Маркони. ( К сожалению мне не удалось найти достоверную схему приемника, используемого Маркони для первой трансокеанской связи:) Конечно, для нашего времени 21 века искровый передатчик и детекторный приемник, используемый Маркони для первой трансокеанской связи, выглядят несколько смешно и трогательно. Но в то время это был верх совершенства!
На приемную станцию расположенную в St John's, Newfounland Маркони с двумя ассистентами англичанами Kemp и Paget прибыл 6 декабря 1901 года. В устье бухты, в старых казармах Signal Hills был оборудован приемный пункт. Несколько дней заняли последние приготовления. 10 декабря Маркони пытался поднять приемную антенну с помощью огромного шестиугольного змея длиной 2,7 метра. Змей был сделан из бамбуковых палок обтянутых шелковой материей. Но сильный ветер порвал веревку которая удерживала змея, который затем упал в море. Следующая попытка поднять приемную антенну, проведенная 11 декабря тоже была неудачной. Для подъема антенны Маркони пытался использовать надутый водородом шар диаметром более четырех метров. Сильный ветер порвал веревку, удерживающую этот шар, и он скрылся в тумане неба Канады. Но Маркони не сдается. 12 декабря он повторяет попытку поднять антенну на водородном шаре, использовав для его удержания более крепкую веревку. ( Рисунок: 12 декабря 1901 ) (взят из [6] )). Шар поднялся вверх на 150 ( по другим источникам на 120 метров ) метров и удерживался с помощью веревки.

Marconi and Kemp

Запуск шара (12 декабря 1901)
Немедленно с помощью проволочного телеграфа на передающую станцию расположенную в Poldhu , Cornwall, Nova Scotia, было передано сообщение, что приемная станция готова к работе. Передача началась в 11-30. Практически сразу Маркони принял переданные из Новой Шотландии сигналы - три точки, буква "S".

Маркони на приемной станции в St John's, Newfounland, 12 декабря 1901 года
3500 километров было перекрыто с помощью радио, без проводов! Через два дня Маркони опубликовал в прессе результаты своих экспериментов. Газеты всего мира разнесли ( пока с помощью проводного телеграфа ) эту сенсацию.
После этого земная цивилизация вступила в другую эпоху, в эпоху радио. Тысячи и тысячи новых энтузиастов начали проводить исследования в области радио. На радиосвязь обратили серьезное внимание правительства многих стран мира. Акции компании Маркони резко пошли вверх, Маркони смог привлечь новые средства для продолжения своих исследований.
Позже, в 1933 году была воздвигнута колонна в Poldhu в честь установления первой трансокеанской связи. Каменная колонна как бы окончательно завершила один из этапов развития прогресса человечества в области радиосвязи:

Колонна



Сейчас можно прочитать материалы, подвергающие сомнению, что 12 декабря 1901 года Маркони была установлена первая трансокеанская связь. Мол, и время, и частота были неподходящие для связи. Да и точки Маркони мог принять за трески эфира. И почему он передавал точки, а не какое ни будь смысловое сообщение. Что можно ответить на это: Точки передавались нажатием ключа в течение 3-6 секунд, так что принять за точки, имеющие характерный тон искрового передатчика Маркони, какие либо атмосферные помехи Маркони не мог. Почему не передал смысловое сообщение - так это в то время Маркони не было нужно. Впрочем, уже в начале 1902 года Маркони предложил использовать его радиостанцию для постоянной связи между Канадой и Новой Шотландией, как альтернативу проволочной связи. В то время монополист проводной связи через Атлантический океан компания Anglo -American Telegraph решило поднять цены за телеграммы переданные по кабелю лежащем на дне океана. Впрочем, это уже совершенно другая история:
А в это время в других странах:
Россия: В 1901 году максимальная дальность связи, достигнутая А. Поповым, при проведении его опытов на Черном море, составила 150 километров:
США: Другой изобретатель радио, Никола Тесла, заявил, что в 1901 году им установлена и поддерживается регулярная радиосвязь с Марсом, откуда он получает инструкции для своей дальнейшей научной работы:
- Музей радио им. А.С.Попова
- О. Л. Архипов. Опыты Н. Тесла по передаче энергии по земной поверхности//Радiоаматор. Конструктор.-2001-№1.-С.26.
- http://pages.prodigy.net/onichelson
- http://www-history.mcs.st-andrews.ac.uk/history/Heawiside.html
- H. Willams. "Marconi and his wireless stations in Wales".: Carreg Gwach.-1999, 110 p. ISBN: 0- 86381-536-7
- www.radiomarconi.com
Григоров Игорь Николаевич, а/я 68, 308015, Белгород РОССИЯ
rk3zk (at) antennex.com
Комментарии