
Акустическая система "35АСДС-017" выпускалась Львовским ПО им. Ленина (ПО Лорта) с 1984 году.
Трёхполосная диностатическая акустическая система с фазоинвертором ''35АСДС-017'' обеспечивает высококачественное воспроизведение звуковых программ в
комплекте с высококачественной бытовой радиоэлектронной аппаратурой. АC обеспечивает высокую чистоту звука, не утомляет слушателя, создает хороший стерео-
эффект и эффект присутствия. В акустической системе в качестве высокочастотного и среднечастотного звеньев применены электростатические головки громкогово
рителей (ВЧ и СЧ по 2 шт.), отличающиеся весьма малыми переходными, фазовыми, частотными и нелинейными искажениями; в качестве низкочастотного звена при
менена динамическая головка громкоговорителя типа ''75 ГДН-3'', имеется плавный регулятор тембра ВЧ, позволяющий в определенных пределах (5 дБ) регулировать
тембральную окраску звучания акустической системы.
Технические характеристики:
- Максимальная шумовая мощность АС 50 Вт.
- Диапазон воспроизводимых частот - 25...25000 Гц.
- Среднее звуковое давление при номинальной мощности - 1,77 Па.
- Номинальное сопротивление АС 4 Ом.
- Потребляемая мощность - 8 Вт.
- Габариты - 360х1070х380 мм.
- Масса - 30 кг.

Особенности конструкции
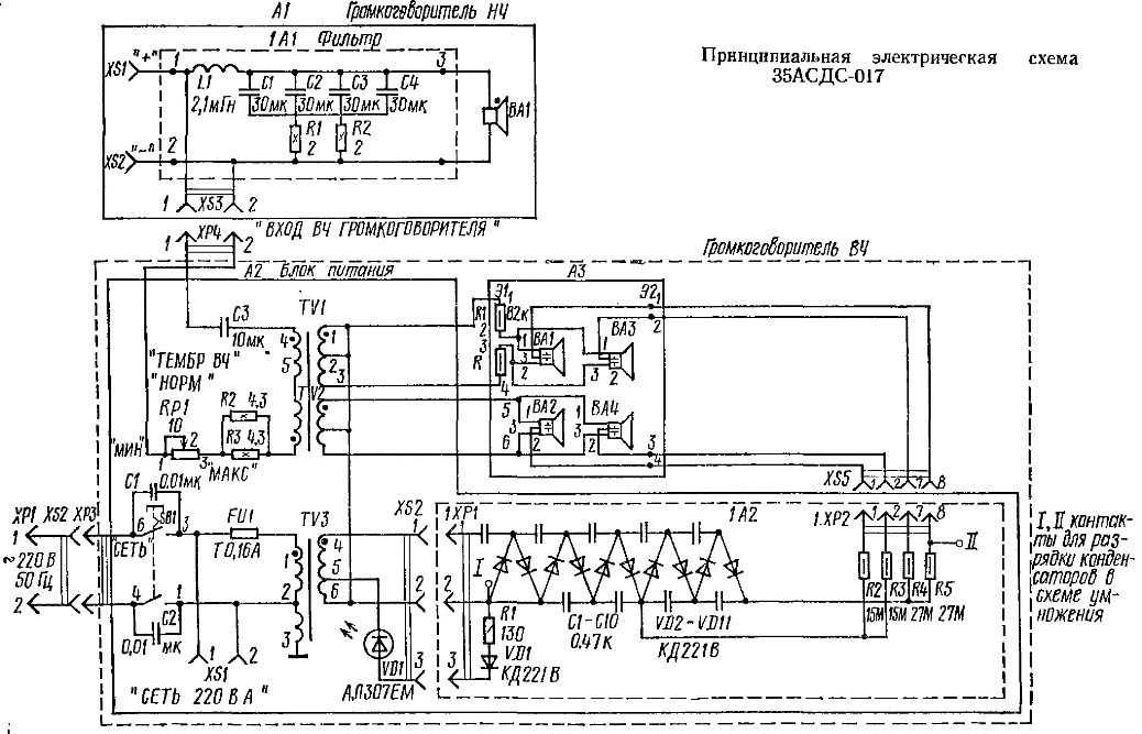
Акустическая система 35АСДС-017 выполнена в виде двух связанных конструктивно между собой блоков — низкочастотного и средне-высокочастотного. Корпус низкочастотного блока выполнен в виде прямоугольного неразборного ящика из древесно-стружечной плиты, фанерованного шпоном ценных пород дерева. Толщина стенок корпуса 18 мм, лицевая панель, с целью увеличения ее жесткости, изготовлена из плиты толщиной 38 мм. В качестве низкочастотного электродинамического звена в 35АСДС-017 используется головка 75ГДН-З, изготавливаемая ПРЗ, г. Ивано-Франковск и устанавливаемая на лицевой панели корпуса. Головка обрамлена декоративной накладкой кольцевой формы с четырьмя крепежными выступами из пластмассы с покрытием. На лицевой панели корпуса низкочастотного блока кроме головки расположено отверстие фазоинвертора 70 мм — выход пластмассовой трубы длиной 180 мм. Геометрические размеры фазоинвертора обусловливают его настройку на частоту 25 – 30 Гц.
Внутренний объем низкочастотного блока 45 л. Для уменьшения влияния на АЧХ звукового давления и качество звучания АС резонансов внутреннего объема корпуса, последний заполнен звукопоглотителем, представляющим собой маты из технической ваты, обтянутые марлей, равномерно расположенные и закрепленные на внутренних стенках корпуса. Внутри корпуса низкочастотного блока на стальном шасси смонтирован электрический фильтр, обеспечивающий электрическое разделение низкочастотной полосы АС от средне- и высокочастотной.

Принципиальная электрическая схема фильтра позволяет получить спад АЧХ в области средних частот 6 дБ на октаву и частоту разделения 500 Гц.
Средне- и высокочастотный блок состоит из двух частей — блока питания и непосредственно средне- и высокочастотных излучателей. Два среднечастотных и два высокочастотных электростатических излучателя закреплены на плоской раме, установленной на блоке питания. Каждый из излучателей представляет собой тонкую (толщина 5 мкм) металлизированную лавсановую пленку, натянутую между двумя перфорированными пластинами (электродами) из фольгированного стеклотекстолита марки СФ1-35, покрытыми для предотвращения электрического пробоя высоким поляризующим напряжением, лаком УР231 толщиной 200 мкм. Поляризующее напряжение создает между пластинами равномерное электростатическое, в котором колеблется (при пропускания электрического сигнала звуковой частоты) тонкая пленка. Герметические размеры каждого излучателя: среднечастотного 185х165 мм, высокочастотного 65х165 мм.
В корпусе блока питания на плате размещены:
- поляризатор, обеспечивающий постоянное поляризующее напряжение для высокочастотного излучателя — 1,1 кВ, для среднечастотного излучателя 2,2 кВ;
- два трансформатора, обеспечивающие подведение электрического сигнала звуковой частоты к средне- и высокочастотным излучателям, и одновременно электрическое разделение средне- и высокочастотных полос АС;
- полосовой трансформатор среднечастотной полосы имеет коэффициент трансформации 240, а трансформатор высокочастотной полосы — 160. Частота раздела между этими полосами 4000 Гц;
- сетевой трансформатор, обеспечивающий подведение питания от сети переменного напряжения 50 Гц, 220 В к поляризатору. Потребляемая электрическая мощность не более 8 Вт.
На лицевой панели блока питания находятся:
- кнопка включения электрического питания с индикацией включения СЕТЬ;
- ручка плавной регулировки уровня высоких частот ТЕМБР ВЧ, позволяющая осуществлять подъем и спад АЧХ звукового давления с 4 кГц в пределах ±3 дБ от положения НОРМ.
Кроме того, на лицевой панели укреплен декоративный шильдик с указанием названия АС и ее основных технических характеристик.
Лицевые панели низко- и средне-высокочастотных блоков, а также задняя часть средне-высокочастотного блока закрыты рамками с декоративной радио-тканью.
На задней стенке корпуса НЧ блока АС расположены специальные клеммы, позволяющие подключать к АС подводящие провода.
Комментарии