
Выпуск с 1949 года.
Для организации связи по радио между паровозом и стационарным пунктом в 1947 г. была разработана и выпускается нашей промышленностью приемо-передающая радиостанция типа ЖР-1 (железнодорожная радиостанция, первая разработка). Она состоит из трех-четырехкаскадного передатчика с модулятором, супергетеродинного пятилампового приемника и блока питания. Радиостанция работает на стометровом диапазоне на фиксированных частотах и обеспечивает надежную двустороннюю телефонную симплексную или дуплексную радиосвязь в радиусе до 6 км. Использование этой радиостанции обеспечивает беспоисковое вхождение в связь и бесподстроечное поддержание ее, что достигается применением кварцевой стабилизации в передатчике и в гетеродине приемника.
Каждой радиостанции присвоены две фиксированные частоты, разнящиеся одна от другой на 456 кгц. Всего на радиоовязь с применением радиостанций типа ЖР-1 отведено 10 фиксированных частот. Таким образом, имеется 5 серий радиостанций типа ЖР-1. Если частоты радиостанции одной серии обозначить через f1 и f2, а другой серии через f3 и f4, то эти частоты будут связаны такими соотношениями: f2— f1= = 456 кгц; f4 — f3 = 456 кгц; f2 — f3 = 436 кгц. Разнос (между соответствующими частотами радиостанций соседних серий равен 20 кгц.

Радиостанции ЖР-1 выполняются в двух вариантах: паровозном — для установки на паровозах и стационарном — для установки у диспетчеров, операторов и т. п. Приемо-передатчики паровозного и стационарного вариантов одинаковы. Как правило, при работе с радиостанциями типа ЖР-1 используют отдельные антенны для передачи и для приема, противовес и заземление. Необходимость применения двух антенн диктуется одновременной работой передатчика и приемника в дуплексном режиме.
Каждая радиостанция имеет два кварца, разнящихся по частоте на 456 кгц. Промежуточная частота приемника также равна 456 кгц. То обстоятельство, что промежуточная частота приемника совпадает с разностью частот между обоими кварцами радиостанции, использовано следующим образом. Как указывалось, связь может осуществляться дуплексом (одновременная возможность передачи и приема на обоих концах линии радиосвязи) или симплексом (чередование возможности передачи и приема). При дуплеканой связи передача в одном направлении производится на первой частоте f1 а в другом — на второй частоте f2, как показано на фиг. 10. Следовательно, на каждой станции передатчик и приемник настроены «на разные частоты. Последнее обстоятельство диктуется необходимостью вести прием корреспондента во время работы своего передатчика.
Для стабилизации передатчика и приемника используется один кварц, включенный в цепь гетеродина приемника, играющего в то же время роль задающего генератора передатчика.
Частота приходящего сигнала отличается от частоты кварца на 456 кгц, т. е. на промежуточную частоту приемника.
При симплексной работе связь занимает лишь один канал, т. е. передача в обе стороны производится на одной частоте. При этом на каждой станции (фиг. 12) используются два кварца: один с частотой f1 для стабилизации передатчика и другой с частотой f2 для стабилизации гетеродина приемника. В таком режиме гетеродин приемника уже не служит задающим генератором передатчика. Эту роль выполняет первая лампа передатчика, являвшаяся при дуплексной работе лампой буферного каскада. Таким образом, блок-схемы передатчика при дуплексном и симплексном видах связи различны. Это показано на упрощенных схемах фиг. 13 и 14. Схема приемной части остается без изменений.
При симплексной работе оказывается необходимым переключать радиостанцию с приема на передачу и обратно. Такое переключение производится с помощью реле, снимающего при переходе на передачу анодное питание с ламп приемника и подающего его на аноды ламп передатчика.

Для удобства эксплуатации радиостанция разделена на две части: приемо-передатчик и пульт управления.
На шасси приемо-передатчика размещены передатчик c цепью настройки антенны, приемник и блок питания.
Схема передатчика, частично рассмотренная выше, работает следующим образом. Колебания задающего генератора, цепи которого образованы первой и второй сетками и катодом лампы 6А8 или лампы 6К7, подвергаются дальнейшему усилению на лампах 6К7 и 6Ф6С; буферный каскад с лампой 6Ф6С имеет ненастроенную анодную нагрузку (дроссель).

Анодные цепи экранных сеток генераторных ламп питаются от выпрямителя 200 в. Оконечный каскад передатчика работает на лампе 6ПЗС и питается от отдельного выпрямителя 400 в.

Антенная цепь подключена к оконечному каскаду через промежуточный контур. Для настройки антенны имеются две удлинительные катушки. Связь с антенной переменная регулируемая. Настройка на максимальную отдачу производится по индикатору настройки. Модуляция в передатчике амплитудная сеточная, осуществляется изменением напряжения смещения лампы 6ПЗС оконечного каскада. Постоянное напряжение смещения снимается с отдельного выпрямителя 75 в, работающего на лампе 6Х6С. Модулирующее напряжение подается с вторичной обмотки анодного трансформатора лампы 6С5 микрофонного усилителя.
В приемнике связь приемной антенны с сеточным контуром первой лампы осуществляется через двухконтурный полосовой фильтр. Такое устройство необходимо для обеспечения высокой избирательности, требующейся при одновременной работе приемника и передатчика в дуплексном режиме.
Первый каскад — усилитель высокой частоты — работает на лампе 6К7 по схеме с настроенным контуром в анодной цепи. Второй каскад — преобразовательный — работает на лампе 6А8. Частота колебаний гетеродина стабилизована кварцем. Так как приходящий в приемник сигнал также стабилизован, то промежуточная частота выдерживается точно, что, в свою очередь, обеспечивает эффективное усиление в третьем усилительном каскаде промежуточной частоты на лампе 6К7. Четвертый каскад на лампе 6Г7 выполняет функции детектора, первого усилителя низкой частоты и детектоpa автоматической регулировки усиления. Пятый каскад работает на лампе 6Ф6С и является оконечным усилителем. Его нагрузкой служит динамический громкоговоритель типа 2ГДМ-3 с постоянным магнитом. Громкоговоритель включен через выходной трансформатор. Последний имеет дополнительную вторичную обмотку, предназначенную для питания телефона микротелефонной трубки. Трубка входит в комплект выносного переговорного устройства, а также применяется радиомехаником при настройке радиостанции.
В схеме приемника предусмотрена регулировка уровня чувствительности. Полагая значение отношения сигнал/помеха превышающим единицу, можно установить такой порог чувствительности, при котором уровень помех окажется ниже этого порога, а полезный сигнал — выше. Следствием такой регулировки явится устранение прослушивания помех в отсутствии полезного сигнала.
Для целей такого регулирования попользуется диодная часть лампы 6Г7. На анод диодной части автоматического регулятора усиления через сопротивление в 1 мгом подается положительное напряжение, снимаемое с потенциометра в 0,5 мгом. При этом на управляющих сетках ламп (до детекторного каскада) напряжение окажется близким к нулю, что вызовет появление сеточных токов. Вследствие этого усиление этих каскадов (за счет нагрузки контуров) станет малым (практически оно может упасть до 5% от максимально возможного). Анод диода детектора находится под постоянным отрицательным напряжением (напряжение задержки), поэтому слабый сигнал помехи, не превышающий это напряжение, не будет продетектирован и, следовательно, помеха не будет воспроизведена громкоговорителем. Если приходящий на вход приемника полезный сигнал имеет достаточную амплитуду, то он детектируется диодом автоматического регулятора напряжения. Напряжение отрицательного смещения на управляющих сетках ламп увеличивается и нормальное усиление приемника восстанавливается. В результате амплитуда сигнала на аноде диода основного детектора превысит напряжение задержки и будет иметь место обычный процесс приема. Лампы 6К7 и 6А8 (до детекторного каскада) обладают удлиненными характеристиками, поэтому автоматическая регулировка усиления при дальнейшем повышении амплитуды приходящего сигнала будет в рассмотренной схеме осуществляться обычным порядком. Описанная система не устраняет приема помех при наличии полезного сигнала, т. е. в процессе приема.
В то же время отдельные помехи всегда могут превысить установленный по полезному сигналу порог чувствительности и открыть тракт приема. Появление в громковорителе сильных тресков, щелчков и т. п. мешает оперативным работникам (диспетчеру, оператору) в их работе. Поэтому в последнее время стационарные радиостанции дополняются блоком помехозащитного устройства, и блоком тонального вызова к нему. При применении этого устройства громкоговоритель стационарной радиостанции выключен. Машинист паровоза, вызывая диспетчера, нажимает вызывную кнопку, благодаря чему на радиостанцию дежурного по станции посылается сигнал, модулированный определенной частотой. При приеме этого сигнала срабатывает реле, включающее громкоговоритель. Одновременно машинисту посылается короткий контрольный сигнал готовности стационарной радиостанции.
При эксплуатации радиостанции ЖР-1 работники, ведущие связь (машинист, дежурный по станции), должны совершать несложные операции по управлению радиостанцией, т. е. включать и выключать ее, а также переходить с приема на передачу и обратно. Эти операции производятся с пульта управления. Прочие же операции, как, например, настройка на максимальную отдачу, регулировка модуляции, чувствительности и т. п., производятся радиомехаником на приемопередатчике.
В распоряжении машиниста, ведущего связь, имеется пульт управления. На пульте размещены: выключатель питания радиостанции, вольтметр для контроля питающего напряжения, предохранитель на 10 а в общей цепи питания, две сигнальные неоновые лампочки, указывающие на включение передатчика или приемника. Внутри пульта расположен динамический громкоговоритель с выходным трансформатором. Снаружи на специальном держателе подвешивается микрофонная трубка на шнуре. На ее рукоятке имеется тангента (пластинка), нажатием которой посредством реле включается передатчик, при отпускании тангенты станция переключается на прием.
Пульт управления на стационарной радиостанции немногим отличается от паровозного, в частности, он имеет вместо вольтметра сигнальную лампочку.
Пользуясь паровозной радиостанцией, с диспетчером или дежурным могут связываться также составитель или сцепщик. Для этого им не нужно подниматься в будку машиниста. С правой стороны снаружи паровоза у входной лестницы устанавливается выносное переговорное устройство, представляющее собой герметически закрывающуюся коробку с микротелефонной трубкой. Пользуясь ею, составитель с земли ведет разговор по радио, переключая радиостанцию с приема на передачу так же, как это делает машинист паровоза со своего рабочего места.

При поездной радиосвязи выносное переговорное устройство устанавливается внутри кабины и предназначается для пользования помощником машиниста.
Стационарные радиостанции питаются от сети переменного тока. Вследствие того что колебания питающего напряжения отзываются на работе радиостанции, для стабилизации напряжения применяется феррорезонансный стабилизатор напряжения, используемый одновременно как автотрансформатор, позволяющий питать установку от сети напряжением 110 или 220 в. Мощность, потребляемая радиостанцией от питающей сети, при передаче равна 145 вт и при приеме 125 вт.
Паровозные радиостанции получают питание от турбогенераторов типа ТГ-1Р (турбогенератор на 1 квт для радиостанции). Такой турбогенератор одновременно питает постоянным током сеть освещения паровоза и переменным током радиостанцию.
Турбина снабжена центробежным регулятором, который вместе с парорегулирующим устройством предназначен для автоматического поддержания постоянного числа оборотов турбины. При работе генератора число оборотов турбины регулируется в соответствии с показаниями вольтметра на пульте управления. В целях обеспечения бесперебойного питания радиостанции на многих паровозах устанавливается, кроме основного, также резервный турбогенератор. В этом случае в кабине устанавливается общий переключатель питания.

Устанавливаемый в кабине машиниста пульт управления размещается на боковой стенке позади машиниста с таким расчетом, чтобы передача из громкоговорителя, находящегося внутри пульта, была слышна машинисту. Машинист, взяв в руку микрофонную трубку, может вести разговор с диспетчером, не теряя наблюдения за путем через смотровое окно.

Для предохранения от механических повреждений и атмосферных воздействий (снег, дождь) приемо-передатчик помещается на амортизаторах в стальном ящике

Ящик с герметически закрывающейся крышкой рассчитан на наружную установку.
Существует несколько вариантов размещения приемопередатчика, один из них, а именно с установкой на площадке с правой стороны от котла.

Использование радиостанции для связи по проводам.
В сооружениях проводной связи наиболее дорогостоящим ее элементом является линия. Поэтому принимаются меры по уплотнению цепей путем наложения на них нескольких разговоров и с использованием нескольких спектров частот.
Переход к частотам выше 150 кгц ограничивается помехами со стороны станций радиовещательного диапазона. Однако спектр частот несколько выше 2 мггц, на котором работает железнодорожная радиостанция типа ЖР-1, свободен от помех этого рода. Поэтому оказывается выгодным, с одной стороны, использовать эти частоты для уплотнения медных или алюминиевых цепей железнодорожной дальней связи, а с другой стороны, использовать в качестве готовой аппаратуры радиостанцию типа ЖР-1.
Такое использование радиостанции особенно ценно при необходимости в короткие сроки организовать дополнительный канал связи между двумя пунктами, соединенными линией. Это возможно и в том случае, если такая линия уплотнена в спектре многоканальной высокочастотной связи.
Организация канала связи с помощью радиостанции может быть достигнута двумя путями. Один из них характеризуется занятием лишь одной частоты для передачи в оба направления. Следовательно, при этом имеет место симплексная связь. Для ее осуществления радиостанция дополняется приставкой, содержащей дифференциальную систему и заградители против самовозбуждения. В этой системе связи поочередное отпирание и запирание цепей передачи и приема (наподобие пластинки на ручке микротелефонной трубки полевых телефонов) производится автоматически под действием голоса говорящего абонента.
Второй способ, использующий две частоты, является дуплексным. Передача в одном направлении происходит на одной частоте, а в обратном направлении на другой. Для того чтобы разделить каналы, вход передатчика и вход приемника обеих радиостанций снабжаются заграждающими фильтрами.
Литература:
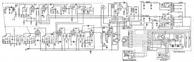
- Принципиальная схема
- В.С.Нелепец. "Радиотехника на железодорожном транспорте". МРБ вып. 196
Комментарии