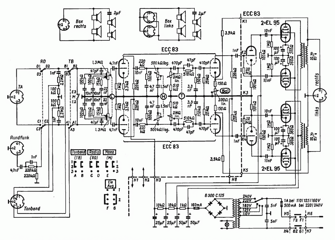
ASCO Строка навигации Главная Форумы Радиотехника ХХ века Каталог Ламповые усилители 2 апреля 2014 Постоянный адрес статьи: https://radionic2.pro/node/3525 Схема промышленного оконечного усилителя ASCO в формате djvu (37 кбт) asco.djvu Войдите или зарегистрируйтесь, чтобы оставлять комментарии Комментарии
Комментарии