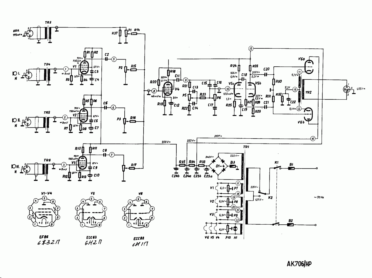
Техническое описание: усилитель типа АК 706/НР имеет 4 независимых друг от друга микшируемых канала (3 микрофонных канала и один линейный).
Современный по внешнему виду микшерный предусилитель с малым потреблением энергии дополняется отдельными регуляторами высокого и низкого тембра.
Низкоомный выход позволяет одновременное возбуждение нескольких оконечных усилителей при незначительных искажениях.

Схема промышленного четырехканального микшерного усилителя АК 706/НР
Технические данные
- Выход/Нагружаемость 1,55 В/ 680 Ом
- Чувствительность - в микрофонных каналах 0,5 мВ/200 Ом в линейном канале 775 мВ/600 Ом
- Искажение - при выходном уровне 1,55 В и на частоте 1000 Гц - 1,5 %
- Частотная характеристика - в пределах 60 - 10.000 Гц +-2 дБ
- Регулировка тембра - на частотах 30 и 15.000 Гц по крайней мере +-13 дБ
- Шум - в микрофонных каналах -46 дБ, в линейном канале -60 дБ на 1000 Гц,
- Переходной разговор - при перемодуляции на 20 дБ во всех каналах лучше 40 дБ
- Органы управления - 4 независимых канальных регулятора отдельные регуляторы высокого и низкого тембров, сетевой переключатель (сзади) сетевой выключатель, 3 потенциометра для устранения фона (доступны после снятия крышки)
- Органы сигнализации - сигнальная лампа включения
- Органы соединения - 4 экранированных входа, экранированный выход, болт заземления, сетевой разъем
- Электронные лампы - 4х EF86, ЕСС83, ЕСС82, 4 диода SIEK-4, шкальная лампа 6,3 В/0,3 А
- Питание - от сети переменного тока частотой 50 Гц напряжением 127 В или 220 В (переключается)
- Предохранители - в первичной обмотке - на - 220 В, 0,2 А (в обеих ветвях), на 127 В 0,4 А (в обеих ветвях), анодный - на 0,2 А
- Потребление мощности - прибл. 25 Ва
- Габариты - 400х305х50 мм
- Вес - приблизительно 5 кг без упаковки
Инструкция к усилителю АК 706/НР в формате djvu (275 кбт)
Комментарии