
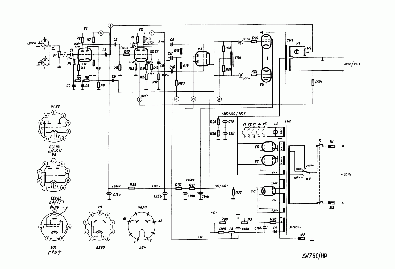
Схема промышленного оконечного усилителя AV 760/НР
Техническое описание
Мощный оконечный усилитель типа AV 760/НР, работающий от сети переменного тока, возбуждается отдельным предварительным или микшерным усилителем и способен передавать качественный звук для большого числа слушателей.
Он может быть применен для целей пропаганды, извучивания заводов, предприятий, вокзалов, спортивных площадок, общественных зданий, казарм, школ, больниц и т.д., а также для транслящий с летних театров.
Для возбуждения усилителя может быть применен любой предусилителъ с выходным уровнем приблизительно 1,55 В, выходное сопротивление которого не больше 0,1 МОм. Для этой цели служит лредусилитель завода EAG типа АК 706/НР.
Усилитель имеет автоматическое защитное устройство, которое в случае короткого замыкания выходных проводов защищает электронные лампы от перегрузок.
Технические данные
- Мощность - 80 Вт
- Выход - 125 Ом, 100В.
- Частотная характеристика - в пределах 60 - 10000 Гц не более +-2 дБ (измеряя при вылодной мощности 20 Вт)
- Стабильность - колебание выходного напряжения между полной нarpузкой и холостым ходом в пределах 3 дБ.
- Искажение - при выходиий мощности 30 Вт, на частоте 10000 Гц - 4%
- Входной уровень - ниже 1,55 В
- Входное сопротивление - 0,22 МОм
- Уровень шумов - --54 дБ относительно полезного уровня
- Органы управления - сетевой выключатель, регулятор громкости, переключатель сетевого налряжения
- Органы соединения - 2 входных разъема типа "тухел", сетевой разъем, болт заземления, выходной разъем
- Электронный лампы - 2 шт ЕСС83, 2 шт AZ 4, 1 шт ЕСС 82, 1 шт EZ 80, 2 шт 807, 1 шт шкальная лампа 6,5 В/0,1 А, 1 шт шкальная лампа 6,3 В/0,3 А
- Органы сигнализации - лампа для сигнализации модуляции, лампа для сигнализации включения
- Питание - от сети переменного тока напряжением 127, 220 и 240 В (переключается)
- Потребление мощности - прибл. 300 ВА.
- Габариты - прибл. 400x330x180 м,
- Вес - прибл. 20 кг без упаковки
- Исполнение - окрашенная металлическая коробка современной формы, с алюминиевой декоративной передней панелью с надписями, изготовленными фототехнические путем.
Завод сохраняет за собой право изменения технических данных, особенно, если это вызвано техническим развитием и не влияет на функции устройства.
Инструкция к усилителю AV 760/НР в формате djvu (212 кбт)
Комментарии