Принято считать, что качество звукового воспроизведения определяется двумя основными факторами: частотной характеристикой и нелинейными искажениями тракта "запись - передача - воспроизведение". Но на качество воспроизведения оказывает влияние и третий фактор - динамический диапазон звукопередачи. Под динамическим диапазоном звучания подразумевается отношение наибольшей звуковой мощности (громкости) к наименьшей, выраженной в децибелах. Симфонический оркестр, например, при наиболее громком исполнении излучает звуковую мощность свыше 70 Вт, а наименьшая мощность, которую излучает скрипка, составляет 4 мкВт. Таким образом динамический диапазон К симфонического оркестра составляет около 70 дБ (K=10 1g 70/4*10-б = 70 дБ). Динамический диапазон оркестра легкой музыки составляет 45 - 55 дБ.
Динамический диапазон музыкального произведения является, наряду с мелодией и ритмом, его важной составной частью, средством выражения замысла композитора. Между тем передача и воспроизведение музыкальных произведений с динамическим диапазоном 50 - 70 дБ с помощью радиопередающих устройств и многих электроакустических трактов не возможны. Для радиопередающих устройств граница передаваемых уровней снизу определяется шумами, а сверху - максимальной мощностью радиопередатчика. Если, например, передавать полный динамический диапазон в 70 дБ так, чтобы не возникли искажения из-за перемодуляции в местах с наибольшей громкостью, то при минимальной громкости коэффициент модуляции будет равен всего 0,01% (при амплитудной модуляции), или девиация частоты будет равна 10 Гц (при частотной модуляции). Это означает, что даже при самых лучших условиях приема малая громкость "потонет" в шумах и не будет воспроизведена. При записи на грампластинки очень сильные низкочастотные сигналы могут привести к разрушению стенок звуковой дорожки, а слабые сигналы будут подавляться шумами, возникающими в процессе записи.
По указанным причинам естественный динамический диапазон при передаче, записи и в других случаях сознательно сжимается до 35 - 40 дБ. В зависимости от акустических и технических условий установлены следующие нормы динамического диапазона: для радиовещания и грамзаписи - 35 дБ, профессиональной магнитной записи - 55 дБ, вещания по кабелю - 50 дБ и т. д.
Современные высококачественные звуковоспроизводящие устройства могут обеспечить передачу музыкальных программ с достаточно широким динамическим диапазоном. Однако большинство приемных и звуковоспроизводящих устройств имеют значительно худшие показатели и являются главной причиной ограничений динамического диапазона. Достаточно указать, что радиоприемники, телевизоры и магнитофоны II - IV классов вследствие высокого уровня собственных шумов и малой выходной мощности не могут воспроизвести динамический диапазон более 30 - 40 дБ.
Таким образом, на передающей стороне или во время записи сжатие динамического диапазона необходимо. Оно производится автоматически с помощью специального устройства - компрессора или вручную оператором-тонмейстером. В процессе компрессирования при больших уровнях сигнала усиление усилителя уменьшается, а при малых уровнях сигнала - усиление повышается.
Восстановление естественного динамического диапазона можно осуществить на воспроизводящей стороне при помощи так называемого экспандера или расширителя динамического диапазона. Для безыскаженной работы экспандера необходимо, чтобы расширение динамического диапазона осуществлялось по тому же закону, что и компрессирование. Сохранить эту закономерность трудно, если учесть, что процесс компрессирования часто осуществляется вручную. Из-за этого и некоторых других причин экспандеры широкого применения не нашли. В последнее время разработаны новые схемы экспандеров с частотнозависимым изменением динамического диапазона. Они позволяют расширить динамический диапазон усилителя на 10 - 14 дБ при малом уровне искажений, причем кривая регулировки выбирается с учетом оптимального слухового восприятия. Такие экспандеры даже при ручном компрессировании намного улучшают качество звуковоспроизведения и поэтому в последние годы постепенно внедряются в практику радиолюбителей, занимающихся конструированием усилителей низкой частоты.
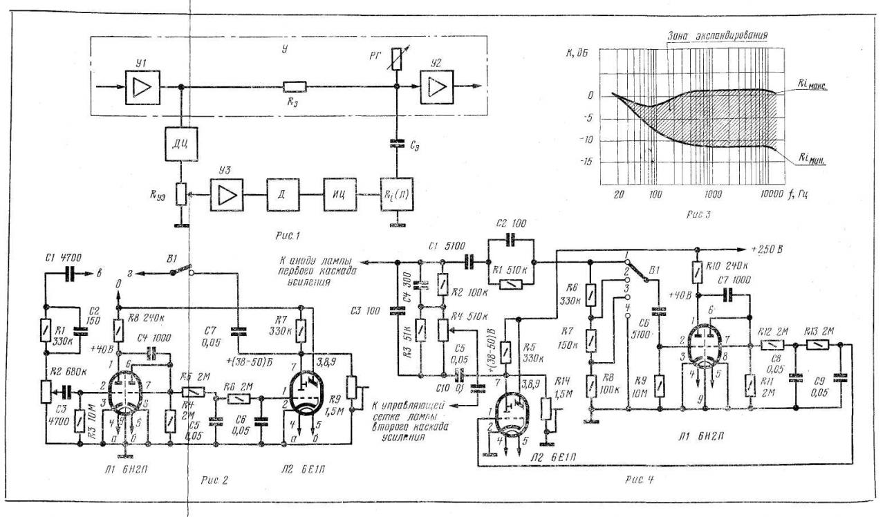
Принцип действия новых ламповых экспандеров нетрудно понять из структурной схемы, приведенной на рис. 1. Между первым (У1) и вторым (У2) каскадами усиления усилителя У, в который вводится экспандер, включают делитель, состоящий из постоянного резистора Rэ и регулируемого Ri. Функции регулируемого резистора выполняет электронная лампа Л (сопротивлением конденсатора С9 на средних и высоких частотах пренебрегаем). При таком включении делителя коэффициент усиления усилителя У зависит от сопротивления регулируемого резистора Ri, определяющего коэффициент передачи напряжения с первого каскада на второй.
Изменение сопротивления резистора Ri в зависимости от уровня сигнала осуществляется следующим образом. Низкочастотный сигнал с выхода первого каскада усиления У1 через дифференцирующую цепочку ДЦ поступает на регулятор ширины динамического диапазона Ry3 и на каскад усиления УЗ экспандера. Дифференцирующая цепочка предотвращает срабатывание экспандера при пиках напряжения в области басов, обладающих ярко выраженным ударным характером (барабан, контрабас и т. д.). С выхода усилителя УЗ низкочастотный сигнал подается на детектор Д. В результате детектирования выделяется постоянное управляющее напряжение, которое через интегрирующую цепочку ИЦ в отрицательной полярности подается на управляющую сетку регулируемой лампы Л.
Когда напряжение звуковой частоты на входе усилителя УЗ мало, управляющее напряжение близко к нулю. В этом случае сопротивление Ri регулируемой лампы мало (лампа открыта), и на вход второго каскада усиления У2 напряжение усиливаемого сигнала почти не поступает, так как коэффициент передачи напряжения делителя R3 Ri мал. По мере возрастания входного сигнала управляющее напряжение и сопротивление регулируемой лампы увеличиваются, а это приводит к увеличению коэффициента передачи напряжения делителя R3 R; и коэффициента усиления усилителя У. При максимальных уровнях входных сигналов управляющее напряжение закроет регулируемую лампу Л (Ri = макс), коэффициент усиления усилителя У возрастает до максимального значения, что соответствует максимальному расширению динамического диапазона. Регулятор громкости РГ часто устанавливают перед вторым каскадом усиления, чтобы регулирование громкости не вызывало изменения заданного динамического диапазона.
Конденсатор Сэ играет особую роль в экспандере. Он обеспечивает компенсацию в области низких частот при малых уровнях низкочастотного сигнала. Его действие аналогично действию конденсаторов в компенсированных регуляторах громкости, поэтому частотная характеристика экспандера в области низких частот совпадает с кривой чувствительности уха.
На рис. 2. приведена принципиальная схема экспандера, работающего по рассмотренному выше принципу и предназначенного для совместной работы с усилителем, описание которого приведено в листовке № 95. Такой экспандер может быть выполнен в виде отдельной приставки либо смонтирован на общем шасси с усилителем, с которым он соединяется при помощи проводов "в", "д", "г".
Как видно из схемы, низкочастотный сигнал с выхода первого каскада усиления, через цепь C1C2R1 поступает на регулятор ширины динамического диапазона R2 и далее через конденсатор СЗ на вход усилителя экспандера, собранного на левом триоде лампы Л1. Усиленное напряжение сигнала с нагрузки усилителя (резистор R8) через конденсатор С4 поступает на детектор, функции которого выполняет правый триод лампы Л1, работающий в режиме диода. Напряжение, полученное в результате детектирования, с выхода интегрирующей цепочки R5C5R6C6 в отрицательной полярности подается на сетку управляемой лампы Л2 (электронно-световой индикатор). Сопротивление этой лампы, зависящее от величины отрицательного напряжения на ее сетке, последовательно с конденсатором С7 и выключателем экспандера В1 подсоединяется к входу второго каскада усиления (см. листовку № 95, рис. 1), образуя совместно с резистором R9 регулируемый делитель, о котором говорилось при рассмотрении структурной схемы.
Постоянная времени нарастания управляющего напряжения на выходе интегрирующей цепочки (рис. 2) составляет 0,2 - 0,3 с. Время спадания напряжения несколько больше (0,5 - 0,6 с), так как оно определяется еще и сопротивлением нагрузки детектора (резистор R4) Лампа Л2, помимо регулирования динамического диапазона, выполняет еще и функции индикатора экспандирования, что облегчает возможность правильной установки режима работы экспандера. При пиках громкости на средних частотах теневой сектор индикаторной части лампы должен полностью закрываться; это достигается установкой в соответствующее положение ползунка резистора R9.
На рис. 3 приведена частотная характеристика рассмотренного экспандера, показывающая зависимость степени расширения динамического диапазона (в децибелах) от частоты. Из нее следует, что при низких частотах имеет место подъем частотной характеристики, соответствующий особенностям звукового восприятия. Естественно, что при возрастании громкости в процессе расширения динамического диапазона уровень уже поднятых басов не должен подниматься в такой же мере, как уровень средних и высоких частот. Физиологически правильное расширение динамического диапазона с увеличением частоты достигается конденсатором С7 (на структурной схеме этот конденсатор обозначен как Сэ), емкостное сопротивление которого на низких частотах велико. При большом значении сопротивления конденсатора С7 слабее проявляется регулирующее действие триодной части лампы Л2.
Благодаря тому, что величина максимального расширения динамического диапазона зависит от частоты и быстро уменьшается на частотах ниже 300 Гц, оказалось возможным при сравнительно небольших запасах выходной мощности усилители обеспечить значительное расширение динамического диапазона (10 - 12 дБ). Перегрузка выходного каскада усилителя прежде всего может быть на низких частотах, так как именно на этот участок диапазона звуковых частот приходится наибольшая амплитуда звуковых колебаний.
На рис. 4 приведена схема экспандера, в которой функции регулирования уровня экспандирования и динамического диапазона разделены. Плавная регулировка динамического диапазона осуществляется переменным резистором R4 в пределах 2 - 12 дБ. вровень экспандирования устанавливается переключателем В1. Положение переключателя динамического регистра, показанное на схеме, соответствует максимальной чувствительности экспандера и наибольшему расширению динамического диапазона. Рассматриваемая схема экспандера принципиально ничем не отличается от схемы, приведенной на рис. 2, поэтому на ее работе мы не останавливаемся.

Рис. 1, Рис. 2, Рис.3, Рис.4
Радиолюбителям, которые заинтересуются схемами экспандеров, рекомендуем ознакомиться со следующей литературой:
Зыков Н. УНЧ с экспандером. - "Радио", 1966, № 12, с. 26 - 32 и вкладка.
Игнатов А. Экспандер на полевом транзисторе. - "Радио", 1971, № 10, с. 57.
Москва, Издательство ДОСААФ СССР, 1976 г. Г-80686 от I8/III-I976 г. Изд. № 2/761з Зак. 764
Комментарии