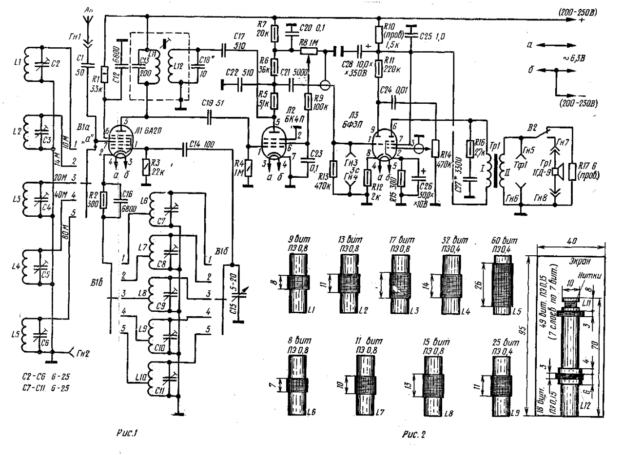
Простой супергетеродинный приемник начинающего коротковолновика (рис. 1) не требует каких-либо дефицитных деталей, практически не вызывает затруднений при налаживании и обеспечивает прием значительного числа любительских KB радиостанций, работающих телефоном и телеграфом в диапазонах 3,5; 7; 14; 21 и 28 МГц.
Для облегчения изготовления приемника радиолюбителями, не имеющими достаточного опыта в сборке подобных устройств, в схеме сделан ряд упрощений. Так, например, входные контуры при приеме радиостанций не перестраиваются, в тракте промежуточной частоты применен одиночный контур. Единственным органом настройки на принимаемую радиостанцию является переменный конденсатор, включенный в контур гетеродина. Увеличение чувствительности приемника достигнуто благодаря применению положительной обратной связи в сеточном детекторе, которая при приеме телеграфных сигналов выбирается выше критической.
Приемник содержит преобразователь частоты, сеточный детектор и двухкаскадный усилитель низкой частоты.
Как видно из схемы, в приемнике применена емкостная связь с антенной, которая осуществляется с помощью конденсатора С1. В зависимости от диапазона, в котором ведется прием радиостанций, в цепь сигнальной сетки лампы Л1, работающей в преобразовательном каскаде, контактной группой В1а переключателя В1 включается один из колебательных контуров L1C2, L2C3, L3C4, L4C5, L5C6. Каждый контур настроен конденсаторами С2 - С6 на среднюю частоту соответствующего диапазона.
Гетеродинная часть преобразователя собрана по трехточечной схеме с автотрансформаторной обратной связью. Колебательный контур гетеродина L6C7C15, L7C8C15, L8C9C15, L9C10C15 или L10C11C15, включается в цепь преобразовательной лампы контактными группами В1б, B1с переключателя В1в.
Нагрузкой преобразовательной лампы является контур L11C13, настроенный на промежуточную частоту 1600 кГц. На этом контуре выделяется напряжение промежуточной частоты (полученное в результате преобразования принятого сигнала), которое через разделительный конденсатор С19 подается на вход сеточного детектора.
Сеточный детектор работает на лампе Л2. Составляющая тока промежуточной частоты, которая имеется в анодной цепи, замыкается на катод лампы через конденсаторы С17, С18 и катушку обратной связи L12., индуктивно связанную с катушкой L11 контура промежуточной частоты. В результате этого между сеточной и анодной цепями лампы Л2 образуется положительная обратная связь. Действие положительной обратной связи приводит к тому, что общее напряжение, поступающее на вход детектора, увеличивается, а это равноценно повышению чувствительности и избирательности всего приемного устройства.
Величина обратной связи регулируется переменным резистором R8, изменяющим постоянное напряжение на экранирующей сетке лампы Л2. Чем больше это напряжение, тем больше крутизна лампы, а следовательно, и величина положительной обратной связи. При приеме радиостанций, работающих телефоном, величину обратной связи следует устанавливать близкой к критической; при приеме станций, работающих телеграфом, - выше критической.
В результате процесса детектирования на резисторе R6, включенном в цепь анода лампы L2, выделяется напряжение низкой частоты. Это напряжение через разделительный конденсатор С21 подается на вход предварительного каскада усиления низкой частоты, который смонтирован по обычной реостатной схеме на триодной части лампы Л3.
Выходной каскад собран по трансформаторной схеме на пентодной части лампы Л3. Напряжение низкой частоты на вход этого каскада подается с движка переменного резистора R14, выполняющего функции регулятора громкости. Связь между предварительным и выходным каскадами усиления низкой частоты осуществляется через конденсатор С24. В цепь вторичной обмотки зыходного трансформатора могут быть включены низкоомные телефоны Тф1 либо динамическая головка Гр1. При желании вести прием только на телефоны динамическая головка может быть отключена выключателем В2.
Следует отметить, что усилитель низкой частоты обеспечивает несколько большую мощность на выходе, чем это требуется для обычного приемника, предназначенного для приема любительских KB радиостанций. Вызвано это тем, что низкочастотная часть приемного устройства рассчитана для работы от звукоснимателя с блоком тонкоррекции и для повышения выходной мощности транзисторного приемника.
Катушки индуктивности наматывают на полистироловых или картонных каркасах. Последние перед намоткой покрывают бакелитовым лаком. Диаметр каркасов - 10 мм. Размеры и данные катушек приведены на рис. 2. Катушку обратной связи L12 наматывают на кольцо (изготовленное из плотной бумаги), которое должно иметь возможность передвигаться по основному каркасу относительно катушки L11. Расстояние между катушками L11 и L12 подбирают опытным путем при налаживании приемника.
Каркас с катушками L11, L12 располагают в медном или алюминиевом экране.
Для сердечника СЦР-1 длиной 10 мм надо предусмотреть в верхней части каркаса резьбу, (М6). Если каркас для указанных катушек выполнен из картона, то с противоположных сторон каркаса на расстоянии 5 мм от его края прорезают два прямоугольных отверстия шириной 5 мм. Затем на это место в один слой наматывают толстую нитку так, чтобы витки были расположены над прорезями. Эти витки и будут выполнять роль резьбы для сердечника. В крышке экрана нужно предусмотреть отверстие для отвертки. С помощью сердечника производится настройка контура L11C13.

Переменный конденсатор С15 изготавливают на базе подстроечного конденсатора (КПВ) с максимальной емкостью 15 - 25 пФ (удлиняют ось, на которой располагаются роторные пластины) или на базе фабричного конденсатора переменной емкости с максимальной емкостью 450 - 500 пФ. В последнем случае у конденсатора срезают все пластины, кроме двух - одной подвижной и одной неподвижной. Для удобства настройки конденсатор С15 следует сочленить с простейшим верньерным устройством.
Переключатель В1 - галетного типа, желательно керамический, двухплатный, на четыре направления (используются только три). Выключатель В2 - типа ТВ2-1. Трансформатор Tp1 выполнен на сердечнике Ш12, толщина набора 25 мм. Обмотка I содержит 3500 витков провода ПЭЛ 0,14, обмотка II - 100 витков провода ПЭЛ 0,64. Практически в конструкции можно применить выходной трансформатор от любого лампового вещательного приемника с выходной мощностью более 0,5 Вт, работающего на нагрузку около 5 - 10 Ом.
Приемник монтируется на П-образном шасси размером 210х180х60 мм, к которому прикрепляется вертикальная панель размером 210х200 мм. Шасси и панель изготавливаются из дюралюминия толщщюй 1 мм. Размеры шасси зависят от габаритов используемых деталей (переключателя, переменного конденсатора, верньера и других). На верхней горизонтальной части шасси располагают входные и гетеродинные контуры, контур L11C13 с катушкой обратной связи L12, конденсатор С28, ламповые панели. Входные и гетеродинные контуры устанавливают около соответствующих плат переключателя B1 (В1a, B1б, B1в), которые экранируют друг от друга. На передней панели устанавливают переключатель диапазонов В1, выключатель В2, гнезда для телефонов, переменные резисторы R8, R14 и ручку верньерного устройства конденсатора переменной емкости С15 со шкальным устройством.
Колодку питания, гнезда для включения антенны, заземления, звукоснимателя и динамической головки устанавливают на задней стенке шасси.
Приемник можно питать от любого выпрямителя, обеспечивающего на выходе напряжение около 200 - 230 В при токе 40 - 50 мА.
Учитывая, что в схеме приемника не требуется сопряжение настроек входных и гетеродинных контуров, налаживание конструкции значительно упрощается. Прежде всего проверяют, не допущены ли ошибки в монтажной схеме, нет ли короткого замыкания в цепях накала и анодно-экранного напряжения. Низкочастотную часть приемника проверяют с помощью звукоснимателя, путем проигрывания грампластинок.
При проверке детекторного каскада следует учесть, что в исправно работающем детекторе поворот ручки переменного резистора R8 на 80 - 90° должен приводить к возникновению собственных колебаний с частотой настройки контура L11C13. Если колебания не возникают, следует уменьшить расстояние между катушками L11 и L12. При отсутствии колебаний и в этом случае необходимо переключить выводы у катушки L12. Подбором величины конденсатора С18 и расстояния между катушками L11, L12 нужно добиться плавного подхода к порогу генерации при изменении напряжения на экранирующей сетке лампы Л2.
Регулировка преобразовательного каскада сводится в основном к настройке контура L11C13 на частоту 1600 кГц и проверке устойчивости работы гетеродина. Для этой настройки необходимо выход сигнал-генератора подсоединить к гнездам Гн1, Гн2, разорвать цепь входных контуров в точке "а", включить между сигнальной сеткой лампы Л1 и шасси резистор 100 кОм и установить по шкале СГ частоту 1600 кГц. Вращением сердечника катушки L11 добиваются максимальной громкости сигнала на выходе приемника. Обратная связь переменным резистором R8 устанавливается близкой к критической, а регулятор громкости R14 - в среднее положение.
Затем восстанавливают входную цепь и проверяют работоспособность гетеродина в пределах каждого диапазона. Если гетеродин работает, то периодическое замыкание конденсатора С15 должно вызывать уменьшение постоянного напряжения на экранирующей сетке лампы Л1, которое измеряют высокоомным вольтметром. При неустойчивой работе гетеродина на отдельных диапазонах надо более тщательно подобрать место присоединения катода (через цепь R2C16) к одной из катушек L6 - L10.
Установка границ частоты гетеродина и настройка входных контуров на среднюю частоту диапазона производится по общепринятой методике подстроенными конденсаторами С7 - С11 и С2 - С6, а в случае необходимости - изменением числа витков катушек индуктивности L6 - L10 и L1 - L5.
Работая на наружную антенну, приемник обеспечивает прием значительного числа любительских KB радиостанций.
Скачать в формате Word:
Комментарии