Листовка N 101 ЛАМПОВЫЕ УСИЛИТЕЛИ МОЩНОСТЬЮ 1 и 3 Вт

Усилители низкой частоты, описания которых приведены в настоящей листовке, могут быть использованы в любительских электрофонах, ламповых радиоприемниках, радиолах и других низкочастотных устройствах.

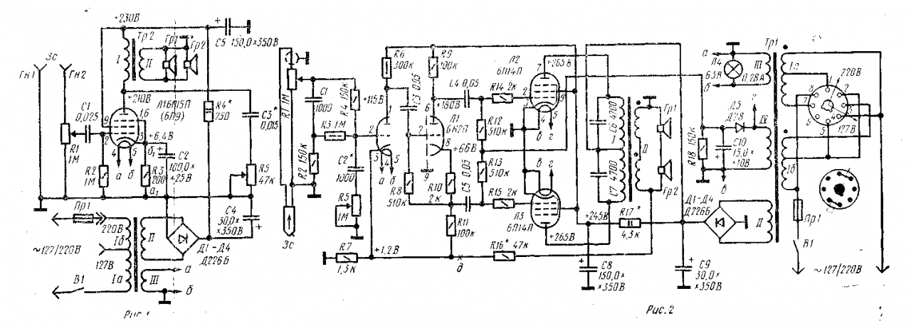
Усилитель, выполненный по схеме рис. 1, при работе от пьезокерамического звукоснимателя развивает на выходе мощность около 1 Вт. Он прост и рекомендуется для повторения начинающим радиолюбителям. Коэффициент искажений при номинальной мощности не превышает 6%.

Для нормальной работы схемы при напряжении источника сигнала, превышающего чувствительность усилителя, а также для регулирования уровня громкости на входе предусмотрен регулятор громкости R1. Он представляет собой переменный резистор, на вход которого поступает сигнал от звукоснимателя или другого источника напряжения низкой частоты. Один вывод этого резистора соединен с цепочкой R3C2, а его движок через разделительный конденсатор С1 - с управляющей сеткой лампы Л1. Когда усиливаемое напряжение мало, движок устанавливается в самое верхнее (по схеме) положение и на вход усилителя поступает полное входное напряжение. Если же на концах переменного резистора и гнездах Гн1, Гн2 напряжение будет превышать чувствительность усилителя, движок необходимо переместить несколько вниз. В этом случае в цепь управляющей сетки лампы Л1 поступает только часть напряжения низкой частоты, имеющегося на входе усилителя. Изменяя положение движка, можно найти такое место на резисторе R1, при котором обеспечивается нужный уровень громкости.

Для плавного изменения уровня громкости во всем диапазоне регулирования нужно применять переменные резисторы с показательной зависимостью изменения сопротивления от угла поворота оси (группа "В").

Резистор R2 выполняет функции сопротивления утечки сетки. С целью подачи отрицательного смещения на управляющую сетку лампы в цепь катода включен резистор R3, через который протекает анодно-экранный ток. Если к управляющей сетке переменное напряжение не подводится, то этот ток постоянен по величине и на резисторе R3 будет постоянное падение напряжения. Точка "ai" имеет отрицательную полярность относительно точки "бi" (катода), и, следовательно, управляющая сетка лампы, соединенная с точкой "ai", через резистор R2 получает отрицательное смещение. При нормальной работе усилителя, когда к управляющей сетке лампы Л1 подводится переменное напряжение, ток в цепи катода будет пульсирующим. Для получения постоянного смещения в этом случае резистор R3 блокируется конденсатором С2 большой емкости, который практически замыкает накоротко резистор R3 по переменной составляющей тока.

Такая схема получения отрицательного смещения, необходимого для нормальной работы лампы, называется схемой автоматического смещения. Она обладает ценным свойством: автоматически стабилизирует работу каскада, уменьшая влияние изменения параметров лампы на режим работы усилителя.

Нагрузкой анодной цепи лампы служит первичная обмотка выходного трансформатора Тр2. Вторичная обмотка может быть нагружена двумя параллельно соединенными динамическими головками типа 1ГД-6. Этот трансформатор нужен для согласования низкоомного сопротивления динамических головок с внутренним высокоомным сопротивлением лампы.

Цепочка, состоящая из переменного резистора R5 и конденсатора С3, позволяет изменять тембр звучания. Подобная схема коррекции обеспечивает относительный подъем частотной характеристики в области низких частот за счет уменьшения усиления в высокочастотной части спектра НЧ. Как видно из схемы, первичная обмотка трансформатора Тр2 зашунтирована цепью коррекции R5, СЗ, Емкость конденсатора С3 выбирается такой, чтобы его емкостное сопротивление переменному току начинало сказываться на частоте 2 - 2,5 кГц. Тогда на высоких частотах сопротивлением этого конденсатора можно пренебречь и усиление каскада в широких пределах изменять переменным резистором R5. Чем меньше сопротивление резистора R5, тем меньше будет усиление в области высоких частот звукового спектра. Усиление же в области низких частот останется неизменным,

Питание анодно-экранных цепей усилителя производится от выпрямителя, смонтированного по двухполупериодной мостовой схеме на диодах Д1 - Д4. Сглаживающий фильтр образован конденсаторами С4, С5 и резистором R4.

Такой усилитель можно смонтировать на П-образном шасси размером 120х140х40 мм из листового алюминия толщиной 1,5 мм. На горизонтальной части шасси размещаются ламповая панель, силовой трансформатор, резистор R4 и электролитические конденсаторы С4, С5. Если усилитель будет использован в электрофоне, регуляторы громкости и тембра R1, R5 соединяют со схемой с помощью экранированных проводов. Размещают их на лицевой панели электрофона.

Силовой трансформатор Tp1 выполнен на сердечнике Ш16, толщина набора 32 мм, площадь окна 6,4 см2. Обмотка 1а содержит 1220 витков провода ПЭЛ 0,27; Iб - 880 витков провода ПЭЛ 0,23; II - 2300 витков провода ПЭЛ 0,16; III - 65 витков ПЭЛ 0,64. Выходной трансформатор Тр2 собран на сердечнике из пластин Ш20, толщина набора 20 мм. Обмотка I содержит 4500 витков провода ПЭЛ 0,12; II - 78 витков ПЭЛ 0,64. В усилителе можно использовать выходной трансформатор от телевизоров "Север", "Зенит", "Экран" и силовой трансформатор от магнитофона "Яуза-5"

Налаживание усилителя сводится к проверке напряжения на электродах лампы и подбору конденсатора СЗ, емкость которого определяет пределы регулировки частотной характеристики.

 

На рис. 2 приведена схема сравнительно простого усилителя с двухтактным выходным каскадом, который по электрическому тракту обеспечивает равномерное усиление электрических сигналов в полосе частот 30 - 15 000 Гц при коэффициенте нелинейных искажений не выше 3% и выходной мощности не менее 3 Вт (практически до 5 Вт). Используя усилитель в электрофоне, можно качественно воспроизводить любую грамзапись. Усилитель состоит из предварительного каскада, фазоинвертора, выходного каскада и выпрямителя.

Сигнал с звукоснимателя Зс подается на переменный резистор R1, являющийся регулятором громкости. Для высококачественного воспроизведения грамзаписи усилитель должен давать повышенное усиление в области низших частот, компенсируя завал этих частот, получающийся при записи, Достигается это включением между регулятором громкости и управляющей сеткой левого триода лампы Л1 корректирующего фильтра C1C2R2 - R5. Уровень завала высоких частот, создающий относительный подъем низших частот, регулируется регулятором тембра R5. Глубина регулировки на частоте 5000 Гц составляет 15 дБ.

Первый каскад усиления смонтирован по резистивно-емкостной схеме на левом триоде лампы Л1. Нагрузкой этого каскада служит резистор R6. Резистор автоматического смещения R7 в катодной цепи не блокируется конденсатором, благодаря чему создается отрицательная обратная связь по току. С нагрузки первого каскада усиления, резистора R6, напряжение через конденсатор С3 подается на вход фазоинверсного каскада. Последний создает на своем выходе два одинаковых по амплитуде напряжения, сдвинутых по фазе на 180°.

Фазоинверсный каскад смонтирован на правом триоде лампы Л1 по схеме с разделенной нагрузкой. Такая схема отличается простотой, малыми искажениями и хорошей частотной характеристикой в широком диапазоне частот. Это, по существу, обычный резистивный усилитель, в котором нагрузка равномерно распределена между цепями анода (R9) и катода (R10). Резистор R10 обеспечивает необходимое смещение на управляющей сетке правого триода Л1, которое подается через резистор R11. Как только переменное напряжение поступает на вход фазоинверсного каскада, на его нагрузке образуются равные по амплитуде, но противоположные по фазе сигналы, которые через конденсаторы С4, С5 подаются на выходной каскад. В отличие от известных схем в этой схеме нижний конец резистора R11 присоединяется не к общему проводу, а к катоду левого триода. Благодаря этому образуется положительная обратная связь, повышающая чувствительность усилителя до 180 - 200 мВ.

Выходной каскад собран по двухтактной схеме на лампах Л2, Л3 и работает в классе АВ1. Этот класс занимает промежуточное значение между широко известными классами А и В. В режиме класса АВ1 рабочая точка выбирается в нижней части прямолинейного участка анодно-сеточной характеристики каждой из ламп, поэтому усиление слабых сигналов происходит в режиме класса А, а сильных - в режиме класса В. Это уменьшает нелинейные искажения при малых амплитудах сигнала на управляющих сетках ламп Л2, Л3 и в то же время обеспечивает высокую экономичность и большую мощность при значительных амплитудах усиливаемых сигналов. Усиление в классе АВ1 происходит без захода амплитуды усиливаемых сигналов в область сеточных токов.

Для повышения выходной мощности усилителя на управляющие сетки ламп Л2, Л3 подается фиксированное отрицательное смещение, которое снимается с выхода специального однополупериодного выпрямителя, смонтированного на диоде Д5. Это смещение поступает с конденсатора фильтра С10 через резисторы утечки сетки R12, R13 и антипараэитные резисторы R14, R15.

Оконечный каскад нагружен двумя последовательно соединенными динамическими головками 2ГД-3, которые включены в анодную цепь ламп с помощью выходного трансформатора Тр2. Для улучшения качества звучания головки имеют различные резонансные частоты (80 и 100 Гц). Получению высоких параметров усилителя способствует отрицательная обратная связь, охватывающая все каскады. Напряжение отрицательной обратной связи подается со вторичной обмотки выходного трансформатора Тр2 через резистор R16 в цепь катода левого триода Л1. От величины резистора R16 зависит глубина этой связи.

Питается усилитель от сети переменного тока с помощью выпрямителя, который собран по мостовой схеме на диодах Д1-Д4 с П-образным фильтром на выходе, образованном конденсаторами С8, С9 и резистором R17.

Трансформатор Tp1 собран на сердечнике из пластин УШ26, толщина набора 26 мм (в перекрышку). Сетевая обмотка la содержит 542+83, Iб - 83+542 витков провода ПЭЛ 0,31; повышающая обмотка II содержит 1290 витков провода ПЭЛ 0,12; обмотки накала ламп Л1, Л2 и Л3 содержат соответственно по 35 витков провода ПЭЛ 0,41 (III) и ПЭЛ 1,0 (IV). Трансформатор Тр2 собран на сердечнике УШ19, толщина набора 28 мм (в перекрышку). Обмотка I содержит 1140+1140 витков провода ПЭЛ 0,15; обмотка II - 70+70 витков провода ПЭЛ 0,38. Для того чтобы не нарушать симметрию выходного каскада, рекомендуется следующий порядок намотки выходного трансформатора. Сначала укладывается половина вторичной обмотки, затем вся первичная обмотка, а поверх ее - вторая половина вторичной обмотки. Секции вторичной обмотки между собой соединяются последовательно.

Конструктивное оформление усилителя зависит от сферы его применения, Смонтированный усилитель обычно требует наладки, для которой надо иметь, как минимум, вольтметр сопротивлением не менее 5000 Ом/В или, еще лучше, авометр типа ТТ-1.

Перед налаживанием усилителя Необходимо убедиться в правильности монтажа, надежности соединения между отдельными деталями схемы и отсутствии короткого замыкания в цепи высокого напряжения. Затем включают усилитель в сеть и измеряют постоянные напряжения на отдельных электродах ламп. На схеме рис. 2 приведены напряжения в некоторых точках схемы, измеренные вольтметром с входным сопротивлением 5000 Ом/В. Замер этих напряжений следует производить, начиная с выпрямителя и выходного каскада. Во время замера на электродах ламп могут быть обнаружены неисправности. Так, если отсутствует анодное напряжение на одной из ламп Л2, Л3, нужно выключить усш итель и проверить омметром, нет ли обрыва в первичной обмотке выходного трансформатора. Обычно напряжение на аноде выходной лампы на 10 - 20 В меньше напряжения, подводимого к средней точке выходного трансформатора от выпрямителя (конденсатора С9). Если на аноде одной из ламп напряжение окажется равным напряжению на конденсаторе С9, то это укажет на короткое замыкание в первичной обмотке трансформатора Тр2 или пробой одного из конденсаторов С6, С7. Подобное явление может наблюдаться и при отсутствии напряжения на экранирующей сетке одной из ламп из-за плохого контакта в ламповой панели. Обнаруживают место неисправности с помощью омметра.

После проверки выходного каскада измеряют режим работы фазоинвертора и предварительного каскада, а также падения напряжений на резисторах R9 и R11, которые должны быть равны. Для уравнивания напряжений тщательно подбирают резисторы R9, R11. Их сопротивления не должны отличаться друг от друга более чем на 2 - 3%,

Иногда в усилителе наблюдается паразитная генерация. Для ее устранения нужно тщательно заэкранировать входные цепи лампы Л1. Провода сеточных цепей должны быть как можно короче, а переходной конденсатор С3 лучше всего припаять непосредственно к лепесткам ламповой панели. Для того чтобы исключить возможность .возникновения генерации из-за неправильного включения отрицательной обратной связи, ее цепь перед налаживанием (в точке "д") разрывается. Более подробно вопросы борьбы с фоном переменного тока и паразитной генерацией описаны в специальной литературе.

Режим работы усилителя можно считать нормальным, если все напряжения на электродах ламп соответствуют указанным на схеме или отличаются от них не более чем на ±20%, Для проверки усилителя на его вход включают звукосниматель и восстанавливают цепь отрицательной обратной связи. В случае возникновения генерации надо поменять местами концы вторичной обмотки выходного трансформатора, идущие к громкоговорителям. Затем проигрывают грампластинку, желательно новую. В процессе проигрывания подбирают оптимальную глубину отрицательной обратной связи, изменяя величину резистора R16 и конденсатора С2, определяющего усиление в области высоких частот.

Хорошо налаженный усилитель обеспечивает высокое качество звучания.

Москва, Издательство ДОСААФ СССР, 1976 г. Г-80688 от 18/Ш-1976 г. Изд. № 2/763з Зак. 766

 

 Скачать листовку в формате Word: 

Комментарии