ВЫСОКОВОЛЬТНЫЙ СТАБИЛИЗАТОР С МАЛЫМ УРОВНЕМ ПУЛЬСАЦИЙ

Евгений Карпов

ВЫСОКОВОЛЬТНЫЙ СТАБИЛИЗАТОР С МАЛЫМ УРОВНЕМ ПУЛЬСАЦИЙ

В статье описан относительно простой высоковольтный стабилизатор, обладающий малым уровнем шумов и пульсаций выходного напряжения. В стабилизатор встроены функции плавного нарастания выходного напряжения и защиты от перегрузок.

Стабилизатор предназначен для питания чувствительных схем предварительных усилителей и фонокорректоров, выполненных на электронных лампах.

Основные соображения

Основным назначением описанного ниже стабилизатора является питание высокочувствительных входных цепей ламповых усилителей. Это определило основное требование к стабилизатору – низкий уровень шума и пульсаций на выходе [1]. Конечно, было желательно получить и малое выходное сопротивление, но этот параметр не является определяющим из-за незначительного и мало меняющегося тока, потребляемого этим блоком усилителя.

За базовый вариант была принята классическая схема компенсационного стабилизатора с однокаскадным усилителем ошибки (Рис.1) [2]. Для получения малых пульсаций на выходе стабилизатора необходимо иметь значительную величину петлевого усиления, которое существенно зависит от коэффициента усиления усилителя ошибки. Для получения максимального коэффициента усиления в качестве коллекторной нагрузки транзистора VT1 применен источник тока I, и регулирующий элемент (VT2) выполнен на полевом транзисторе (можно считать, что каскад на транзисторе VT1 в области низких частот не нагружен).

Такая схемотехника позволяет получить в области низких частот усиление каскада порядка 55 - 63db (если b используемых транзисторов находится в пределах 40 - 100).

Читатель может задать закономерный вопрос: а почему не использовать стандартный операционный усилитель? Основным преимуществом такого решения является более простая схема при сравнимой величине усиления. Так же стабилизатор получается менее склонным к паразитной генерации.

Высокое выходное напряжение стабилизатора и относительно низкое опорное напряжение VR позволяет практически бесплатно и существенно (в 2 - 3 раза) повысить стабильность выходного напряжения за счет подключения резистора, задающего начальный ток стабилитрона (R1), к цепи выходного стабильного напряжения. Если вы посмотрите на схему, то увидите, что через стабилитрон текут три тока – стабильный ток I, заданный источником тока, стабильный ток IR1, заданный резистором R1 и нестабильный ток базы транзистора IB. Если учесть, что ток базы транзистора на несколько порядков меньше суммы стабильных токов I и IR1, то становится ясно, что влияние динамического сопротивления стабилитрона RD (Рис. 2) на выходное напряжение практически исключается.

 

 Особое внимание было уделено вопросу минимизации уровня шумов на выходе стабилизатора. В схеме можно выделить два основных источника шума – это транзистор VT1 и стабилитрон VD. Шумом источника тока и резисторов делителя R2 и R3 можно в первом приближении пренебречь. Это связано с тем, что суммарное сопротивление резисторов делителя достаточно мало (сотни ом – единицы килоомм), а шум источника тока не усиливается.

Возможность минимизации уровня шумов выбором типа и режима работы транзистора VT1 весьма ограничена. Во-первых, транзистор VT1 должен быть высоковольтным, это существенно ограничивает номенклатуру пригодных типов. Во-вторых, снижение уровня шумов путем снижением величины коллекторного тока наталкивается на два ограничения: ухудшение частотных свойств каскада и снижение величины b транзистора.

Точный расчет параметров каскада весьма громоздок, и я не буду его приводить, а ограничусь несколькими практическими рекомендациями.

Для большинства высоковольтных транзисторов средней мощности, аналогичных MPSA42, 2N6517, ZTX658, ZTX458 удовлетворительное сочетание параметров достигается при токе коллектора 0.7 - 1.5mA.

(При установке транзистора в схему желательно проверить величину его b; хотя типовые значения лежат в пределах 50 - 100, могут попасться экземпляры с b = 17 - 20.)

Нежелательно использовать в качестве VT1 более мощные транзисторы (типа MJE13003), при малых токах коллектора они имеют очень малую величину b, для получения приемлемого усиления каскада придется значительно увеличивать ток коллектора. Конечно, частотные свойства стабилизатора улучшатся, но ценой этого будет значительное увеличение рассеиваемой мощности на элементах схемы и увеличение уровня шума на выходе.

Следующим объектом нашей заботы является стабилитрон VD, определяющий величину опорного напряжения VR. Как правило, выбор типа стабилитрона и его рабочих режимов производится исходя из необходимого напряжения и его стабильности. Его шумовые характеристики не учитываются и не приводятся в технических данных. Чаще всего, это и не надо, но в некоторых случаях шумовые характеристики стабилитрона важны. Например, если источник питания должен иметь низкий уровень шума на выходе, если стабилитрон используется в цепях сдвига уровня сигнала или для организации напряжения смещения во входных каскадах усилителей, и непосредственно включен в сигнальную цепь.

Простейшая эквивалентная схема стабилитрона, учитывающая его ЕДС шума EN, показана на рисунке 2. Если вы мысленно замените в схеме стабилизатора (Рис.1) стабилитрон VD на его эквивалентную схему, то становится очевидным, что шумовой генератор включен непосредственно во входную цепь усилительного каскада на транзисторе VT1 и, соответственно, его шум будет усилен.

Фактически, стабилитрон является почти идеальным источником белого шума в широкой полосе частот, простирающейся от постоянного тока до единиц мегагерц (это используется для создания генераторов шума)[3]. Уровень шумового напряжения, генерируемого стабилитроном, существенно зависит от его режима. Наибольший уровень шума стабилитрон генерирует, когда он начинает входить в режим стабилизации, и его рабочая точка находится на колене вольт-амперной характеристики. Этот режим характеризуется очень малыми токами, текущими через стабилитрон (десятки – сотни микроампер). Увеличение тока стабилитрона вызывает уменьшение уровня шумового напряжения, этот факт многократно описан в различных источниках, но численных данных о величине уровня шума мне обнаружить не удалось.

Поэтому я решил просто померить уровни шумов, генерируемых стабилитронами различных типов, и оценить влияние тока стабилизации. Измерения проводились по схеме, показанной на рисунке 3.

 В качестве источника тока использовался довольно малошумящий полевой транзистор КП302Г. Уровень шума измерялся прибором ИСШ-НЧ в звуковой полосе частот (использовался внутренний фильтр). Конечно, полученные результаты не соответствуют абсолютно точному значению уровня шума, генерируемого стабилитроном, так как источник тока добавляет собственные шумы, но как показали измерения, они весьма малы, и этой погрешностью можно пренебречь.

Комментарии

Были испытаны четыре типа стабилитронов – Д814Д, Д818Е, КС170А и BZX12 (стабилитроны типа BZX были выбраны в виду их широкой доступности). Измерения проводились для трех – четырех образцов стабилитронов каждого типа. За базовую величину был выбран номинальный ток стабилизации, указанный в технической документации на стабилитрон. Для проверки адекватности измерений и калибровки был измерен уровень шума, генерируемый микросхемой TL431. Микросхема была включена в соответствии с тестовой схемой, приведенной в ее технической документации. Измеренный уровень шума составлял – 80db (77.4µV), этот результат хорошо согласуется с ее декларированными параметрами. Замена в тестовой схеме резистора на источник тока практически не изменила регистрируемый уровень шумов.

Теперь - результаты измерений.

• Уровень шума стабилитронов типа BZX12 находился на уровне -80 -:- -81db. Что практически соответствует шумам микросхемы TL431, отличия наблюдаются только в спектральных характеристиках шума. Если шум стабилитрона практически не окрашен, то у микросхемы наблюдается заметный подъем уровня шума в низкочастотной области (фликкершумы).

• Уровень шума стабилитронов типа Д814Д находился на уровне -86 -:- -87db.

• Уровень шума стабилитронов типа Д818Е находился на уровне -89 -:- -90db.

• Уровень шума стабилитронов типа КС170А находился на уровне -96 -:- -98db.

• Характер влияния тока стабилизации на уровень шума был примерно одинаков для всех исследованных типов стабилитронов. Снижение тока через стабилитрон приблизительно до двух третей номинального значения мало влияет на уровень шума. Дальнейшее снижение тока приводит к возрастанию шумов, возрастание шума носит нелинейный характер и зависит от типа стабилитрона. Уменьшение тока ниже минимально допустимого значения приводит к резкому росту уровня шума. Например, у одного из экземпляров стабилитрона Д814Д при токе 0.5mA уровень шума составил -70db.

Из всего вышесказанного можно сформировать несколько рекомендаций, направленных на достижение минимального уровня шума.

Во-первых, целесообразно использовать стабилитроны, относящиеся к классу прецизионных, для них характерен меньший уровень шумов.

Во-вторых, стабилитроны следует использовать при токах стабилизации близких к номинальному, кроме снижения уровня шума это способствует получению более стабильного напряжения и меньшего динамического сопротивления. Если по какой-либо причине нет возможности обеспечить необходимый ток (например, ток покоя каскада гораздо меньше), то следует обеспечить подпитку стабилитрона дополнительным током (резистор R1 на рис.1).

В-третьих, для уменьшения уровня шума в высокочастотной области целесообразно шунтировать стабилитрон высококачественной керамической емкостью величиной в несколько микрофарад. В низкочастотной области такой метод малоэффективен в виду малого динамического сопротивления стабилитрона – необходимая величина емкости получится очень большой.

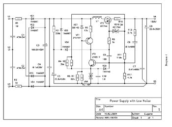
Схема стабилизатора

Полная принципиальная схема стабилизатора показана на рисунке 4. Как вы видите, собственно стабилизатор практически повторяет скелетную схему, приведенную на рисунке 1, которая дополнена рядом элементов, повышающих его надежность и улучшающих эксплуатационные показатели. Рассмотрим назначение некоторых компонентов более подробно.

 

Емкости C1 и C2 образуют искусственную среднюю точку по высокой частоте для обмотки трансформатора, питающей стабилизатор, и уменьшают уровень помех, проникающих в схему из сети (для этого контакт X2 должен быть заземлен). Резисторы R1 и R2 снижают уровень коммутационных помех выпрямительного моста, собранного на диодах VD1.VD4. Источник тока, являющийся коллекторной нагрузкой усилительного транзистора VT2, реализован по классической схеме на элементах – VT1, VD7, R6 - R8 и особенностей не имеет.

Система защиты от перегрузок по току реализована на элементах VD10, R10. Принцип ее работы основан на переводе выходного истокового повторителя VT3 в режим источника тока и одробно описан в статье "Простой высоковольтный стабилизатор". Резистор R9 и дроссель L1 являются антипаразитными элементами и уменьшают вероятность самовозбуждения выходного истокового повторителя на высоких частотах. Диод VD9 защищает база - эмиттерный переход транзистора VT2 от обратного напряжения при пуске стабилизатора и в режиме ограничения тока. Конденсатор C9 формирует амплитудно-частотную характеристику стабилизатора в области высоких частот и исключает его самовозбуждение.

Цепь на элементах C5, R3, VD5, VD6 реализует функцию плавного нарастания выходного напряжения. Работает она следующим образом. В момент включения стабилизатора конденсатор C5 разряжен и фиксирует на затворе проходного транзистора VT2 через отпертый диод VD6 потенциал, близкий к нулю. Соответственно, напряжение на выходе стабилизатора равно нулю. По мере заряда C5 током резистора R3 и током источника тока, напряжение на нем растет, и синхронно с ним растет напряжение на выходе. Транзистор VT2 на этапе пуска заперт и влияния не оказывает. При достижении на выходе номинального напряжения транзистор VT2 начинает отпираться и фиксирует на своем коллекторе напряжение, необходимое для поддержания заданного выходного напряжения. А конденсатор C5 продолжает заряжаться током резистора R3, как только напряжение на нем превысит потенциал коллектора VT2, диод VD6 запрется обратным напряжением и отключит пусковую цепь. В установившемся режиме напряжение на конденсаторе C5 близко к входному. Время пуска определяется величиной C5 и, в основном, током источника тока.

Его можно легко варьировать, меняя номинал конденсатора C5. Приблизительное время пуска можно определить по формуле –

где VOUT, I0 – выходное напряжение и ток источника тока соответственно.

Диод VD5 служит для быстрой разрядки C5 при отключении стабилизатора.

Хочу обратить ваше внимание на форсирующую цепь R13, C6. Эта цепь шунтирует верхний резистор делителя напряжения (R11) и корректирует АЧХ стабилизатора в области низких частот 50 -:-150Hz. Коррекция заключается в подъеме усиления в этой области частот, что улучшает подавление пульсаций. Но для устойчивой и правильной работы стабилизатора импеданс этой цепи должен быть согласован с параметрами делителя напряжения. Это следует учесть при перестройке стабилизатора на другое напряжение.

Перестройка выходного напряжения стабилизатора в небольших пределах (±20 -:- 25V) не требует коррекции номинала резистора R13. В этом случае, напряжение стабилизатора устанавливают изменением номинала резистора R12. Ориентировочно, его величину можно определить из следующей формулы:

При значительных изменениях выходного напряжения следует изменить номиналы резисторов, задающих токи стабилитронов (R4.R7).Суммарный ток через стабилитрон VD8 должен быть около 10mA, а через стабилитрон VD7 при номинальном входном напряжении - 5.6mA.

При использовании указанных на схеме активных элементах максимальное выходное напряжение стабилизатора - 220 -:-230V. Для дальнейшего повышения выходного напряжения следует использовать более высоковольтные транзисторы VT1 и VT2.

Например, эта же схема использовалась для стабилизации напряжения 260V, для этого в нее были внесены следующие изменения:

Изменены номиналы резисторов R4, R5 (56k.), R7, R8 (75k.), R11 (160k.), R12 (4.64 k.), R13 (10k.).

Изменен тип транзистора VT1 (ZTX758).

 

Для облегчения контроля за результатами ваших расчетов, вы можете воспользоваться готовой схемой модели стабилизатора для моделирующего пакета MicroCap-7. В модели используются только компоненты, входящие в стандартную поставку пакета, и я надеюсь, что у вас не возникнет проблем с ее использованием.

Полный перечень компонентов схемы для стабилизатора с выходным напряжением 180V приведен в приложении 1.

Результаты испытаний

Основные параметры стабилизатора и результаты измерений его выходных характеристик приведены в таблице 1. Исключением является характеристика "Выходное сопротивление", полученная расчетным путем.

В области низких частот порядка единиц – десятков Герц выходное сопротивление стабилизатора не превышает 0.1 Ом, это обусловлено значительным петлевым усилением. Приблизительно с частоты 120 -:- 150Hz начинается заметный спад петлевого усиления (начинает сказываться входная емкость VT3) и, соответственно, рост выходного сопротивления, влияние выходной емкости C8 на этих частотах незначительно. Максимального значения выходное сопротивление достигает на частотах 1.5 -:- 2kHz и потом начинает опять снижаться. В области высоких частот выходное сопротивление стабилизатора, в основном, определяется емкостью C8. Если вы планируете использовать стабилизатор для питания нагрузки, имеющей значительную переменную составляющую в потребляемом токе, то целесообразно увеличить номинал выходной емкости. Каких-либо ограничений на ее максимальное значение – нет.

Конструкция стабилизатора

Наиболее рациональным вариантом конструктивного выполнения стабилизатора является его сборка на печатной плате. Это позволяет сделать оптимальную трассировку проводников и получить хорошую повторяемость устройства. При самостоятельном проектировании печатной платы следует придерживаться стандартных правил разводки для таких устройств. Основными из них являются: требование минимальных длин соединений между компонентами, разделение цепей протекания силовых и сигнальных токов, а также - исключение земляных петель. Особое внимание следует уделить размещению проходного транзистора VT3. Высокая склонность истоковых повторителей к самовозбуждению накладывает жесткие ограничения на длину соединительных проводников, наилучшим решением будет размещение транзистора непосредственно на печатной плате и крепление всей конструкции на теплоотвод.

 

В качестве примера на рисунках 5 и 6 показана такая конструкция. Транзистор размещен на печатной плате с нижней стороны теплоотводящей поверхностью наружу и прижат сквозным винтом через печатную плату, дистанционную втулку и изолирующую прокладку к теплоотводящей пластине. Дополнительное крепление платы к теплоотводящей пластине производится винтами через отверстия по углам платы (с использованием дистанционных втулок). Чертеж печатной платы в масштабе 1:1 приведен в приложении 2, также вы можете воспользоваться для распечатки чертежа платы файлом PCB в формате ACCEL 15. Печатная плата односторонняя и очень простая, ее изготовление не должно вызвать затруднений даже в домашних условиях.

 

Необходимая площадь охладителя зависит от потребляемого тока и максимального входного напряжения, если использовать пластину из дюралюминия, равную по размерам печатной плате (толщина 2.3 мм), то максимальная рассеиваемая мощность в условиях естественной конвекции равна 3.4W. При большей рассеиваемой мощности следует использовать ребристый радиатор.

К используемым деталям никаких особых требований не предъявляется. Пассивные компоненты можно использовать любых типов. Емкости C4, C6, C7 должны быть пленочными, при замене типов резисторов следует учитывать не только рассеиваемую мощность, но и предельные рабочие напряжения. Выходную емкость C8 желательно использовать с малыми паразитными параметрами (например, серии EB фирмы Panasonic).

Дроссель L1 выполнен на ферритовом стержне длиной 20 мм и диаметром 3.5 мм (сердечник типа С3.5х20) из материала 2000НМ. В середине стержня намотана обмотка, содержащая 10 витков провода ПЭЛ-2 диаметром 0.6-:-0.8мм. Тип материала да и размер стержня особого значения не имеют, индуктивность катушки лежит в пределах 2.3µH.

Налаживание стабилизатора

В первую очередь хочу вам напомнить, что это высоковольтное устройство, и при его наладке следует соблюдать особую осторожность и неукоснительно выполнять правила техники безопасности.

При использовании заведомо исправных деталей и безошибочной сборке стабилизатор начинает работать сразу. Первое включение целесообразно делать без подключенной нагрузки с плавным повышением входного напряжения (для этого подключают первичную обмотку силового трансформатора через ЛАТР) и контролем потребляемого стабилизатором тока. Если потребляемый ток при номинальном входном напряжении не превышает десятков миллиампер, то схема работает правильно и можно продолжать наладку. Если при нарастании входного напряжения начинает сильно возрастать потребляемый ток, то следует искать ошибку.

Установку номинального выходного напряжения осуществляют подбором резистора R12.

Для удобства работы целесообразно сразу впаять этот резистор немного большего номинала и установить напряжение, шунтируя его дополнительным резистором.

В заключение, следует проверить отсутствие самовозбуждения. Для этого через емкость в несколько десятых микрофарады подключают осциллограф (чувствительность входа - 10-:-20mV) к выходу стабилизатора и контролируют отсутствие генерации, как на холостом ходу, так и при номинальной нагрузке. При наличии генерации следует увеличивать номинал емкости C9.

Заключение

Хотя представленная вашему вниманию схема стабилизатора ориентирована на питание каскадов предварительного усиления и отвечает самым жестким требованиям по уровню шума и пульсаций на выходе, ее функциональные возможности шире. Достаточно низкое выходное сопротивление позволяет с успехом использовать этот стабилизатор также для питания выходных каскадов не большой мощности или полностью всего усилительного тракта. Снабдив проходной транзистор VT3 соответствующим охладителем, можно поднять выходной ток стабилизатора до сотен миллиампер.

Нет никаких противопоказаний для использования этого стабилизатора с кенотронным выпрямителем. В этом случае схема упрощается – компоненты C1, C2, R1-:-R3, VD1-:-VD6 не устанавливаются. Вместо диодов VD1, VD2, VD5 устанавливаются перемычки, напряжение с выпрямителя подается непосредственно на вход стабилизатора через контакты X1, X3.

Объем приведенного описания рассчитан на читателей, имеющих базовые знания в области полупроводниковой электроники и аналоговой техники. Тем, кто не имеет достаточных знаний, перед повторением схемы, а тем более ее модификацией, я настоятельно рекомендую досконально разобраться, как она работает [2, 4]. Благо, литература по этим вопросам широко доступна. Это позволит избежать не нужных разочарований и сэкономить денежные средства.

 Литература

  1. И.И. Буданцев, А.Р. Сиваков, Электропитание установок связи, Ленинград 1957
  2. Додик С. Д., Полупроводниковые стабилизаторы постоянного напряжения и тока, М.: Сов. Радио, 1980.
  3. П. Хоровиц, У. Хилл, Искусство схемотехники, М.: Мир, 1983.
  4. У. Титце, К. Шенк, Полупроводниковая схемотехника, М.: Мир, 1982