Виктор Пестриков, Санкт-Петербург
Андрей осторожно взял у нее коробочку и с удивлением убедился, что это радиоприемник.
Вот это да! - пробормотал он.
Неужели детекторный?
Братья Стругацкие. Град обреченный.
Некоторые теоретические аспекты
Детекторный радиоприемник классифицируется как радиоустройство, в котором принятые сигналы радиостанций не усиливаются, а лишь детектируются. Под процессом детектирования понимается преобразование модулированных высокочастотных колебаний в исходный НЧ модулирующий сигнал. Устройство для осущесталения детектирования называют детектором. Детекторы в зависимости от амплитуды электрических колебаний делят на два типа: работающие под влиянием максимального уровня электрических колебаний (когерер, магнитный детектор) и детектирующие все амплитуды электрических колебаний (кристаллический, ламповый и электролитический детекторы) [1]. Наибольшее распространение получили кристаллический и ламповый детекторы. В зависимости от схемы включения электронной лампы различают детектирование: анодное, сеточное и катодное.
Детекторные радиоприемники могут иметь источник питания, а могут и вообще его не иметь, смотря какой тип детектора используется в их схемах. Источник питания необходим для работы когерера, магнитного и электролитического детекторов. Что касеется лампового детектора, то радиоприемник с таким детектором уже классифицируется как ламповое устройство. В схему детекторного радиоприемника не может входить усилитель какого-либо типа (УВЧ или УЗЧ), в противном случае он, в зависимости от используемых в нем радиоэлектронных компонентов, будет называться ламповым или транзисторным приемным устройством. Название "детекторный радиоприемник" обычно связывают с приемником, имеющим кристаллический детектор [2]. Наушники в таком устройстве работают только за счет энергии радиоволн, принятых антенной из эфира.
От типа и качества антенны зависит эффективность приеме радиостанций радиоприемником. Для детекторного приемника лучше всего использовать внешние антенны, Г-образные или Т-образные. Названные антенны отличаются только местом присоединения снижения. Казалось бы, чем ентенна будет длиннее и подвешена выше, тем больше энергии она сможет уловить, и громче будут звучать наушники. Однако практика показвла, что в данном случае есть разумный предел. Оптимальная длина антенны составляет 40...50 м, а высота ее подвеса 10...15 м.
Наибольшие расстояния, на которых возможен надежный и регулярный прием радиовещательных станций, зависит в основном от мощности передающей радиостанции, длины волны приема и времени суток, табл.1.
Работа кристаллического детектора до появления полупроводниковой технологии в значительной степени эавиовла от его конструктивного исполнения, подбора материалов контактирующих пар и степени поджатия контакта. Контактная пара подбирается определенным образом и может быть образована как двумя кристаллами, так и кристаллом с острием из металла. В конструкциях детекторных приемников наибольшее распространение получила контактная пара кристалл - металлическое острие.
Контактные пары в зависимости от их природы обладают различной способностью одностороннай проводимости тока, которая может быть охарактеризована зависимостью вида l=f(U), где I - ток, U - напряжение. Исходя из этой зависимости, при выборе детекторов следует отдавать предпочтение таким, которые лучше пропускают ток в прямом направлении и хуже в обратном.
В результате касания острого конца пружинки поверхности кристалла образуется контакт. У такого контакта электрическое сопротивление при направлении тока от пружины к кристаллу значительно отличается от электрического сопротивления, когда ток течет от кристалла к пружинке. Другими словами, в такой конструкции детектора ток проходит только в одном направлении. Свойство пропускать ток в одном направлении имеют многие вещества, но наилучшими являются природные минералы гален, пирит, халькопирит и др. Основные сведения о кристаллах, использовавшихся для детекторов, приведены в табл.2*.
Что касается карборундового детектора, то для установки в нем наилучшей рабочей точки необходимо использовать гальваническую батарею. Характеристики некоторых детекторных пар даны в табл.3*.
В зависимости от типа кристалла, используемого в детекторе, выбирают и наушники. В детекторном приемнике могут быть использованы электромагнитные наушники с сопротивлением звуковых катушек в 1000 Ом и более, низкоомные -сопротивление катушек менее 300 Ом, а также пьезоэлектрические наушники. Наибольшее распространение имеют высокоомные наушники. Низкоомные наушники применяются в приемниках с низкоомным детектором, например, карборунд-ствль, но такие детекторы имеют малое распространение. В отдельных случаях, когда радиопередача слышна достаточно громко, появляется возможность подключить вместо наушников абонентский громкоговоритель и тем самым расширить слушательскую аудиторию. Усилить звучание наушников при отсутствии такого громкоговорителя можно, если прикрепить к наушникам рупор определенной формы и размеров. Рупор можно изготовить из любых материалов, например бумаги или картона, но лучше использовать дерево.

Основным недостатком кристаллического детектора с подпружиненным острием является возможность нарушения контакта во время работы. Небольшое механическое (тряска) или электрическое воздействие способны нарушить стабильность контакта и тем самым привести к потере рабочей детекторной точки. В этом случае прием вообще исчезает и для его возобновления необходимо вручную переставить острие пружины на поверхности кристалла, то есть устанавливить новую детекторную точку.
Конструкция контакта типа кристалл-острие метвллической пружины была ахиллесовой пятой кристаллического детектора. Было предложено большое количество конструкций детекторов, в которых по мысли авторов изобретений достигались цели надежного и стабильного контакта, рис.1.

В связи с бурным развитием полупроводниковой промышленности в середине 50-х годов XX века детекторы с регулируемым контактом были вытеснены полупроводниковыми точечными диодами на основе германия. В новых детекторах была устранена неустойчивость в работе, благодаря прочному механическому контакту острия пружинки с кристаллом. Это были так называемые точечные диоды с переходом типа р-п. Для изготовления перехода р-п использовался метод электрической формовки. Метод заключается в пропускании мощных кратковременных импульсов тока через точечный контакт. В результате этого место контакта разогревается и кончик иглы сплавляется с полупроводником. Под контактом образуется маленький полусферический р-п переход, напоминающий точку. Полученные теким способом точечные диоды имеют устойчивые электрические параметры и высокую механическую прочность.
Детекторный радиоприемник в своем развитии
Детекторный приёмник с кристаллическим детектором и наушниками был долгое время самым распространенным радиоприемным устройством благодаря своей простоте и дешевизне. Детекторный прием - это целая эпоха в истории развития радиотехники. Главным преимуществом этого приемника является то, что он не требует источника электрического тока. Популярности детекторного приёмника могли бы поэавидоветь современные приёмники Так, например, в конце 20-х годов в Москве была джазовая тусовка, меломаны делали детекторные приёмники и слушали прямые трансляции концертов из Лондона, а потом по пемяти записывали ноты. По истечении некоторого времени меломаны встречались и сличали записи. Радиолюбители собирали детекторные приемники в виде карманных конструкций, используя для этих целей портсигары, спичечные коробки и тому подобное, рис.2. В нашей стране среди радиолюбителей имел широкое распространение детекторный приемник без конденсатора переменной емкости, конструкции сотрудника Нижегородской радиолаборатории С.И.Шапошникова.

Для настройки на радиостанцию использовался вариометр, состоящий из двух цилиндрических катушек, намотанных звонковым проводом диаметром 1,5 мм. Описание конструкции этого детекторного приемника было помещено в советском журнале "Радиолюбитель" №7 за 1924 год. Схема детекторного приемника особенностей не имела, главное заключалось в простоте изготовления самой конструкции.

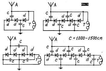
В XX веке было разрвботано множество схем и конструкций детекторных радиоприемников. На многие из этих схем и конструкций авторами были получены патенты, что говорило о новизне разработок. Некоторая часть из этих схемных решений используется до сих пор, и мы сейчас даже не подозреваем, что они запатентованы. Остановимся на некоторых неиболве интересных патентах, полученных в разные годы. В 1926 году В.Е Приходько предложил схему детекторного приемника под названием "Устройство для приема без настройки и заземления", рис.3 [3]. На следующий год этот же изобретатель запатентовал усовершенствованный варивнт приемника на основе ранее разработанной схемы. В этой схеме один из диодов был заменен колебательным контуром, рис.4 [4]. Для повышения силы приеме редиостенций в приемнике без настройки и заземления [3] в его схему было добавлено два конденсатора и заземление, рис.5 [5]. В 1929 году Ф.А.Виноградов разработал и запатентовал схему детекторного приемника, в которой использовалась однопериодная схема детектора с умножением напряжения, рис.6 [6].






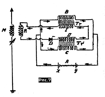
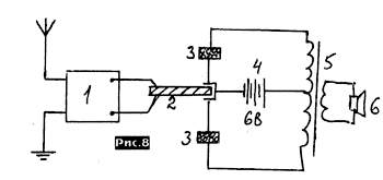
Целью данного изобретения являлось получение громкоговорящего приема радиостанции на репродуктор, включаемый в гнезда приемника вместо телефонов. Автором данной статьи по приведенным выше схемам были собраны детекторные радиоприемники из современных деталей, и на небольшую наружную антенну длиной около 7 м ему удалось принять сигналы многих радиостанций, вещающих на северо-западе России. Однако, более интересным схемным решением для повышения громкости приема явилась схема с двумя низкочастотными трансформаторами и гвльванической батареей, рис.7 [7]. В этой схеме наушники включаются в первичную или вторичную обмотку одного из низкочастотных трансформаторов. Последние патенты на схемы детекторных радиоприемников были выданы в начале 50-х годов XX века. Группой авторов был предложен безламповый радиоприемник, позволяющий прослушивать радиопередачи на громкоговоритель, рис.8 [8]. По существу это был детекторный приемник с так называемым пьезоэлектрическим усилителем, питаемым от гальванической батареи. По мысли авторов, радиоприемник должен был работать следующим образом. Под действием звуковых частот, поступающих с выхода детекторного радиоприемника (1) не пьезоэлемент (2), возникают механические колебания пьезоэлемента. Эти колебания соответствуют частоте и амплитуде подводимых сигналов. Воздействие механических колебаний пьезоэлемента изменяет плотность угольных шариков в двухтактном микрофоне (3), что в свою очередь приводит к изменению тока, протекающего в цепи первичной обмотки трансформатора (5). Путем индукции во вторичной обмотке трансформатора возникает переменное напряжение, которое вызывает колебания пьезоэлемента громкоговорителя. Естаственно, и это отмечают ввторы, коэффициент усиления и мощность, отдаваемая таким усилителем, зависят от эффективности работы пьезоэлемента, напряжения и мощности микрофонной батареи при соответствующей характеристике используемых микрофонов. Неизвестно, была ли создана работающая конструкция приемника по этой схеме, но патент на красивую идею был получен.
Детекторные радиоприемники выпускались отечественной промышленностью вплоть до середины XX века. Для того, чтобы заработал такой радиоприемник, необходимо было только к его соответствующим гнездам подключить наушники, антенну, заземление и криствллический детектор. Вначале вращением ручки настройки переменного конденсатора или перемещением альсиферового сердечника внутри контурной катушки производился поиск сигнала какой-либо радиостанции. После этого слушатель пытался увеличить громкость передачи и перемещал проволочку по поверхности кристалла детектора, то есть искал чувствительную точку приема. В промышленных приемниках было отдано предпочтение обычной схеме, состоящей из одного колебательного контура, детектора и высокоомных телефонов.
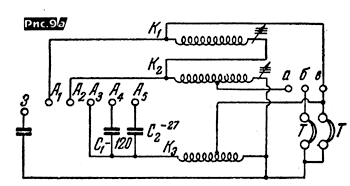
Наиболее известными детекторными радиоприемниками, выпущенными отечественной промышленностью, были "Комсомолец", "Волна", ЗИМ-1 и др. Схема приемника "Комсомолец" приведена на рис.9а.

Приемник имел размеры 180x90x49 мм и вес 350 г, рис.9б.

Схемотехника детекторного радиоприемника за 100 лет. "Радиохобби", 2004. - №1. - (стр. 2-4).
Фото детектора ДС-4: http://msevm.ru/2018/foto/11/17/12/index.htm
Комментарии
Плавная настройка на
Плавная настройка на радиостанции производилась перемещением с помощью небольшого кривошипно-шатунного механизма альсиферового сердечника внутри катушвк. В 1949 году стоимость самого детекторного приемника составляла 52...56 рублей, электромагнитных наушников 18 руб. 40 коп, а пьезоэлектрических - 28 руб. Дешевый ламповый батарейный приемник "Родина" стоил почти в шесть раз дороже детекторного приемника. При этом слушательская плата за детекторный приемник составляла 5 руб. в год, то есть в 7 раз меньше, чем за ламповый радиоприемник. Для сравнения, в этот период времени заработная плата в нашей стране начинающего научного сотрудника составляла 1050 рублей, а молодого инженера на заводе - 800 руб.
При бережном отношении детекторный радиоприемник мог служить очень долго без потребности замены каких-либо радиодеталей, что имело тогда немаловажное значение.
И все же, в послевоенный период времени не каждый гражданин нашей страны мог приобрести полностью укомплектованный детекторный радиоприемник.
С целью снижения стоимости детекторного приемника учеными ЛЭТИ (Ленинградского электротехнического института) Богородицким Н.П. и Евтеевым Ф. была разработана дешевая и простая в технологическом производстве конструкция несложного детекторного приемника, рис.10а [9]. По существу приемное устройство представляло собой детекторный радиоприемник с контурной катушкой индуктивности, выполненной печатным способом на фарфоровом диске диаметром 120 мм и толщиной 8 мм, рис.10б. Монтажные соединения и витки катушки делались проводящей пастой, содержащей дисперсное серебро. Паста наносилась в спиральные канавки с обеих сторон диска. Диск обжигался в муфельной печи при температуре 800°С. Прочность соединения элементов схемы с поверхностью фарфорового диска получалась очень высокой. После этого на лицевой поверхности диска устанавливались два вращающихся диска керамических конденсаторов (типа КПК-2) и латунные трубочки-гнезда для подключения наушников, детектора, антенны и заземления. Радиоприемник не имел корпуса, а в случае звгрязнения, его можно было просто промыть в теплой воде с мылом, не боясь повредить радиокомпоненты. Этот необычной конструкции приемник был способен на однолучевую антенну длиной 25 м и высотой подвеса ее верхнего конца 12 м принимать с достаточной громкостью радиостанции диапазона волн 270...700 м, расположенные на расстоянии до 100 км.
Отечественные промышленные детекторные радиоприемники предназначались для приема радиостанций в диапазонах длинных и средних волн. Для работы этих приемников требовалась стандартных размеров наружная антенна, а также заземление в виде металлического листа размером не менее 60x60 см2, закопанное в землю на глубину 1...1,5 м. В отечественных детекторных приемниках в основном использовался промышленный образец детектора, выполненный в пластмассовом корпусе, напоминающем штепсельную вилку, рис.11. Один штырек такой вилки с помощью плоской металлической пластины присоединялся к чашечке с кристаллом. Чашечка имела шлиц под отвертку и конструктивно располагалась посредине корпуса кристаллом вниз. Это позволяло, используя отвертку, вращать чашечку с кристаллом, к которому прикасался конец тонкой пружинки, соединенной с другим штырьком вилки. При вращении происходил поиск чувствительной точки детектирования. С освоением промышленностью производства точечных германиевых диодов детекторы в виде штепсельной вилки продолжали выпускать, но внутри ее уже был установлен германиевый точечный диод, выводы которого были припаяны к штырькам штепселя.
Детекторный радиоприемник в
Детекторный радиоприемник в XXI веке
До сих пор особенно ценным по-прежнему остается детекторный радиоприемник для труднодоступных местностей, на даче и садовом участке - там, где отсутствуют источники электроэнергии. Для хорошей работы детекторного радиоприемника главное установить качественную антенну и заземление. При благоприятных условиях возможен громкоговорящий прием радиостанций на абонентский громкоговоритель, включенный вместо наушников, и прием коротковолновых радиостанций. В настоящее время в эфире работает значительно больше радиостанции, нежели в эпоху его популярности, поэтому современный детекторный радиоприемник должен, в первую очередь, обладать высокой избирательностью. Достижение требуемой избирательности возможно только при усложнении схемы и конструкции радиоприемника. Основные схемные решения для детекторных радиоприемников с высокой избирательностью были разработаны еще в 20-е годы прошлого века. Они до сих пор не потеряли своего значения и представляют интерес для разработчиков подобных конструкций. Периодически появляющиеся в радиолюбительских журналах описания так называемых "новых" конструкций детекторных радиоприемников в основном являются "хорошо забытыми старыми" схемными решениями первой половины XX века.
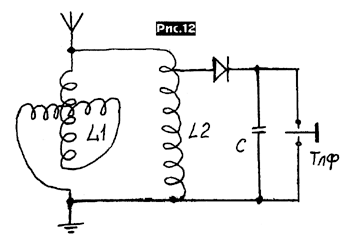
Входные цепи являются основными избирательными элементами детекторных приемников, с помощью которых осуществляется настройка на заданную частоту. В зависимости от числа резонансных контуров, настраиваемых на волну интересующей радиостанции, различают детекторные приемники с одним, двумя и несколькими контурами. Для плавной настройки контуров в основном используются конденсаторы переменной емкости, вариометры (рис.12) и магнитнодиэлектрические вариометры (катушки индуктивности с подвижными сердечниками из феррита, альсифера и других материалов).
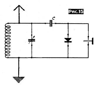
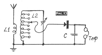
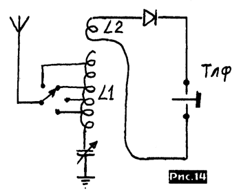
Детекторные приемники с одним настраиваемым контуром отличает простота устройства и высокая чистота звука. Несколько улучшить селективность одноконтурного детекторного приемника можно, если ослабить связь контура с детектором. Это можно осуществить несколькими давно известными способами: 1) подключить детектор к определенным отводам катушки индуктивности колебательного контура (рис.13), 2) сделать связь детектора с катушкой колебательного контура индуктивной, с помощью отдельно намотанной катушки, примерно 6...10 витков (рис.14) и 3) присоединить детектор через конденсатор (6...300 пФ) постоянной или переменной емкости ко всей катушке входного контура (рис.15).
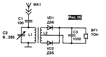
Для увеличения коэффициента передачи детектора применяют различные схемы детектирования. Известны следующие схемы: двухполупериодные, двухполупериодные с удвоением напряжения, двухполупериодные мостиковые и другие. Двухполупериодная или двухтактная схема детектирования в приемнике может быть построена по-разному. Наиболее известная схема детекторного приемника, в которой резонансный контур связан индуктивно с детекторной цепью, посредством катушки имеющий отвод от середины, рис.16. Количество витков катушки связи L2 должно быть в 1,5....2 раза больше, чем контурной катушки L1. В этой схеме колебания одного полупериода проходят через диод VD1, а другого - через диод VD2, в результате этого колебания звуковой частоты приходят в наушник BF1 с одинаковой полярностью. При этом, например, нижняя часть радиосигнала не отсекается, а как бы поворачивается вокруг оси симметрии, занимая свободные места между полупериодами верхней части сигнала.
Пестриков В.М. Схемотехника детекторного радиоприемника за 100 лет. "Радиохобби", 2004. - №1. - (стр. 2-4).