Г. Гендин, г. Москва
Гендин Г. Особенности конструиирования современных ламповых УЗЧ. - "Радио", 2003, # 1. - с.12, 13.
В последнее десятилетие наблюдается интерес к ламповым усилителям звуковых частот. Редакция журнала решила более подробно познакомить читателей с некоторыми особенностями конструирования современных ламповых усилителей для высококачественного звуковоспроизведения. Эту тему освещает автор ряда книг о высококачественных ламповых усилителях, один из разработчиков телерадиокомбайна "Темп-5" со стереофоническим звуковоспроизведением, получившего "Гран-при" на всемирной выставке в Брюсселе в 1957г.
Возобновлению интереса аудиофилов и радиолюбителей к ламповым усилителям способствовала принципиально новая концепция конструирования ламповых УЗЧ, существенно отличающаяся от принципов построения "старых" усилителей и в чем-то диаметрально противоположная "старым" представлениям, То, что прежде ставилось во главу угла при создании массовом бытовой звуковоспроизводящей аппаратуры, теперь вообще отметается как третьестепенное.
Среди требований, предъявлявшихся в свое время к низкочастотной части, любых радиотехнических устройств, главнейшим была экономичность. От усилителя требовалось минимально возможное потребление от источника питания. В жертву этому приносилось многое: для оконечного каскада, например, режим класса А расценивался как неэкономичный, а классу АВ2 отдавалось предпочтение перед классом АВ1 всюду, где это позволял заданный уровень искажений.
На втором месте стояли требования к весу и габаритам основных узлов УЗЧ, в первую очередь -- выходных и переходных трансформаторов. За ними стояли требования к максимальной технологичности производства, особенно намоточных узлов, и простоте монтажа. Число ламп и деталей в УЗЧ в идеале должно быть минимально, а о том, чтобы использовать детали с пятипроцентным допуском, не могло быть и речи.
В современной концепции высококачественного звуковоспроизведения качество современного лампового усилителя выделяется как основное его преимущество. Всё остальное, без сожаления, приносится в угоду этому показателю. Такие понятия, как экономичность, вес. габариты, стоимость, сложность производства, признаются не только несущественными, но, вообще, и не заслуживающими внимания. Никакие технологические трудности не считаются препятствиями. Сам процесс конвейерной сборки ставится под сомнение, и повторяемость двух сошедших друг за другом с конвейера аппаратов признана необязательной. Об использовании деталей с параметрическим допуском в ±5%, как и прежде, не может быть и речи, но уже по другой причине: большинство резисторов должно иметь отклонение от номинала не более ±1%.
В выходном трансформаторе точность намотки первичных обмоток ограничивается половиной или даже четвертью (!) витка, и разброс значений их индуктивности должен быть минимальным. Что касается трансформаторов, то приветствуется подход: "чем больше - тем лучше''.
Из всех классов усиления по режиму ламп отдается предпочтение классу А, даже если речь идет об оконечных каскадах мощностью в 50 иди 100 Вт. Использование в усилителях полупроводниковых приборов объявляется нежелательным, при этом даже в выпрямителях кенотронам отдается предпочтение перед кремниевыми диодами. Последние в виде исключений допускается использовать в выпрямителях цепей накала ламп.
Каждый изготовленный экземпляр усилителя подвергается индивидуальной регулировке и настройке наподобие концертного рояля, при этом индивидуальный отбор и подбор ламп считается само собой разумеющимся. В отношении выбора типов ламп для оконечных каскадов считается нормальным остановиться на таких “доисторических” триодах прямого накала, как 2А3, если их параметры удовлетворяют требованиям конструктора.

Даже из уже сказанного становится ясно, что говорить при этом о таких понятиях, как экономичность или себестоимость подобных УМЗЧ просто не имеет смысла. Действительно, “средний” по параметрам УМЗЧ с выходной мощностью 20 Вт может потреблять от сети 120...150 Вт и стоить без акустической системы 1500...2000 долларов.
Для радиолюбителей, решивших попробовать себя в этой области конструирования, очень многое на первых порах будет казаться если не странным, то трудно объяснимым. В этой связи следует обратить внимание на специфические особенности конструирования современных ламповых УЗЧ. Эта статья посвящена вопросам выбора радиоламп для современных любительских ламповых усилителей с учетом возможностей отечественного рынка радиокомпонентов.
Разделим лампы на три группы: лампы для оконечных и драйверных (предоконечных) каскадов; лампы для каскадов предварительного усиления; лампы для выпрямителей.
В первой группе при работе в классе А используются только триоды с достаточно линейной анодно-сеточной характеристикой, а также мощные лучевые тетроды или (реже) пентоды, обеспечивающие получение нелинейных искажений не более 0,5% в ультралинейной схеме включения {также в классе А).
Нет смысла перечислять все типы ламп, используемых в оконечных каскадах западными фирмами, поскольку возможное приобретения их отечественными радиолюбителями крайне маловероятна. Тем не менее, учитывая возросшие возможности международной торговли, укажем для отечественных ламп их американские и европейские аналоги.
• 2С3 (американский аналог 2А3) - мощный триод двухвольтового прямого накала, обеспечивающий в двухтактном трансформаторном каскаде в классе А полезную мощность не менее 20 Вт.
• 6С4С -- почти полный аналог лампы 2С3, но с шестивольтовым прямым накалом.
• 6С6С (американский аналог 6B4-G [1] -. аналог лампы 2А3, но с косвенным шестивольтовым накалом.
Эти три типа триодов сегодня используются в оконечных каскадах почти всеми зарубежными фирмами, выпускающими ламповые УЗЧ. Учитывая возможные трудности в приобретении именно этих ламп, для радиолюбителей можно рекомендовать некоторые отечественные триоды - 6СП9П [2] и 6С56П [3].
Эти лампы предназначены в основном для электронных стабилизаторов напряжения, но они вполне пригодны для оконечных каскадов УЗЧ. При этом у этой группы триодов есть немаловажное преимущество: они работают при более низком анодном напряжении. Вследствие этого в выпрямителе блока питания можно обойтись без дефицитных и крупногабаритных оксидных (электролитических) конденсаторов на рабочее напряжение 300-350 В. При необходимости большей выходной мощности УМЗЧ вполне допустимо в каждом плече двухтактного каскада (называемого также "пушпул" или РР в англоязычной аббревиатуре) использовать по две параллельно включенные лампы.
К этой же группе оконечных триодов можно отнести и отечественную лампу 6Н13С (полный аналог американской 6АS7-GT), каждый из двух ее триодов допускает мощность рассеяния на аноде до 13 Вт. Он работает при низком анодном напряжении (90 В) Если оба триода одного баллона соединить параллельно, то, используя в оконечном каскаде две такие лампы, можно получить полезную выходную мощность не менее 20 Вт.
Более скромным представляется выбор мощных лучевых тетродов и оконечных пентодов для выходного двухтактного каскада по ультралинейной схеме включения (в обычной схеме включения они вряд ли пригодны для современных УМЗЧ) Здесь самыми лучшими можно считать немецкие лампы ЕL-34 и ЕL-12 [1] Полным отечественным аналогом первой из них (если не говорить о качестве) является лампа 6П27С, аналога второй нет среди отечественных и американских ламп
Наконец, допустимо использовать специально предназначенную для схем кадровой развертки цветных телевизоров лампу 6П41С. Что же касается выходных ламп для строчной развертки телевизоров, они в силу своих специфических особенностей для оконечных каскадов УМЗЧ малопригодны из-за крайне низкого КПД в классе А.
Если радиолюбителя устроит неискаженная выходная мощность в 10 Вт (обычно достаточная для жилой квартиры), лучше всего применить самый распространенный в свое время в мировой и отечественной практике оконечный пентод типа ЕL-84, аналогом которого была отечественная лампа 6П14П (6П14П-В).
Комментарии
Значительно проще обстоит
Значительно проще обстоит дело с группой ламп для фазоинверсных, предоконечных каскадов и каскадов предварительного усиления. Абсолютное большинство западных производителей современных ламповых УЗЧ ограничивают их номенклатуру четырьмя типами. Два из них являются представителями более "древних" серий Это американские восьмиштырьковые ("октальные") двойные триоды типов 6SN7-GT и 6SL7GT, аналогами которых были очень широко распространенные в свое время отечественные лампы 6Н8С и 6Н9С. Два других представляют западноевропейские двойные триоды пальчиковой серии ЕСС-87 и ЕСС-83, к которым Весьма близки отечественные лампы 6Н1П и 6Н2П.
Кроме того, специально для входных (первых) каскадов предварительного усиления можно рекомендовать не применявшиеся прежде для этой цели высокочастотные одиночные триоды типов 6СЗП и 6С4П, предназначенные для усиления и генерирования сигналов СВЧ. Такие триоды характеризуются весьма низким уровнем собственных шумов (эквивалентное сопротивление внутренних шумов - не более 170 Ом) и ничтожными токами утечки в цепи накал-катод.
Это обстоятельство чрезвычайно важно для достижения общего уровня собственного фона и шумов УЗЧ примерно до -70 -80 дБ Более подробно о причине возникновения фона в первом каскаде усилителя будет рассказано в части, посвященной конструированию конкретных УЗЧ
И, наконец, третья группа - лампы для выпрямителей. На первый взгляд может показаться абсурдным применение кенотронов в наши дни, когда имеется большая номенклатура полупроводниковых диодов и диодных сборок, не только полностью заменяющих кенотроны, но и обладающих несравненно лучшими показателями по экономичности.
Тем не менее ни одна западная фирма не использует в источниках питания полупроводниковые приборы, отдавая предпочтение лампам. Плавное нарастание тока кенотрона после включения позволяет простым способом предотвратить появление высокого напряжения на анодах ламп (в первую очередь, мощных) до тех пор, пока их катоды не прогреются до температуры, обеспечивающей возникновение довольно плотного "электронного облака". Пренебрежение этим условием очень скоро приводит к так называемому "отравлению" катодов мощных ламп, их преждевременному старению и выходу из строя.
Ассортимент используемых кенотронов сравнительно невелик и включает в себя следующие типы 5ЦЗС, 5Ц8С, 5Ц9С. Из американских ламп более употребляемы 5U4G, 5Y3G, 5V4G, а из западноевропейских - ЕZ-12 [3].
Чтобы закончить лишь слегка затронутую тему о лампах, добавим, что для ламп всех каскадов (а особенно оконечных) нужно применять только керамические, а не пластмассовые панельки. Что же касается ламп предварительных каскадов усиления, то их панельки должны иметь выступающий фланец, на который снаружи надевают металлический цилиндрический экран, защищающий лампу от внешних наводок. Для лампы входного каскада желательно использовать экран, защищающий и от магнитных наводок (его можно сделать самостоятельно из листовой оцинкованной стали).
В отличие от транзисторного
В отличие от транзисторного усилителя, в ламповой конструкции, как правило, есть необходимость в выходном трансформаторе, согласующем низкое активное сопротивление нагрузки со сравнительно высоким внутренним сопротивлением лампы. Выходной трансформатор также отделяет полезную переменную составляющую сигнала от ненужной постоянной составляющей.
Практика создания большого числа ламповых УЗЧ и анализ их работы показали, что именно трансформаторы являются основным источником нелинейных и частотных искажений и, по существу, ограничивают как полосу пропускания усилителя, так и минимально достижимое значение КНИ. И многое существенно зависит от их конструкции.
Многие современные УЗЧ выполняются с двухтактными оконечными каскадами и работают в очень широком диапазоне частот - 20 Гц...20 кГц. Отношение граничных частот составляет 1:1000, что создает принципиально различные, а порой и противоречивые, взаимоисключающие условия работы трансформатора и, следовательно, предъявляемые к нему требования.
В чем суть этих противоречий? Для некоторой средней частоты рабочего диапазона (скажем, 1 кГц) индуктивное сопротивление первичной обмотки трансформатора много выше ее активного сопротивления, определяемого исключительно длиной и диаметром обмоточного провода.
Например, для типичного трансформатора промышленного лампового радиоприемника индуктивность первичной обмотки находится в пределах 10...15 Гн, а активное сопротивление - примерно 500...800 Ом. На частоте 1 кГц индуктивное сопротивление такой обмотки (ХL.) составляет 62 кОм, поэтому активным сопротивлением обмотки, включенным последовательно с ее индуктивным сопротивлением, можно просто пренебречь - потери на нем составляют около 1%.
Однако на крайней нижней частоте рабочего диапазона (а она даже в самых лучших и дорогих моделях ламповых радиоприемников оказывалась в пределах 60...80 Гц) индуктивное сопротивление обмотки составляло всего 3,5 кОм, поэтому на активной составляющей полного сопротивления обмотки теряется уже 20% полезного сигнала.
Если же мы захотим сегодня использовать такой трансформатор в современном усилителе, где нижняя граница рабочего диапазона составляет как минимум 20 Гц, то на этой частоте потери сигнала достигнут уже 70%, т. е. сигнал с частотой 20 Гц воспроизвести вообще не удастся.
Так что же надо делать, чтобы решить эту проблему? Ответ очевиден: необходимо увеличивать индуктивность первичной обмотки и уменьшать ее активное сопротивление. Увеличения индуктивности можно достигнуть увеличением числа витков обмотки и снижением потерь в магнитопроводе трансформатора. Но с увеличением числа витков растет и активное сопротивление обмотки. Снизить сопротивление обмотки при увеличении числа ее витков можно только одним путем - увеличением сечения (диаметра) обмоточного провода, но для размещения обмотки на каркасе потребуется больше места, что повлечет за собой увеличение габаритов трансформатора.
Какие же реальные значения индуктивности первичной обмотки и ее активного сопротивления (r) можно считать приемлемыми для современного УМЗЧ с нижней границей полосы пропускания 20 Гц? Если задаться максимальным допустимым значением потери сигнала на нижней частоте диапазона в10 %, то расчеты дают значение индуктивности L = 40 Гн. Реактивное и активное сопротивления:
ХL = 2рfL = 6,28 x 20 x 40 = 5 кОм;
r = 0,5 кОм (при условии г = 0,1 ХL).
Конструктивный расчет такого трансформатора (для двухтактного каскада первичная обмотка состоит из двух секций) дает значения в интервале 1500-2500 витков провода ПЭЛ или ПЭВ 0,44-0,51 мм для первичной обмотки и 50-150 витков провода диаметром 0,8 - 1,2 мм - для вторичной. Чтобы эти обмотки разместились на каркасе, размеры его "окна" должны быть около 20х50 мм, что приводит к необходимости применять трансформатор с сечением магнитопровода не менее 10 см2 для усилителя с выходной мощностью 10...15 Вт. Для усилителей с выходной мощностью в 40 Вт сечение соответственно увеличивается до 15...18 см2.
Чтобы эти цифры у радиолюбителя связались с реальными представлениями о трансформаторах, напомним, что такой пакет железа (сечением 30х63 мм) имел трансформатор питания телевизора "Рубин-102" мощностью в 150 Вт! Такова сегодня цена за реальную нижнюю границу полосы пропускания усилителя в 20 Гц.
Теперь поговорим о цене
Теперь поговорим о цене различия в параметрах двух половинок первичной обмотки выходного трансформатора двухтактного УМЗЧ, намотанных традиционным, неизменно применявшимся в промышленном производстве способом. На каркас вначале наматывали одну половину первичной обмотки, затем следовал один или несколько слоев изоляции, а после нее наматывали вторую половину обмотки. При этом длина первого витка (у основания каркаса) была значительно меньше длины последнего витка второй половины обмотки, и их сопротивление оказывается различным. К этому следует добавить, что и индуктивности обеих половинок обмотки окажутся неодинаковыми, поскольку в формулу индуктивности многослойной цилиндрической катушки входят диаметры нижнего и верхнего витков, а они для двух половинок обмотки окажутся разными.
Не загружая читателя громоздкими вычислениями, отметим, что при общем сопротивлении 500 Ом нижняя половинка обмотки имеет сопротивление 200, а верхняя - 300 Ом. Примерно такая же разница получается и для других паразитных параметров этих половинок (индуктивность рассеяния, межвитковая емкость обмоток).
Даже приближенный расчет приводит нас к интересному результату. Если в оконечном каскаде применены два триода с анодным током 100 мА каждый при напряжении источника 120В (например, лампы 6С19П), то в результате падения напряжения на постоянном активном сопротивлении обмоток разница в напряжении на анодах двух ламп составляет около 10 %. На низких же частотах, когда индуктивное сопротивление обмоток начинает шунтировать нагрузку, разница в индуктивности половинок обмотки приводит к асимметрии и увеличению нелинейности мощного каскада. Аналогичные нарушения симметрии возникают и в области высоких звуковых частот.
Таким образом, при "классической" технологии намотки трансформатора и равенстве числа витков двух половинок первичной обмотки сопротивления и индуктивности будут различаться, что, конечно же, исключает возможность получения нелинейных искажений менее 1 %.
В результате следует вывод: требования, предъявляемые к конструкции трансформаторов, отнюдь не являются чрезмерными, и при изготовлении трансформаторов нужно точно выполнять указания и рекомендации.
Теперь перейдем к практической стороне дела и начнем с выбора магнитопровода для выходных трансформаторов. С учетом ранее упомянутых особенностей трансформаторов двухтактных УМЗЧ и для удобства намотки лучше использовать ленточные разрезные магнитопроводы стержневого типа (ПЛ, см. фото). На каждом из двух стержней размещают два одинаковых каркаса с двумя одинаковыми обмотками (одноименными выводами в одну сторону), практически с одинаковыми электрическими параметрами.
Намотка каждой из двух катушек в этом случае не требует никаких специальных технологических приемов и осуществляется на обычном намоточном станке с укладчиком, позволяющим получить плотную рядовую послойную намотку "виток к витку". Наматывать катушки "внавал" совершенно недопустимо.
Поверх половинки первичной обмотки на каждой из двух катушек наматывается таким же образом половина витков вторичной обмотки, а после сборки трансформатора обе половины как первичной, так и вторичной обмоток соединяют последовательно. Такой трансформатор отличается симметрией частей его обмоток и имеет незначительные внешние поля рассеяния. Надо заметить, что концы секций первичной обмотки следует подключать к источнику питания, а начала - к анодам ламп. Паразитные связи в трансформаторе при этом минимальны.
Впрочем, вполне возможно
Впрочем, вполне возможно изготовить хороший выходной трансформатор и на броневом магнитопроводе, набранном из отдельных Ш-образных пластин, однако его изготовление окажется более трудоемким и потребует выполнения дополнительных операций. Первая трудность на этом пути связана с самим магнитопроводом. Для трансформаторов звуковых частот пригодны пластины толщиной не более 0,35 мм.
Собрав пакет необходимой толщины, следует прибавить к нему еще не менее 10 % дополнительных "резервных" пластин (и перемычек тоже) про запас. Все пластины и перемычки, проверенные на отсутствие заусенцев и зазубрин, необходимо с двух сторон покрыть из пульверизатора тонким слоем нитрокраски или жидкого цапон-лака, после чего тщательно высушить.
Для трансформатора с броневым магнитопроводом необходим секционированный каркас. Скорее всего, из готовых промышленных изделий ни один не подойдет, особенно если он неразборный. Но прежде чем приступить к самостоятельному изготовлению каркаса, нужно остановиться на одном из трех вариантов намотки, показанных на рис. 1.
Вариант "а" предполагает каркас, разделенный точно пополам дополнительной внутренней щечкой на всю высоту окна. В этом случае в каждой секции наматывается по одной половинке первичной обмотки, поверх которой после нескольких слоев изоляции (кабельной бумагой или лакотканью) в каждой секции укладывается ровно половина витков вторичной обмотки. Секции первичной и вторичной обмоток соединяются между собой последовательно.
В варианте "б" средняя щечка делается меньшей высоты - вровень с половинками первичной обмотки. После их намотки укладывают 2-3 слоя изоляции (кабельной бумаги) во всю ширину каркаса и сверху, также во всю ширину каркаса, наматывают без разрыва всю вторичную обмотку.
И наконец, вариант "в" предусматривает разделение каркаса на три секции. В двух крайних секциях наматывают половинки первичной обмотки, а в средней - всю вторичную обмотку. Электрически все три варианта равноценны, поэтому конструктор может остановить свой выбор на любом из них. Для сохранения свойств, достигаемых в двухкатушечных конструкциях трансформаторов, секции первичной обмотки следует наматывать в разных направлениях, тогда концы секций, как и в двухкатушечном варианте, можно соединить с источником питания, а начала - с анодами ламп.
Пластины магнитопровода собирают встык, без зазора, поскольку в двухтактных схемах подмагничивание постоянным током отсутствует. Полностью собранный трансформатор желательно подвергнуть влагозащитной обработке, можно даже в домашних условиях. В железной банке или любой другой подобной посуде, внутри которой может поместиться целиком или хотя бы наполовину выходной трансформатор, нужно растопить и хорошо прогреть свечной воск, парафин, стеарин или промышленный церезин. Трансформатор опускают в расплав и выдерживают в нем, подогревая 2...3 мин. Если в банке уместилась только часть трансформатора, следует перевернуть его и снова "проварить" 2...3 мин. Пропитанный трансформатор надо извлечь и дать стечь лишнему воску.
После остывания до комнатной
После остывания до комнатной температуры застывшие потеки, если они мешают креплению трансформатора, можно осторожно удалить деревянной или пластмассовой лопаточкой (но не стальным ножом!). Готовый трансформатор желательно поместить в металлический кожух-экран, чтобы исключить воздействие его электрических и магнитных полей на лампы, открытую печатную плату, регуляторы и соединительные провода; это предотвратит неконтролируемые паразитные обратные связи.
Секционирование обмотки полезно и при изготовлении выходного трансформатора однотактного усилителя (мощного или предварительного каскада).
При конструировании трансформаторов следует руководствоваться следующим:
1. Магнитопроводы из высококачественной трансформаторной стали уменьшают искажения и потери во всей полосе частот, уменьшают габариты и паразитные параметры обмоток (индуктивности рассеяния и емкости между обмотками).
2. Секционирование вторичной обмотки позволяет подобрать наиболее оптимальное сопротивление нагрузки последовательно-параллельным соединением частей обмотки.
3. Обмотки трансформатора допустимо наматывать только виток к витку, плотно укладывая от щечки до щечки каркаса.
4. После каждого слоя обмотки нужна изоляционная прокладка из тонкой (папиросной или конденсаторной) бумаги, чтобы витки следующего ряда не проваливались около щечек каркаса в нижние слои.
5. Применение обмоточных проводов большего, чем указано в описании, диаметра неоправдано. Использование провода соседнего типономинала с меньшим диаметром заметно не влияет на параметры усилителя, но обеспечивает размещение всех обмоток в окне каркаса.
В качестве примера приведем конструктивные и электрические данные выходного трансформатора для усилителей, использующих в двухтактном оконечном каскаде по ультралинейной схеме лампы ЕL-34 (6П27С). Этот же трансформатор вполне можно применять вместе с лампами ЕL-84 (6П14П). Однако следует сразу предупредить, что точное повторение приводимых данных с точностью до одного витка и использование рекомендованных диаметров намоточного провода не всегда может оказаться оправданным, а в отдельных случаях привести к тому, что все обмотки не уместятся в окне каркаса.
Причина проста используемые разными радиолюбителями пакеты магни-топроводов могут иногда сильно различаться по качеству трансформаторной стали, что приводит к разной величине индуктивности при абсолютно одинаковом числе витков катушек и, следовательно, к неоптимальному режиму оконечных ламп по отдаваемой неискаженной мощности.
Что касается заполнения окна обмотками, то здесь различие может оказаться еще больше, так как оно зависит от применяемых обмоточных проводов (ПЭТВ-2, ПЭЛ, ПЭВ-1, ПЭВ-2 и т. д.), имеющих при одном и том же диаметре по меди (например, 0,2 мм) разный наружный диаметр - 0,215...0,235 мм. Отклонение возможно и из-за числа слоев и толщины изоляции между слоями и обмотками - применимы папиросная, конденсаторная, кабельная бумага, лакоткань, мелованная бумага, ватман. Заполнение ухудшается при уменьшении плотности намотки и силы натяжения провода, а также полноты заполнения каждого слоя намотки витками.
А теперь о конструкции выходного трансформатора для усилителя мощности с лампами 6П27С.
Магнитопровод - Ш-образный броневой УШ-32 (сталь 1513, 1514, толщина пластин 0,35 мм), толщина пакета - 40 мм, сечение - 12,8 см2, размер окна (без учета толщины его стенок) - 32х80 мм. Полезное сечение, используемое для размещения обмоток, - не менее 21 см2, рабочая ширина одного слоя намотки - не менее 76 мм.
Выбор конструкции каркаса (см. рис. 1) и способа намотки определяется самим радиолюбителем. Каждая половина первичной обмотки содержит по 1200 витков провода ПЭЛ или ПЭВ диаметром 0,44 мм. Отвод для подключения экранирующей сетки от 500-го витка. Однако для любителей-экспериментаторов рекомендуем сделать три отвода: от 500-го, 600-го и 700-го витков с тем, чтобы иметь возможность подобрать в процессе регулировки усилителя оптимальный режим работы оконечного каскада - максимальной выходной мощности при заданном уровне нелинейности (спектра гармоник).
В этом трансформаторе при плотной рядовой намотке и использовании каркаса с двумя секциями (одна перегородка посредине) в одном слое первичной обмотки умещается примерно 75 витков, а вся обмотка потребует 16 рядов и с учетом толщины и числа слоев изоляции займет чуть меньше половины сечения окна. В оставшейся части окна размещают вторичную обмотку (по одной половине в каждой секции). Первичную и вторичную обмотки разделяют 2-3 слоя толстой кабельной бумаги, которую вполне можно заменить полосками чертежного ватмана или мелованной бумаги.
Бумажные полоски для межслойной изоляции нужно вырезать на 4 мм шире внутреннего размера окна каркаса, и по обеим сторонам ленты ножницами сделать надрезы глубиной по 2...3 мм через каждые 3...5 мм, как это показано на рис. 2. При намотке такой ленты ее края загибаются, что полностью и надежно предотвращает западание крайних витков в нижележащие слои, позволяя использовать для намотки полную ширину окна.
Вторичная обмотка содержит 120 витков провода ПЭВ или ПЭЛ диаметром 1 мм и разбита на 8 частей (секций). В каждой половинке окна наматывают 4 секции по 15 витков (всего по 60 витков).
Таким образом, всего из катушки может выходить много выводов. Чтобы не запутаться в них, до начала намотки в щечках каркаса в определенных местах нужно просверлить отверстия для выводов проводов. Каждое из них следует пронумеровать, и в процессе намотки помечать на листе бумаги соответствие выводов и отводов обмоток номерам отверстий на каркасе. После окончания намотки всего трансформатора нужно нарисовать на бумажном листочке размерами 30х70 мм схему трансформатора и проставить на ней номера соответствующих выводов. Этот паспорт нужно приклеить на видимую выступающую часть каркаса, защитив его сверху полоской прозрачной липкой ленты типа "скотч" соответствующей ширины. Впоследствии эта информация может оказаться полезной.
Динамический диапазон
Динамический диапазон воспроизведения - один из важнейших показателей любого высококачественного аудиотракта. Динамический диапазон усилителя в первую очередь определяется уровнем собственных шумов самого усилителя. Эти шумы складываются из трех составляющих:
- остаточного "фона" (пульсаций) на выходе выпрямителя при наибольшем токе потребления;
- собственных шумов усилительного элемента и резисторов на входе усилителя;
- внешних и внутренних наводок на сигнальные цепи
Для снижения уровня пульсации в цепях питания до требуемого уровня увеличивают емкости оксидных конденсаторов фильтров, вводят дроссель в фильтр питания. Кроме того, применяют специальные узлы и компоненты - электронный стабилизатор напряжения на выходе выпрямителя, дроссели с компенсационной обмоткой или настройкой контура в резонанс на частоту пульсации.
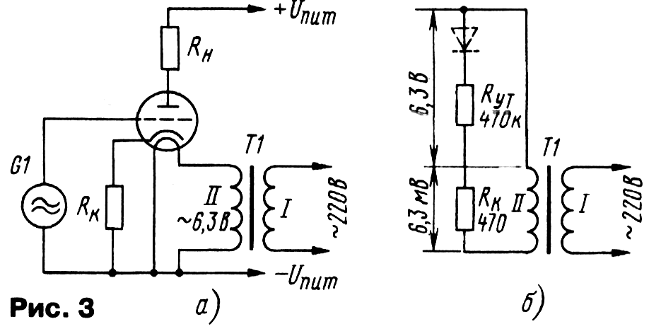
Чтобы снизить влияние второго фактора, для входного каскада выбирают лампы с минимальным паспортным значением собственных шумов. Для питания нити накала следует использовать постоянный ток от отдельного выпрямителя с пониженным до 6 В напряжением на выходе, создавать защитную разность потенциалов между катодом и нитью накала ламп предварительных каскадов. В связи с последней рекомендацией рассмотрим способ снижения фона с частотой 50 Гц, возникающего в цепи подогреватель-катод первой лампы.
У электронной лампы между нитью накала и катодом (рис. 3,а) всегда имеется сопротивление утечки Rут Благодаря имеющемуся на катоде положительному напряжению относительно общего провода (шасси), соответствующему напряжению автоматического смещения +2 В, участок подогреватель-катод можно рассматривать как открытый диод с внутренним сопротивлением, равным Rут, величина которого колеблется от сотен до тысяч килоом. Примем это сопротивление равным 470 кОм (на рис. 3,б показана эквивалентная схема цепи накал-катод).
Естественно, что через этот диод о цепи обмотка накала - промежуток подогреватель-катод - резистор автоматического смещения потечет ток и напряжение на обмотке (6,3 В) окажется поделенным на сопротивлениях Rут и Rк в отношении 1000:1. На резисторе автоматического смещения окажется паразитное переменное напряжение примерно 0,0063 В. Это напряжение усиливается всеми последующими каскадами и создает на выходе усилителя заметное напряжение фона. Если учесть, что чувствительность УЗЧ обычно составляет 100...200 мВ, то номинальный уровень полезного сигнала всего лишь в двадцать-тридцать раз больше паразитного фона.
Проводимость паразитного диода подогреватель-катод можно устранить, создав на нити накала положительный потенциал, превышающий по значению сумму напряжения на катоде и амплитуду напряжения накала. Один из вариантов такого смещения представлен на рис. 4.
Цепь подогревателя лампы здесь не соединена с шасси, а положительное напряжение на эту цепь подается от дополнительного делителя напряжения через подстроенный резистор, с помощью которого при регулировке усилителя добиваются минимального уровня фона. Постоянное напряжение +25...30 В можно взять от общего выпрямителя и снять с нижнего плеча делителя, состоящего из двух постоянных резисторов и дополнительного фильтрующего конденсатора.
Следует напомнить, что уровень этого фона весьма незначителен, поэтому измерять его следует ламповым милливольтметром на пределе не более 5 мВ, а еще лучше - с помощью осциллографа, так как фон с частотой 50 Гц явно выделяется среди других наводок и шумов.
Теперь о третьем, важнейшем
Теперь о третьем, важнейшем факторе, влияющем на уровень собственного фона усилителя. Грамотный монтаж входных цепей и цепей функциональных регулировок (громкость, тембр, баланс) в значительной степени устраняет влияние этого фактора на общий уровень шумов.
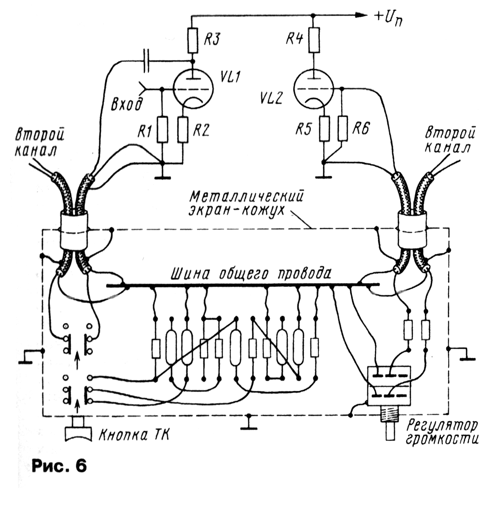
Для того чтобы уяснить принципы грамотного монтажа, рассмотрим рис. 5, где показано соединение сеточной цепи лампы с входным разъемом, отстоящим от лампы на некотором расстоянии. Рекомендации будут практически одинаковыми и для соединения любых двух узлов аудиотракта или УЗЧ, один из которых является источником сигнала, а другой - нагрузкой. Это могут быть микрофон и лампа усилителя микрофонного каскада, входное гнездо для магнитофона и коммутатор рода работ либо первые два каскада УЗЧ и блок регуляторов тембра В последнем случае источником сигнала является анод лампы первого каскада, а нагрузкой - резистор в цепи сетки лампы второго каскада и, следовательно, никакие соединения с корпусом внутри этого участка недопустимы. Иными словами, внутри закрытого металлического корпуса блока регуляторов тембра ни одна деталь не должна соединяться непосредственно с шасси или экранирующим кожухом, а только к изолированной от корпуса шине, как показано на рис. 6.
Теперь о самих экранированных проводах. Ни один из промышленно выпускаемых типов проводов в "чистом" виде для современного лампового усилителя высокого класса не годится. Все экранированные провода лучше сделать самостоятельно - это несложно. На рис. 7 показано, что внутри экранирующей оплетки помещены провода разного диаметра. Это различие соответствует реальной конструкции. Все экранированные провода выполнены по принципу куклы-матрешки. Внутри обычной металлической экранирующей оплетки помещены два провода разного диаметра: один - более тонкий (сигнальный) обязательно цветной многожильный в поливинилхлоридной или фторопластовой изоляции сечением 0,2.. 0,35 мм2, другой - также многожильный, но сечением не менее 0,5 мм2 - "холодный". Оба эти провода вместе с экранирующей оплеткой следует поместить в трубку из поливинилхлорида (ПВХ).
При изготовлении усилителя для монтажа различных цепей полезно использовать провода в изоляции различного цвета. Выбор самих цветов, разумеется, может быть произвольным в зависимости от возможностей радиолюбителя, но некоторых правил все же лучше придерживаться. Так, все провода, соединяемые с общим проводом, лучше всего делать черными и толстыми (сечением 0,5...0,75 мм2). Провода цепей питания (плюсовой полярности) от выпрямителя - красные, а если выпрямителей несколько, - красные, розовые, оранжевые. Все сигнальные провода одного из стереоканалов - зеленые, а другого - синие или голубые Цепи накала ламп - белые или серые. Для цепей вспомогательных устройств и систем можно выделить коричневые, желтые и тонкие черные либо белые.
Такое разделение намного упростит проверку монтажа и исключит путаницу при распайке двухканапьных регуляторов громкости и тембра (какой - из проводов от левого канала, какой - от правого).
Для самостоятельного изготовления экранированных соединительных кабелей нужно либо взять отдельную металлическую оплетку, либо снять ее с экранированного провода, затем продеть в оплетку два изолированных провода: один - тонкий "сигнальный", другой - толстый нулевой, и все это вместе с оплеткой протянуть внутрь трубки из ПВХ соответствующего диаметра. В принципе, это можно делать двумя разными способами: изготавливать каждый отдельный экранированный провод заранее определенной длины или же сразу заготовить 10...15 м кабеля, а затем отрезать куски нужной длины
Распайку выводов межблочного кабеля производят на соответствующие разъемы, из которых ныне наиболее употребляемы "тюльпан" (ПСА), "джек", "мини-джек"
При монтаже в усилителе накальных цепей и сетевых проводов внутрь одной оплетки помещают оба провода (можно одного цвета) и также изолируют оплетку трубкой из ПВХ.
Теперь об упоминавшейся выше "нулевой" шине внутри экранированных блоков. Если в блоке размещается печатная плата с радиоэлементами, то роль шины может выполнять одна из печатных дорожек (как можно более широкая).
Следует учитывать, что входные и выходные сопротивления каскадов ламповых усилителей обычно на порядок больше, чем транзисторных, и измеряются сотнями килоом, поэтому собственные емкости экранированных проводов оказывают существенное влияние на частотную характеристику УЗЧ в области ВЧ. Не следует использовать современные тонкие и сверхтонкие (диаметром 3, 2 и даже 1,5 мм) "фирменные" экранированные провода. В любом случае экранированные соединения нужно делать по возможности короче.
В предыдущих частях статьи
В предыдущих частях статьи рассмотрены вопросы, относящиеся к способам обеспечения высоких качественных показателей ламповых усилителей Однако эти показатели могут оказаться нереализованными при неграмотном подключении к входу усилителя источников сигнала - магнитофона, проигрывателя, микрофона.
Подключение внешних источников сигнала с различным выходным сопротивлением неизбежно снижает динамический диапазон всей системы за счет наводок, а также ограничивает верхнюю границу частотного диапазона из-за шунтирующего действия емкости соединительных кабелей. И хотя полностью исключить эти вредные влияния невозможно, вполне реально уменьшить их правильным выполнением соединения источника сигнала с входом усилителя.
Вопрос этот достаточно серьезный, поскольку речь идет о соединительных кабелях, подверженных различным внешним наводкам, например, от проходящей рядом электросети с напряжением 220 В. Кроме того, речь идет о передаче сигналов весьма малого уровня (порядка 5...200 мВ) и к тому же от источников с большим внутренним сопротивлением (до сотен килоом). Эти два фактора требуют применения специальных мер для предотвращения наводок извне и для исключения взаимного влияния кабелей от нескольких источников. Положение усугубляется тем, что для разных источников сигнала оптимальны различные решения, поэтому постараемся дать рекомендации для каждого отдельного случая.
Наиболее подвержены наводкам линии от пьезоэлектрического или электромагнитного звукоснимателя, а также от микрофона. Для этих цепей можно предложить общее решение с использованием тонкого коаксиального кабеля наружным диаметром 4...5 мм и емкостью 70...115 пФ на метр, например, РК-50-2-13, РК-50-3-13, РК-50-2-21 (их старые наименования - соответственно РК-19, РК-55, РКТФ-91) либо РК-75-2-21. Для стереофонического устройства два отрезка кабеля нужной длины, помещенных в одну общую металлическую оплетку, образуют кабель с высокой помехозащищенностью. Внешнюю оплетку также желательно изолировать трубкой из ПВХ На длинный кабель трубку допустимо надевать частями длиной по 0,5... 1 м.
Распайку межблочных кабелей надо делать так, как показано на рис. 7. Для микрофона, если он не стереофонический, нет необходимости в двух отдельных кабелях, однако использовать оплетку кабеля в качестве второго провода здесь нежелательно. Для микрофонной линии длиной более 1 м желательно использовать двухпроводный кабель с экранирующей оплеткой, по аналогии с отечественным кабелем типа КММ. Подключение обоих проводов и оплетки ясно из рисунка.
Межблочный кабель для стереофонического тюнера, магнитофона и проигрывателя КД также можно сделать в одном экране. В одну общую экранирующую оплетку надо протянуть три разноцветных провода, два сигнальных для левого и правого каналов (например, зеленый и синий) и один более толстый (черный или белый) для общего провода Весь этот кабель вместе с оплеткой нужно изолировать трубкой из ПВХ.
Сигнал от телевизора можно транспортировать обычным коаксиальным кабелем или экранированным проводом, используя его оплетку в качестве нулевого провода, поскольку уровень собственного фона самого телевизора часто не позволяет говорить о высококачественном звуковоспроизведении. Здесь только следует иметь в виду, что сигнал звукового сопровождения можно снимать, если нет соответствующего разъема, как с выхода УМЗЧ телевизора, так и с нагрузки частотного детектора. Выход УМЗЧ обычно низкоомный, и соединительный кабель не создает дополнительных потерь высокочастотной части спектра.
Однако при этом уровень выходного сигнала будет полностью зависеть от регулятора громкости телевизора и, если нет гнезда для телефонов, воспроизведение звука только через внешний усилитель будет невозможно. Сигнал на выходе УМЗЧ телевизора, как правило, не отличается высоким качеством.
Лучше воспользоваться вторым способом и снимать сигнал непосредственно с выхода частотного детектора Правда, в этом случае придется вскрыть телевизор и подвести этот сигнал к дополнительному разъему RСА, который можно установить на несущей раме телевизора или на съемной задней стенке, и к этому разъему подключать соединительную линию. Но в этом случае кабель также надо будет делать экранированным с двумя проводами внутри оплетки
Соединительная линия от радиотрансляционной сети, если таковую потребуется подключить к усилителю, отличается тем, что внутри жилого помещения оба провода равнозначны: в цепь каждого из двух проводов трансляционной сети последовательно включены балластные резисторы. Потерей сигнала в этом случае вполне можно пренебречь, поскольку сигнал в линии гораздо больше, чем от остальных источников сигнала.
Гендин Г. Особенности конструирования современных ламповых УЗЧ. - "Радио", 2003, № 3. - стр. 12 - 14.