Добавочное устройство для паяльников типа П223

Добавочное устройство для паяльников типа П223

Добавочное устройство для паяльника типа П-223, предположительно с 1973 года выпускал Омский завод "Электроточприбор".

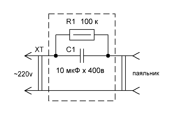
Добавочное устройство П-223 предназначено для питания малогабаритного низковольтного паяльника на напряжение 36В и мощностью 25Вт, от сети 220В. Устройство упоминается в книге Р.Г.Варламова "Мастерская радиолюбителя", издательство «Радиоисвязь», 1983. Инструкция или паспорт устройства пока не найдены..

Комментарии

Было такое устройство 😀
Вытащил из него конденсатор и установил в этот корпус диммер на симисторе, так что устройство получилось более функциональнее для паяльника 😄👍