
Радиола "Октава" выпускалась Горьковским заводом имени Ленина с 1958 года.
Радиола "Октава" состоит из семилампового радиоприемника, разработанного на лампах пальчиковой серии, и универсального электропроигрывателя. В радиоле применены внутренняя поворотная магнитная антенна для приема радиостанций на длинных и средних волнах, диполь для приема в УКВ диапазоне и акустическая система объемного звучания, состоящая из четырех громкоговорителей.
Габариты радиолы 580х406х330 мм, вес 19 кг.
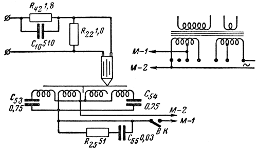
Конструкция деталей, схема и электрические показатели радиолы полностью совпадают с таковыми радиоприемника "Октава". Единственным отличием является добавление к схеме электропроигрывателя. Вызванные этим изменения принципиальной схемы показаны на рисунке ниже.
Добавление к схеме приемника "Октава" в связи с введением проигрывателя 
Альбом фотогалереи: Радиола "Октава"
Комментарии