Радиола "Д-11" (11МГ2)

Радиола "Д-11" (11МГ2)

Консольная радиола с автоматической сменой пластинок "Д-11" выпускалась Воронежским заводом "Электросигнал" с 1938 года.

Радиол "Д-11" было изготовлено 489 штук в 1938 году, а "11-МГ-2" производилась с 1939 по 1941 годы тиражом в 1960 шт. 

Радиола "Д-11" состоит из всеволнового радиовещательного приемника и механизма для проигрывания граммофонных пластинок с устройством для автоматической смены пластинок. Радиола предназначена для обслуживания больших помещений и общественных мест: клубов, фойе театров, кино и т.д.

Приемник снабжен шкалой, сменяющейся при смене диапазона. Для точного отсчета положения стрелки настройки при приеме коротких волн имеется диск, разделенный на 100 делений. Верньер приемника имеет две скорости. Переход с одной скорости на другую осуществляется вытаскиванием или вдавливанием ручки настройки. Под шкалой размещены все ручки управления: ручка настройки, выключатель питания, соединенный с переключателем "музыка-речь", регулятор громкости, переключатель диапазонов и регулятор тембра.

Шкаф приемника задней стенки не имеет. На полке шкафа, несколько выше средины, укрепляется шасси приемника и трансформатор звукоснимателя. В нижней части ящика установлен динамик.

Над приемником, на специальных "плавающих" амортизаторах, укрепляется панель с граммофонным механизмом. На этой панели расположены: диск, сбрасыватель и звукосниматель, а также выключатель питания мотора и регулятор громкости, работающий только при проигрывании пластинок. На оси регулятора имеется переключатель с приема от антенны на работу от звукоснимателя. Крайнее левое положение регулятора соответствует работе от антенны.

Все отдельные элементы радиолы соединяются шнурами с контактными колодками.

Приемник имеет следующие каскады:

  1. Усилитель высокой частоты на лампе 6К7.
  2. Гетеродин на лампе 6Ж7.
  3. Смеситель на лампе 6Л7.
  4. Усилитель промежуточной частоты на лампе 6К7.
  5. Второй детектор и АРУ на лампе 6Х6С.
  6. Индикатор настройки на лампе 6Е5С.
  7. Усилитель звуковой частоты (первая ступень) на лампе 6С5.
  8. Предоконечная ступень на лампе 6С5.
  9. Выходной усилитель на двух лампах 6Ф6С.
  10. Выпрямитель на лампе 5Ц4С.

Диапазон принимаемых частот:

  1. Длинные волны (Х): 130-400 кГц (2300 - 750 м);
  2. Средние волны (А): 550 - 1700 кГц (545 - 177 м);
  3. Короткие волны (С): 6,0 - 18,0 МГц (50 - 16,7 м);

Промежуточная частота - 460 кГц.

Основные технические данные

Выходная мощность усилителя звуковой частоты приемника 10 Вт на сопротивлении эквивалента динамика R = 7 Ом.

Чувствительность по э.д.с. в антенне при выходной мощности 1,0 Вт: 

Избирательность:

Питание

Радиола "Д-11" питается от сети переменного тока напряжением 110-127-220 В; потребляемая мощность порядка 170 Вт.

Вес радиолы 77 кг. 

Электрическая схема

Приемник радиолы "Д-11" собран по супергетеродинной схеме.

Усилитель высокой частоты

Усилитель высокой частоты на лампе 6К7 имеет настроенный контур в цепи сетки, индуктивно связанный с антенной на всех диапазонах. При переключении диапазонов неработающие секции более длинных волн заземляются через конденсатор С4. Все секции имеют подстроечные конденсаторы. Усилитель высокой частоты на двух диапазонах, Х и А, работает по схеме с "ненастроенным анодом". Эта схема отличается от обычной индуктивной связи с контуром тем, что анодная обмотка имеет собственную частоту, которая ниже всех принимаемых частот данного диапазона. Эта схема позволяет получить равномерное усиление по диапазону за счет некоторого понижения общего усиления.

На диапазоне С применена обычная индуктивная связь с контуром сетки следующей, лампы, а для выравнивания усиления применяется дополнительный конденсатор С9.

Неработающие секции катушек выключаются так же, как и в предыдущем случае.

Катушка второго контура имеет подстроечные конденсаторы.

Оба контура, как сеточный, так и анодный, настраиваются двумя секциями конденсаторного блока, третья секция используется для настройки гетеродина. Нулевые концы катушек непосредственно с землей не соединены.

Гетеродин

Гетеродин на лампе 6Ж7 выполнен по трехточечной схеме с контуром в цепи сетки с гридликом и обратной связью через катодную цепь. Такой способ связи использован на диапазонах С и А.

На диапазоне X схема иная. Катушка контура отвода не имеет, а обратная связь обеспечивается следующим образом. В цепь катода включается катушка диапазона А и в цепь анода специальная катушка обратной связи, которая на первых двух диапазонах работает фильтром. Неработающие катушки более длинных волн и даже отводы от них заземляются.

Напряжение на смесительную лампу снимается между точками катод - земля гетеродина. При этом сетка преобразователя, на которую подается это напряжение, оказывается без начального смещения. Все катушки контуров имеют подстроечные конденсаторы - триммеры. Сопряжение с контурами сигнала получается при помощи дополнительных сопрягающих конденсаторов.

Смеситель

Смеситель работает на лампе типа 6Л7.

На первую сетку подается напряжение сигнала, а на третью - напряжение от гетеродина. Третья сетка начального смещения не имеет. В анодной цепи лампы находится первый трансформатор промежуточной частоты.

Усилитель промежуточной частоты

Усилитель промежуточной частоты работает на лампе 6К7. В его анодной цепи имеется второй настроенный трансформатор промежуточной частоты. Этот трансформатор имеет необычное включение вторичной обмотки: для уменьшения связи между контурами часть катушки второго контура намотана в обратную сторону и отделена от первой части; благодаря этому она, незначительно понижая основную индуктивность, дает возможность получить слабую связь с анодным контуром.

Второй детектор, АРУ

Второй контур нагружен на диод 6Х6С, выполняющий роль детектора и АРУ. Для детектирования используется только один анод диода. Второй анод использован для получения АРУ с задержкой, для чего на катод второго диода подано отрицательное напряжение (относительно земли), а на катод первого - положительное.

Схема работает таким образом, что при малых сигналах (до тех пор, пока постоянное напряжение на сопротивлениях R7 и R8 меньше или равно начальному смещению второго диода) начальное смещение на первых трех лампах не меняется, оставаясь равным 2,8 В, и усиление остается большим. При больших сигналах начинает действовать АРУ, и усиление падает. В остальном действие АРУ обычное.

Половина напряжения АРУ, развивающаяся на сопротивлении R8, используется для работы индикатора настройки 6Е5. Напряжение в 6-8 В достаточно для полного закрытия тени индикатора.

Звуковое напряжение, которое развивается на сопротивлении R8 подается на переменное сопротивление R14 (регулятор громкости), откуда снимается для дальнейшего усиления. Регулятор громкости имеет два отвода от 250 кОм и от 500 кОм (считая от заземленной точки). Эти отводы вместе с корректирующими цепями из сопротивлений R12 и R13 и емкостей С25 и C28 используются для автоматической компенсации тона при уменьшении громкости. Корректирующие цепи действуют так, что при уменьшении громкости дают повышение усиления для низких частот.

При слушании речевых передач большое количество низких частот понижает разборчивость, и поэтому емкость С25 замыкается накоротко специальным переключателем.

При работе от звукоснимателя напряжение от него подается на специальный повышающий трансформатор, который нагружен на сложную цепь корректирующих элементов, имеющих целью получить определенную форму частотной характеристики, приятной для слуха (подняты до некоторого предела верхние и нижние частоты, а усиление на средних частотах снижено). Напряжение с регулятора громкости R35 также снимается на сетку 6С5 для дальнейшего усиления.

При приеме станций сопротивление R35 оказывается включенным последовательно в цепь сетки первой лампы усиления звуковой частоты 6С5С, а при работе от звукоснимателя один конец его заземляется.

Усилитель звуковой частоты

Усилитель звуковой частоты (первая ступень) работает на лампе 6С5. Это обычный реостатный усилитель с автоматическим смещением за счет падения напряжения на цепи R15-С29. В цепь анода, помимо основной нагрузки R16 включен двухзвенный, развязывающий фильтр из сопротивлений R21 и R17 с емкостями C35 и С32 соответственно. Развязывающий фильтр здесь необходим, так как питание этой лампы общее со следующей.

Связь со следующей ступенью происходит через корректирующую цепь, состоящую из переходных конденсаторов C33, C57 сопротивления утечки сетки R19 и П-образного звена фильтра. Этот фильтр состоит из дросселя L20 и емкостей С31 и С34.

Назначение фильтра не пропустить промежуточную частоту в дальнейшие ступени усилителя звуковой частоты и круто срезать верхние звуковые частоты. Переходные конденсаторы с первой, ступени на вторую различные на разных диапазонах. На диапазоне Х и А переходный конденсатор имеет большую емкость, и частотная характеристика начинает спадать только при очень низких тонах. На диапазоне С он уменьшен, так как большое количество низких тонов ведет к появлению микрофонного эффекта.

Вторая ступень звуковой частоты работает также на лампе 6С5С с автоматическим смещением. Анодной нагрузкой служит трансформатор, работающий на двухтактный оконечный усилитель. Во вторичную цепь включен регулятор тембра (R22, C38), срезающий высокие частоты.

Оконечный усилитель

Оконечный усилитель двухтактный на пентодах 6Ф6С. Усилитель может отдать значительную мощность - около 12 Вт. Нагрузкой служит динамик, включенный через выходной трансформатор. Катушка подмагничивания динамика использована в качестве дросселя фильтра для всех ступеней кроме оконечной. Аноды оконечного усилителя питаются до дросселя фильтра.

Ввиду того что выходной усилитель имеет двухтактную схему, такой способ питания не увеличивает фона, облегчает развязку цепей и уменьшает габариты дросселя. Выходной трансформатор имеет специальную обмотку, замкнутую на конденсатор С42 и предназначенную для резкого срезания высоких частот, начиная с 5000 Гц. Это приятно для слуха, так как в передаче отсутствует шипение (особенно при проигрывании пластинок).

Выпрямитель

Выпрямитель работает на лампе 5Ц4С и отдает ток около 100 мА при напряжении 335 В. Весь ток приемника, за исключением тока анодов выходных ламп, проходит через катушку подмагничивания динамика L22, которая вместе с двумя конденсаторами С53 и С54 образует фильтр выпрямителя. Фильтр нагружен на делитель из сопротивлений, с которого снимаются напряжения для разных точек схемы приемника.

Для вращения диска патефона в радиоле имеется мотор, питающийся непосредственно от сети при напряжении 110 В, и через трансформатор при других напряжениях. Мотор синхронный с асинхронным пуском.

Детали

Катушки контуров высокой и промежуточной частоты. Весь комплект катушек приемника имеет восемь цилиндрических каркасов.

Катушки средних и коротких волн помещаются в экранах на шасси, как и контуры промежуточной частоты. Катушки длинных волн не экранируются и монтируются под шасси.

Катушки фильтров промежуточной частоты выполнены аналогично катушкам контуров, фильтры настраиваются полупеременными конденсаторами (со слюдой).

Первый фильтр промежуточной частоты имеет шесть катушек по три в каждом контуре. Второй имеет семь катушек. Три нижние катушки относятся к анодному контуру, а четыре верхние - к сеточному. Четыре верхние катушки соединены попарно последовательно, но верхняя и нижняя пара включены навстречу (это сделано для уменьшения связи).

Силовой трансформатор. Железо Ш-32 по ОСТ СТ-360А; пакет 70 мм. Схема намотки с указанием всех данных приведена на рисунке.

Схема трансформатора питания радиолы Д-11

Схема трансформатора питания радиолы

 Входной двухтактный трансформатор. Железо Ш-26 по ОСТ СТ-360А.

Первичная обмотка имеет 6000 витков из провода ПЭ 0,08, сопротивление постоянному току Rо = 2000 Ом. Вторичная обмотка имеет 2х3000 витков из провода ПЭ 0,08, сопротивление постоянному тику Rо = 2700 Ом.

Обозначения концов: первая обмотка - начало - зеленый, конец - желтый; вторая обмотка - начало и конец - синий, средняя точка - красный.

Трансформатор звукоснимателя. Первичная обмотка имеет 272 витка провода ПЭ 0,18, R = 13 Ом. Вторичная обмотка имеет 5450 витков провода ПЭ 0,12, R = 850 Ом. Коэффициент трансформации n = 20.

Трансформатор заключен в металлическую коробку-экран вместе с корректирующими элементами L25, C65, C67, C66, R33, R34, R66 и имеет щиток с выводами. Схема соединений трансформатора звукоснимателя приведена на рисунке.

Схема соединений трансформатора звукоснимателя радиолы Д-11

Схема соединений трансформатора звукоснимателя радиолы

Звукосниматель. Звукосниматель электромагнитный. Катушка имеет сопротивление R = 4,6 Ома. Среднее напряжение, развиваемое звукоснимателем, 30 мВ.

Выходной трансформатор. Первичная обмотка имеет 2х850 витков провода ПЭ 0,12, Ro = 780 Ом. Вторичная обмотка - звуковая имеет 82 витка провода ПЭ 0,7 мм, Ro = 0,45 Ома. Третья (корректирующая обмотка) имеет 605 витков провода ПЭ 0,12 мм, Ro = 82 Ома. Эта обмотка замкнута на конденсатор С42 = 0,07 мкФ. Трансформатор имеет кожух, в котором помещен также и конденсатор С42. Кожух укреплен на динамике.

Расцветка концов трансформатора следующая:

Соединение выходного трансформатора с приемником осуществляется при помощи переходной колодки. Схема соединения показана на рисунке.

Схема включения громкоговорителя радиолы Д-11

Схема включения громкоговорителя радиолы

 Дроссели L20 и L25. Дроссель L20 имеет 14400 витков из провода ПЭ 0,08; R = 3250 Ом. Дроссель помещен в железный двойной экран для защиты от внешних полей. Такой же дроссель L25, но без экрана, находится в кожухе трансформатора звукоснимателя.

Динамический громкоговоритель. Мощность громкоговорителя около 15 Вт. Обмотка возбуждения имеет 18250 витков. R = 1 750 Ом. Мощность возбуждения 9 Вт. Сопротивление звуковой катушки R = 7 Ом.

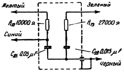
Компенсатор. Для удобства монтажа и экранировки детали корректирующих цепей R12, R13, C25, C23 помещены в железную коробку. Цвет выводных проводов из коробки указан на рисунке.

Схема включения компенсатора радиолы Д-11

Схема включения компенсатора радиолы 

Мотор. Мотор синхронный с асинхронным пуском. Мощность 25 Вт. Число оборотов - 78 об/мин. Номинальное напряжение 105 -125 В. Ток мотора - 0,4 А.

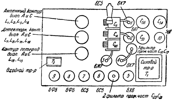
 Расположение ламп и деталей на шасси радиолы "Д-11"

Расположение ламп и деталей на шасси радиолы "Д-11"

Литература:

  1. Принципиальная схема  радиолы "Д-11" (11МГ-2)
  2. Инструкция по эксплуатации радиолы "Д-11" (11МГ-2)

Комментарии