Основые технические данные
- Система радиоуправления позволяет дистанционно управлять игрушкой на расстоянии до 10 метров.
- Рабочая частота передатчика 27 МГц.
- Мощность передатчика в пределах 4-10 мВт.
- Потребление тока передатчиком не более 20 мА.
- Вес передатчика с антенной и питанием не более 150 г.
- Чувствительность приемника в рабочей полосе частот не хуже 100 мкВ.
- Потребление тока приемником не более 20 мА.
- Вес приемника не более 70 г.
- Питание приемника производится от 6 элементов АА, а передатчика - от батарей "Крона-ВЦ".
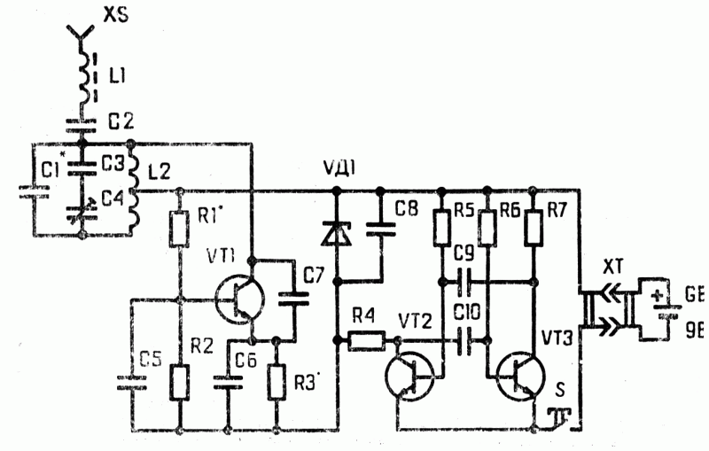
Передатчик
Передатчик состоит из модулятора и генератора высокой частоты (рис.1). Модулятором передатчика служит симметричный мультивибратор, собранный на транзисторах VT2 и VT3, а высокочастотная часть на транзисторе VT1. Генератор высокой частоты собран по схеме с емкостной обратной связью. При открытом транзисторе модулятора VT2 цепь генератора замыкается на минус батареи, генератор возбуждается на рабочей частоте, сигнал высокой частоты излучается антенной.
Конструктивно передатчик выполнен на печатной плате из фольгированного гетинакса, размерами 43х63 мм. Катушка L2 выполнена печатным способом. Подстройка частоты производится конденсатором C4.
Все транзисторы - КТ315Б. Конденсаторы: C1 - 24 пФ, C2 - 5,6 пФ, С3 - 15 пФ, С4 - 4\15 пФ, С5 - 3300 пФ, С6 - 75 пФ, С7-30 пФ, С8 - 3300 пФ, С9-С10 - 0,05 мкФ. Резисторы: R1 - 6,8 кОм, R2 - 4,7 кОм, R3 - 470 Ом, R4 - 110 Ом, R5-R6 - 22 кОм, R7 - 3 кОм. Стабилитрон - КС168А. L1 - это так называемая "удлиняющая катушка", в данной схеме использован стандартный дроссель ДПМ-0,5, индуктивностью 20 мкГн.
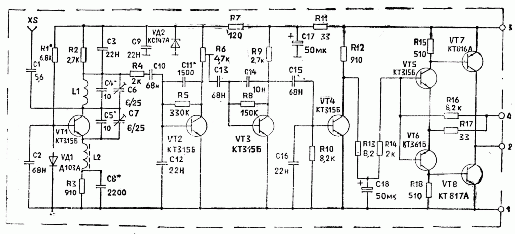
Приемник
Приемник состоит из высокочастотного каскада, усилителя низкой частоты и схемы управления двигателем.
Высокочастотный каскад приемника представляет собой сверхрегенератор, собранный на транзисторе VT1. Усилитель низкой частоты собран на транзисторах VT2-VT4, а схема управления двигателем на транзисторах VT5-VT8.
При отсутствии сигнала на эмитерной цепочке С8, R3 наблюдаются колебания частоты гашения. Частота гашения определяет чувствительность сверхрегенератора на его рабочей частоте и подбирается элементами С8, R3.
Командный сигнал передатчика выделяется контуром L1-С4, усиливается и детектируется сверхрегенератором. Далее сигнал команды низкой частоты поступает на первый каскад усилителя VT2.

Конструктивно приемник выполнен на печатной плате из фольгированного гетинакса, размерами 55х90 мм. Катушка L1 содержит 15 витков провода ПЭЛ-1, диаметр катушки 8 мм. Дроссель L2 - 100 мГн. Номиналы остальных деталей указаны на принципиальной схеме.
Электрооборудование
Возможный вариант радиоуправляемой игрушки:

Пример реализации - трехколесный автомобиль. На оси ведущие колеса, а рулевое колесо на полуоси, которая может свободно поворачиваться. В отсутствии сигнала игрушка просто едет вперед, полуось рулевого колеса и ось ведущих колес - параллельны. При поступлении сигнала двигатель начинает вращаться в обратную сторону, игрушка двигается назад, рулевое колесо поворачивается, угол между полуосью рулевого колеса и осью ведущих колес около 30 градусов, и таким образом игрушка едет назад с разворотом.
В качестве антенн используется отрезок стальной проволоки диаметром 0,3 мм (можно использовать и медную проволоку диаметром 1-1,5 мм) длиной не менее 20 см.
Комментарии