Этому детекторному приемнику не требуется классическая антенна и заземление.

Схема приемника

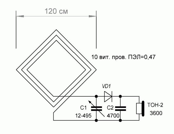
Рамка собрана из двух деревянных реек, соединенных крест на крест. На концах полученного ромба делаются небольшие пропилы, в которые и будет укладываться провод. Рсстояние между пропилами – 10 мм. Всего нужно намотать 10 витков. В данной конструкции был использован обычный обмоточный провод диаметром 0,47 мм, в эмалевой изоляции. Наушники – высокоомные.
Приемник рассчитан на прием вещательных станций средневолнового диапазона. Антенной в данном приемнике служит катушка-рамка. Такая антенна имеет четко выраженную диаграмму направленности в виде восьмерки, сила сигналов получается наибольшей, когда плоскость рамки направлена на передающую радиостанцию, и наименьшей, когда она находится в положении, перпендикулярном к направлению на передающую радиостанцию. Рамка одинаково хорошо принимает сигналы, идущие как со стороны передающей радиостанции, так и с противоположной стороны.
Комментарии